|
Translation Phase Locked Loop Synthesizer with Low Phase Noise based on ADF4002
|
|
Analog Devices
|
Clock and Timing |
Clock and Timing Devices |
|
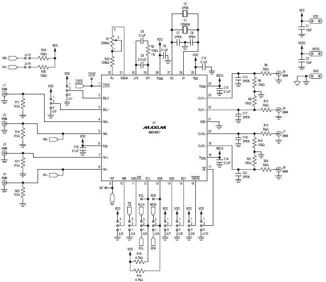
MAX3673EVKIT+, Evaluation Board for the MAX3673 PLL Clock Generator for 3G Wireless Base Station
|
|
Analog Devices
|
Clock and Timing |
3G Wireless Base Station |
|
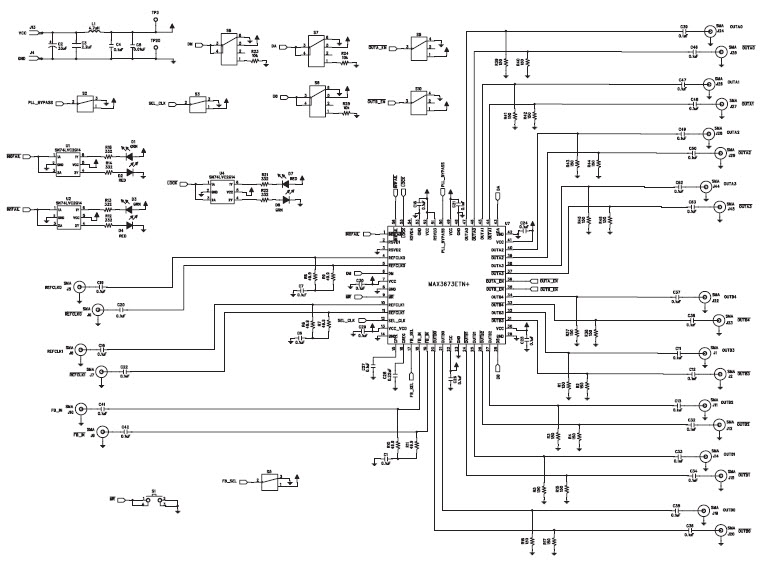
MAX3671EVKIT+, Evaluation Board for the MAX3671 PLL Clock Generator for Ethernet Router and Ethernet Switch
|
|
Analog Devices
|
Clock and Timing |
Ethernet Router and Ethernet Switch |
|
EVAL-CN0369SDPZ, Evaluation kit based on ADF4002 PLL Frequency Synthesizer
|
|
Analog Devices
|
Clock and Timing |
Clock and Timing Devices |
|
EV-ADF4355-3SD1Z, Evaluation Board Evaluating the ADF4355-3 Fractional-N/Integer-N PLL Frequency Synthesizer
|
|
Analog Devices
|
Clock and Timing |
Test Equipment, Wireless Infrastructure, Clock and Timing Devices, Microwave Link, Satellite |
|
EV-ADF5355SD1Z, Evaluation Board for Evaluating the ADF5355 Frequency Synthesizer for Phase-Locked Loops
|
|
Analog Devices
|
Clock and Timing |
Test Equipment, Wireless Infrastructure, Clock and Timing Devices, Microwave Link, Satellite |
|
EV-ADF4355SD1Z, Evaluation Board for Evaluating the ADF4355 Microwave Wideband Synthesizer with Integrated VCO
|
|
Analog Devices
|
Clock and Timing |
Test Equipment, Wireless Infrastructure, Clock and Timing Devices, Microwave Link, Satellite |
|
68.75 to 2200MHz PLL Clock Generator for Radar System
|
|
Analog Devices
|
Clock and Timing |
Radar System, Active Antenna |
|
EV-ADF4360-9EB1Z, Evaluation Board for ADF4360-9 Integrated PLL and VCO Frequency Synthesizer
|
|
Analog Devices
|
Clock and Timing |
Wireless LAN, Test Equipment, Wireless Headset, CATV Applications |
|
EVAL-ADF4360-8EBZ1, Evaluation Board for ADF4360-8 Integrated PLL & VCO Frequency Synthesizer
|
|
Analog Devices
|
Clock and Timing |
Wireless LAN, Test Equipment, Wireless Headset, CATV Applications |
|
EVAL-ADF4360-8EB1, Evaluation Board for ADF4360-8 Integrated PLL & VCO Frequency Synthesizer
|
|
Analog Devices
|
Clock and Timing |
Wireless LAN, Test Equipment, Wireless Headset, CATV Applications |
|
EV-ADF4360-8EB1Z, Evaluation Board for the ADF4360-8 Integrated PLL and VCO Frequency Synthesizer
|
|
Analog Devices
|
Clock and Timing |
Wireless LAN, Test Equipment, Wireless Headset, CATV Applications |
|
EVAL-ADF4360-7EB1, Evaluation Board for ADF4360-7 Integrated PLL & VCO Frequency Synthesizer
|
|
Analog Devices
|
Clock and Timing |
Wireless LAN, Test Equipment, Wireless Headset, CATV Applications |
|
EV-ADF4360-7EB1Z, Evaluation Board for ADF4360-7 Integrated PLL and VCO Frequency Synthesizer
|
|
Analog Devices
|
Clock and Timing |
Wireless LAN, Test Equipment, Wireless Headset, CATV Applications |
|
EVAL-ADF4360-6EB1, Evaluation Board for ADF4360-6 Integrated PLL & VCO Frequency Synthesizer
|
|
Analog Devices
|
Clock and Timing |
Wireless LAN, Test Equipment, Wireless Headset, CATV Applications |
|
EV-ADF4360-4EB1Z, Evaluation Board for ADF4360-4 Integrated PLL and VCO Frequency Synthesizer
|
|
Analog Devices
|
Clock and Timing |
Wireless LAN, Test Equipment, Wireless Headset, CATV Applications |
|
EVAL-ADF4360-3EB1, Evaluation Board For ADF4360-3 Integrated VCO &Frequency Synthesizer
|
|
Analog Devices
|
Clock and Timing |
Wireless LAN, Test Equipment, Wireless Headset, CATV Applications |
|
EV-ADF4360-6EB1Z, Evaluation Board for ADF4360-6 Integrated PLL and VCO Frequency Synthesizer
|
|
Analog Devices
|
Clock and Timing |
Wireless LAN, Test Equipment, Wireless Headset, CATV Applications |
|
EVAL-ADF4360-5EB1, Evaluation Board for ADF4360-5 Integrated PLL & VCO Frequency Synthesizer
|
|
Analog Devices
|
Clock and Timing |
Wireless LAN, Test Equipment, Wireless Headset, CATV Applications |
|
EV-ADF4360-5EB1Z, Evaluation Board for ADF4360-5 Integrated PLL and VCO Frequency Synthesizer
|
|
Analog Devices
|
Clock and Timing |
Wireless LAN, Test Equipment, Wireless Headset, CATV Applications |