TPS659122EVM-081, Evaluation Module using TPS659122 a power management unit (PMU) for Processor Power

Progetto di riferimento usando la parte TPS659122YFF di Texas Instruments

Produttore

Texas Instruments
  • Categorie di applicazione
    Alimentatori
  • Tipologia di prodotti
    Alimentatori multiuscita da CC a CC

Per prodotti finali

  • Smart Phone
  • Wireless Data Access Card

Per contattare il Servizio Clienti.

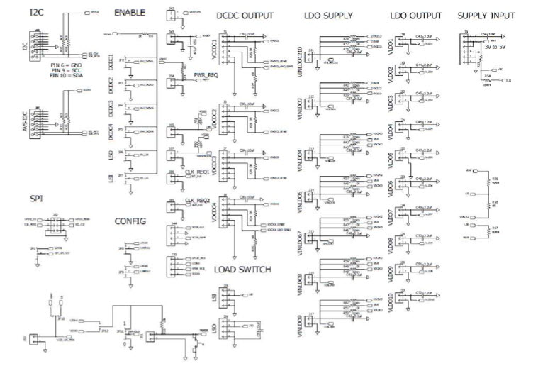
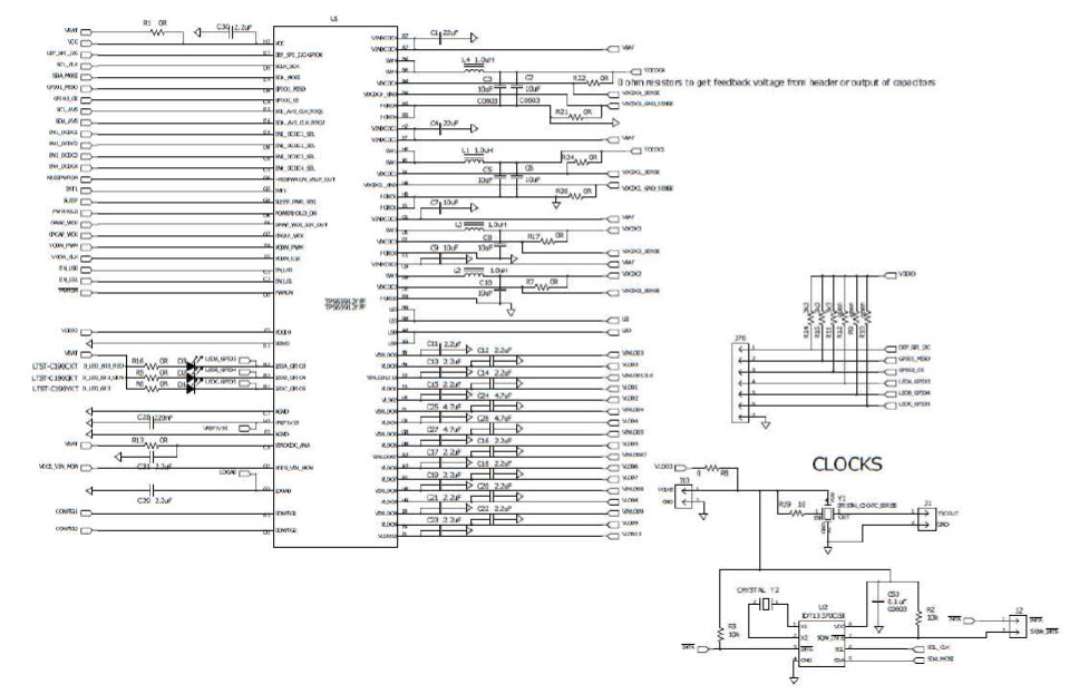
  • TPS659122EVM-081, Evaluation Module (EVM) is designed to facilitate evaluation of the power management integrated circuit. It also contains 10 LDO regulators for external usage which can be supplied from either a battery or a pre-regulated supply. Power-up/power-down controller is configurable and can support any power-up/power-down sequences (OTP based). The TPS659122 integrates a 32 kHz RC Oscillator to sequence all resources during Power up / down

Funzioni principali

  • Conversion Type
    DC to DC
  • Input Voltage
    3 to 5 V
  • Topology
    Buck

Non perderti le ultime novità sull'elettronica

Abbiamo aggiornato la nostra Politica sulla privacy. Ti preghiamo di verificare le modifiche apportate. Facendo clic su "Accetto", dichiari di accettare la Politica sulla privacy e i Termini di utilizzo di Arrow Electronics.

Il nostro sito web mette i cookies sul vostro dispositivo per migliorare la vostra esperienza e il nostro sito. Leggete altre informazioni sui cookies che usiamo e su come disabilitarli qui. I cookies e le tecnologie di tracking possono essere usati per scopi commerciali.

Con un click su “Accept”, voi consentite l'inserimento dei cookies sul vostro dispositivo e l'uso da parte nostra di tecnologie di tracking. Per avere altre informazioni e istruzioni su come disabilitare i cookies e le tecnologie di tracking, clickate su “Read More” qui sotto. Mentre l'accettazione dei cookies e delle tecnologie di tracking è volontaria, una loro disabilitazione potrebbe determinare un funzionamento non corretto del sito web, ed alcuni messaggi di allarme potrebbero essere per voi meno importanti.

Noi rispettiamo la vostra privacy. Leggete qui la nostra politica relativa alla privacy