STEVAL-IFP032V1, 8-CH High-Side Driver Evaluation Board based on the VNI8200XP-32 Power Switch

Progetto di riferimento usando la parte VNI8200XP-32 di STMicroelectronics

Produttore

STMicroelectronics
  • Categorie di applicazione
    Alimentatori
  • Tipologia di prodotti
    Alimentatori multiuscita da CC a CC

Per contattare il Servizio Clienti.

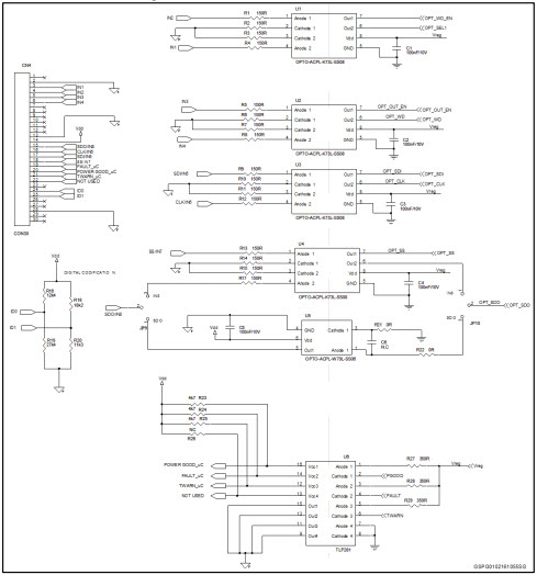
  • STEVAL-IFP032V1, Evaluation Board based on the VNI8200XP-32 high-side driver, is intended for device testing in terms of power management and digital interface. In adherence with industrial standards, the board's isolated interface between the IPS and host controller are implemented using high-speed Optocouplers for IPS driving and low-speed Optocouplers to receive device status information. A GUI interface provides a user-friendly way to test VNI8200XP-32 device functionality, after connecting the STEVAL-IFP032V1 evaluation board to a PC via a communication board. Thermal performance is improved thanks to a four-layer design with copper regions distributed across all the layers for more effective heat dissipation. The STEVAL-IFP032V1 evaluation board meets EFT standard requirements IEC 61000-4- 2, IEC 61000-4-4, IEC 61000-4-5

Funzioni principali

  • Conversion Type
    DC to DC
  • Input Voltage
    10.5 to 33 V
  • Output Voltage
    3.3|5 V
  • Topology
    Buck

Non perderti le ultime novità sull'elettronica

Abbiamo aggiornato la nostra Politica sulla privacy. Ti preghiamo di verificare le modifiche apportate. Facendo clic su "Accetto", dichiari di accettare la Politica sulla privacy e i Termini di utilizzo di Arrow Electronics.

Il nostro sito web mette i cookies sul vostro dispositivo per migliorare la vostra esperienza e il nostro sito. Leggete altre informazioni sui cookies che usiamo e su come disabilitarli qui. I cookies e le tecnologie di tracking possono essere usati per scopi commerciali.

Con un click su “Accept”, voi consentite l'inserimento dei cookies sul vostro dispositivo e l'uso da parte nostra di tecnologie di tracking. Per avere altre informazioni e istruzioni su come disabilitare i cookies e le tecnologie di tracking, clickate su “Read More” qui sotto. Mentre l'accettazione dei cookies e delle tecnologie di tracking è volontaria, una loro disabilitazione potrebbe determinare un funzionamento non corretto del sito web, ed alcuni messaggi di allarme potrebbero essere per voi meno importanti.

Noi rispettiamo la vostra privacy. Leggete qui la nostra politica relativa alla privacy