MAX77640EVKIT#, Evaluation Kit for the MAX77640 Ultra-Low Power PMIC with 3-Output SIMO, 150mA LDO and Power Sequencer

Progetto di riferimento usando la parte MAX77640AEWV+ di Analog Devices

Produttore

Analog Devices
  • Categorie di applicazione
    Misura e monitoraggio
  • Tipologia di prodotti
    Gestione della potenza

Per prodotti finali

  • Action Cameras
  • Headphone
  • Health Wellness & Fitness
  • Hearing Aid
  • Internet of Things (IoT)

Per contattare il Servizio Clienti.

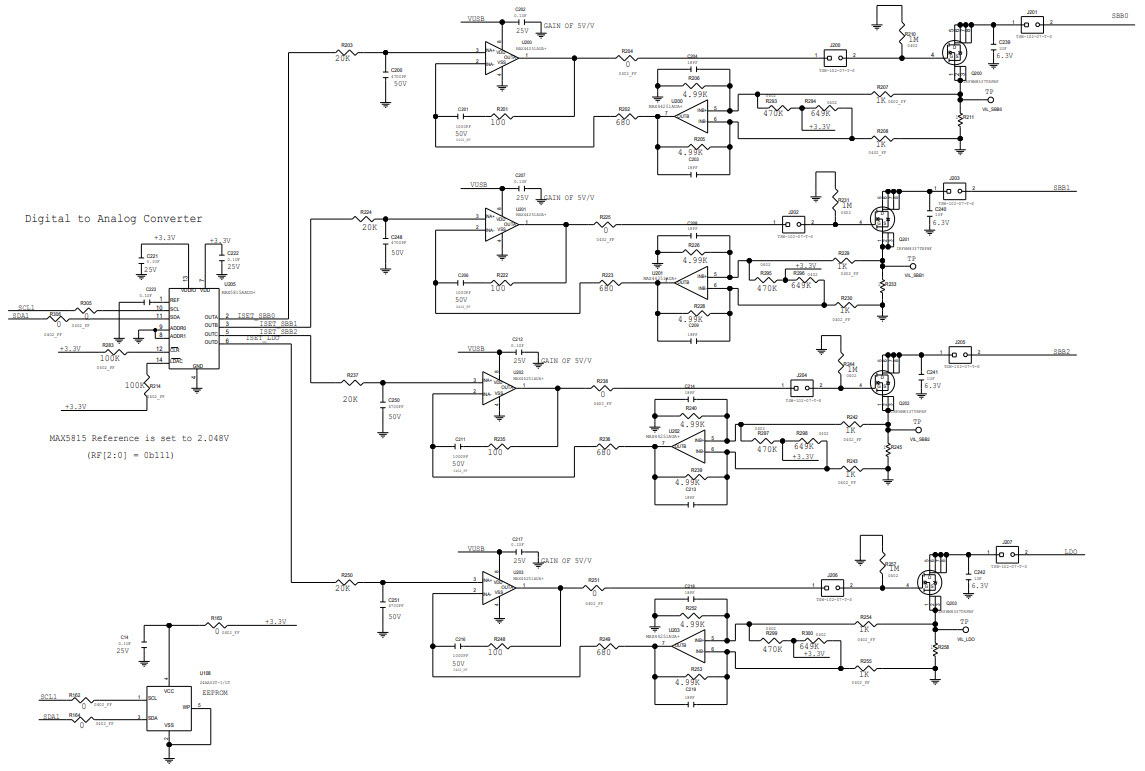
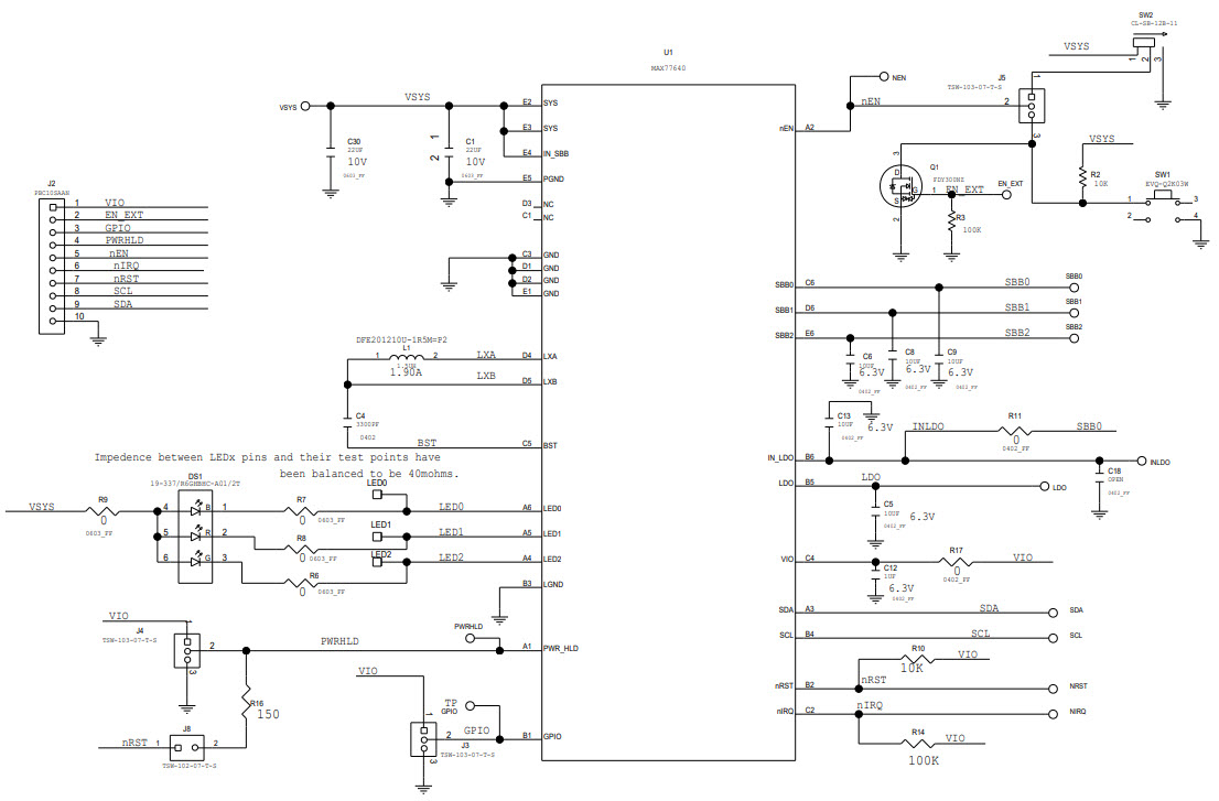
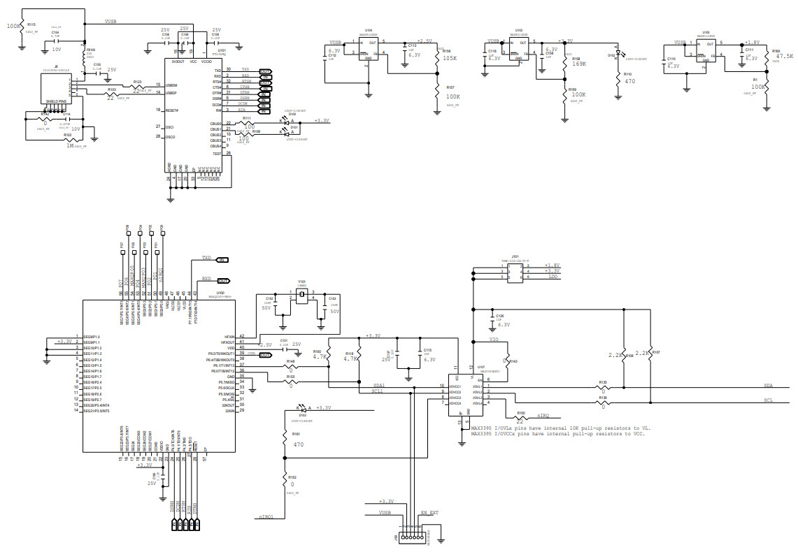
  • MAX77640EVKIT#, Evaluation Kit (EV Kit) is a fully assembled and tested printed circuit board (PCB) that demonstrates the MAX77640. The EV kit allows for easy evaluation of the MAX77640 resources, including the SIMO, LDO, GPIO, current sinks and I2C interface

Non perderti le ultime novità sull'elettronica

Abbiamo aggiornato la nostra Politica sulla privacy. Ti preghiamo di verificare le modifiche apportate. Facendo clic su "Accetto", dichiari di accettare la Politica sulla privacy e i Termini di utilizzo di Arrow Electronics.

Il nostro sito web mette i cookies sul vostro dispositivo per migliorare la vostra esperienza e il nostro sito. Leggete altre informazioni sui cookies che usiamo e su come disabilitarli qui. I cookies e le tecnologie di tracking possono essere usati per scopi commerciali.

Con un click su “Accept”, voi consentite l'inserimento dei cookies sul vostro dispositivo e l'uso da parte nostra di tecnologie di tracking. Per avere altre informazioni e istruzioni su come disabilitare i cookies e le tecnologie di tracking, clickate su “Read More” qui sotto. Mentre l'accettazione dei cookies e delle tecnologie di tracking è volontaria, una loro disabilitazione potrebbe determinare un funzionamento non corretto del sito web, ed alcuni messaggi di allarme potrebbero essere per voi meno importanti.

Noi rispettiamo la vostra privacy. Leggete qui la nostra politica relativa alla privacy