LTM8027EV Demo Board, 60V, 4A Step Down module Regulator

Progetto di riferimento usando la parte LTM8027EV#PBF di Analog Devices

Produttore

Analog Devices
  • Categorie di applicazione
    Alimentatori
  • Tipologia di prodotti
    Alimentatori singola uscita da CC a CC

Per prodotti finali

  • Automotive and Transportation
  • Industrial

Per contattare il Servizio Clienti.

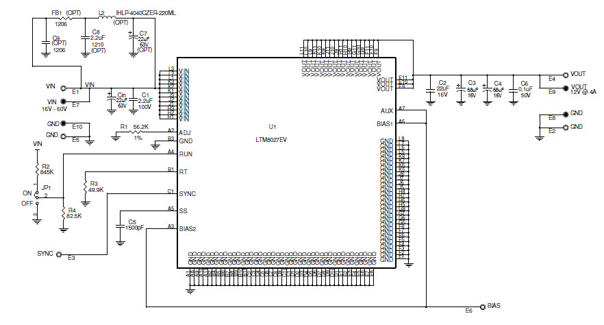
  • Demonstration circuit DC1307A features the LTM8027 is a step down converter, configured to deliver 12V from a 16V to 60V input. The wide input range of the LTM8027 allows a variety of input sources such as automotive batteries, wall adaptors and industrial supplies

Funzioni principali

  • Conversion Type
    DC to DC
  • Input Voltage
    16 to 60 V
  • Output Voltage
    12 V
  • Output Current
    4 A
  • Topology
    Buck

Non perderti le ultime novità sull'elettronica

Abbiamo aggiornato la nostra Politica sulla privacy. Ti preghiamo di verificare le modifiche apportate. Facendo clic su "Accetto", dichiari di accettare la Politica sulla privacy e i Termini di utilizzo di Arrow Electronics.

Il nostro sito web mette i cookies sul vostro dispositivo per migliorare la vostra esperienza e il nostro sito. Leggete altre informazioni sui cookies che usiamo e su come disabilitarli qui. I cookies e le tecnologie di tracking possono essere usati per scopi commerciali.

Con un click su “Accept”, voi consentite l'inserimento dei cookies sul vostro dispositivo e l'uso da parte nostra di tecnologie di tracking. Per avere altre informazioni e istruzioni su come disabilitare i cookies e le tecnologie di tracking, clickate su “Read More” qui sotto. Mentre l'accettazione dei cookies e delle tecnologie di tracking è volontaria, una loro disabilitazione potrebbe determinare un funzionamento non corretto del sito web, ed alcuni messaggi di allarme potrebbero essere per voi meno importanti.

Noi rispettiamo la vostra privacy. Leggete qui la nostra politica relativa alla privacy