Filtri
| Descrizione | Rilasciato da | Per applicazione | Per prodotti finali | |||
|---|---|---|---|---|---|---|
AN5020 |
Analog Devices | Wired Communication | Industrial, Set-Top Box, Medical and Healthcare, Digital Video Recorder, Telemetry, Fax Machine, POS Register, Multifunction Printer | |||
AN5017 |
Analog Devices | Wired Communication | Industrial, Set-Top Box, Medical and Healthcare, Digital Video Recorder, Telemetry, Fax Machine, POS Register, Multifunction Printer | |||
AN_2901_014 |
Analog Devices | Wired Communication | Fax Machine, Telephone Line Call Monitor | |||
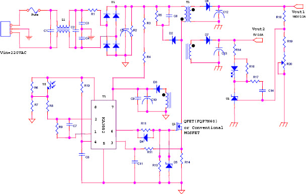
L6565_Typical ApplicationTypical Application for L6565 40W Wide Range Mains SMPS for inkjet printer |
STMicroelectronics | Power Supplies | Portable Consumer Electronics, Copier, Fax Machine, Adapter, AC to DC Charger, Compact SMPS, Scanners, Printers | |||
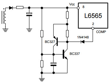
L6565_Typical ApplicationTypical Application for L6565 Enhanced turn-off for big MOSFET Driver |
STMicroelectronics | Power Supplies | Portable Consumer Electronics, Copier, Fax Machine, Adapter, AC to DC Charger, Compact SMPS, Scanners, Printers | |||
AN-9008 |
onsemi | Power Supplies | Desktop PC, Home Appliances, Television, Fax Machine | |||
L6565_Typical ApplicationTypical Application for L6565, 50W Wide Range Mains SMPS for TV Applications |
STMicroelectronics | Power Supplies | Portable Consumer Electronics, Copier, Fax Machine, Adapter, AC to DC Charger, Compact SMPS, Scanners, Printers | |||
L6565_Typical ApplicationTypical Application for L6565 Low-consumption start-up circuit |
STMicroelectronics | Power Supplies | Portable Consumer Electronics, Copier, Fax Machine, Adapter, AC to DC Charger, Compact SMPS, Scanners, Printers | |||
AN1060 |
STMicroelectronics | Power Supplies | Servers, LCD Monitor, Copier, Fax Machine, Printers | |||
LMT88-9EVMLMT88-9EVM, Evaluation Module Evaluating the LMT88 and LMT89 Temperature Sensor |
Texas Instruments | Measurement and Monitoring | Industrial, Automotive and Transportation, Smart Phone, Battery Management, Computers and Peripherals, Portable Medical Instrumentation, HVAC, Fax Machine, Power Supply, Floppy Disk Drive, Printers | |||
AN33Converting Light to Digits, LTC1099 Half Flash 8-Bit A/D Converter Digitizes Photodiode Array |
Analog Devices | Data Conversion | Barcode Scanner, Fax Machine | |||
L6565_Typical Application |
STMicroelectronics | Power Supplies | Portable Consumer Electronics, Copier, Fax Machine, Adapter, AC to DC Charger, Compact SMPS, Scanners, Printers | |||
L6565_Typical Application |
STMicroelectronics | Power Supplies | Portable Consumer Electronics, Copier, Fax Machine, Adapter, AC to DC Charger, Compact SMPS, Scanners, Printers | |||
L6565_Typical ApplicationTypical Application for L6565 Leading edge blanking circuit for enhanced primary regulation |
STMicroelectronics | Power Supplies | Portable Consumer Electronics, Copier, Fax Machine, Adapter, AC to DC Charger, Compact SMPS, Scanners, Printers | |||
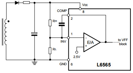
L6565_Typical ApplicationTypical Application for L6565 Secondary Feedback Loop Configurations |
STMicroelectronics | Power Supplies | Portable Consumer Electronics, Copier, Fax Machine, Adapter, AC to DC Charger, Compact SMPS, Scanners, Printers | |||
L6565_Typical ApplicationTypical Application for the L6565 Secondary Feedback Loop Configurations |
STMicroelectronics | Power Supplies | Portable Consumer Electronics, Copier, Fax Machine, Adapter, AC to DC Charger, Compact SMPS, Scanners, Printers | |||
L6565_Typical ApplicationTypical Application for L6565 Primary Feedback Loop Configurations |
STMicroelectronics | Power Supplies | Portable Consumer Electronics, Copier, Fax Machine, Adapter, AC to DC Charger, Compact SMPS, Scanners, Printers | |||
L6565_Typical ApplicationTypical Application for the L6565 Primary Feedback Loop Configurations |
STMicroelectronics | Power Supplies | Portable Consumer Electronics, Copier, Fax Machine, Adapter, AC to DC Charger, Compact SMPS, Scanners, Printers | |||
STEVAL-MKI204V1KSTEVAL-MKI204V1K, Temperature Probe Kit based on STLM75 Digital Temperature Sensor |
STMicroelectronics | Sensors and Transducers | Battery Management, Printer, Consumer Electronics, Test Equipment, Fax Machine, Power Supply, Disk Drives, Thermal Management, Automotive Systems | |||
STEVAL-MKI202V1KSTEVAL-MKI202V1K, Temperature Probe Kit based on STDS75 Digital Temperature Sensor |
STMicroelectronics | Sensors and Transducers | Battery Management, Printer, Consumer Electronics, Test Equipment, Fax Machine, Power Supply, Disk Drives, Thermal Management, Automotive Systems | |||