ADP5302-EVALZ, Evaluation Board Evaluating the ADP5302 Ultra Low Step-Down Regulator

Reference Design using part ADP5301ACBZ by Analog Devices

Manufacturer

Analog Devices
  • Application Category
    Power Supplies
  • Product Type
    DC to DC Single Output Power Supplies

For End Products

  • Battery Powered Instrument
  • Energy Meter
  • Gas and Water Meter
  • Medical Appliances
  • Power Supplies

Description

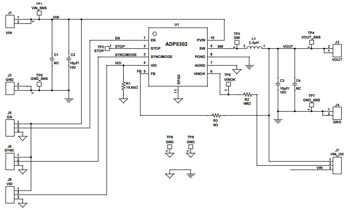
  • ADP5302-EVALZ, Evaluation Board Evaluating the ADP5302 Ultra Low Step-Down Regulator. The ADP5302 is an Ultra Low power, synchronous step-down DC to DC regulator with a load switch in a 10-lead LFCSP package. The ADP5302 runs from input voltages of 2.15V to 6.50V and requires minimal external components to provide a high efficiency solution with an integrated power switch, synchronous rectifier and internal compensation. The ADP5302-EVALZ evaluation board provides an easy way to evaluate the device

Key Features

  • Conversion Type
    DC to DC
  • Input Voltage
    2.15 to 6.50 V
  • Topology
    Buck

We've updated our privacy policy. Please take a moment to review these changes. By clicking I Agree to Arrow Electronics Terms Of Use  and have read and understand the Privacy Policy and Cookie Policy.

Our website places cookies on your device to improve your experience and to improve our site. Read more about the cookies we use and how to disable them here. Cookies and tracking technologies may be used for marketing purposes.
By clicking “Accept”, you are consenting to placement of cookies on your device and to our use of tracking technologies. Click “Read More” below for more information and instructions on how to disable cookies and tracking technologies. While acceptance of cookies and tracking technologies is voluntary, disabling them may result in the website not working properly, and certain advertisements may be less relevant to you.
We respect your privacy. Read our privacy policy here