TIDEP0034, 66AK2L06 Reference Design JESD Attach to Wideband ADCs and DACs
使用 Texas Instruments 的 66AK2L06XCMS 的参考设计
Image
1 / 14
依据最终产品
- Missile Defense
- Radar System
- Test and Measurement
说明
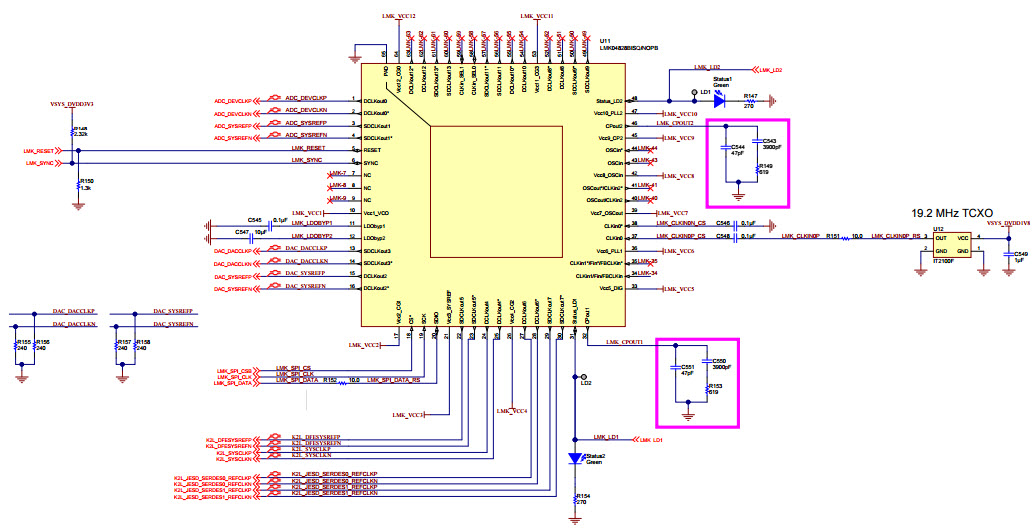
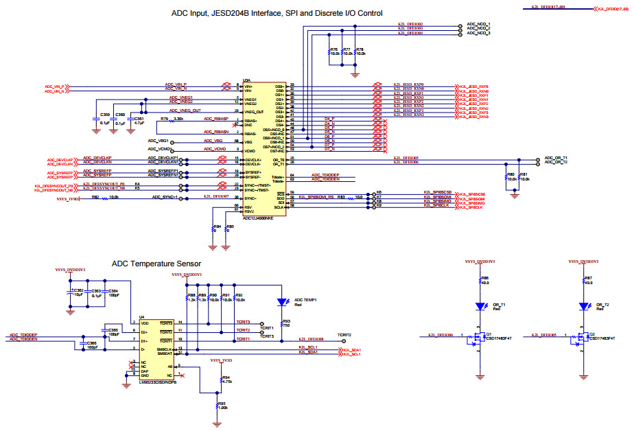
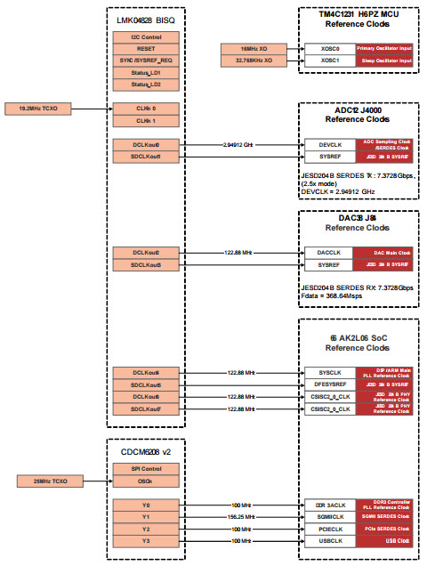
- TIDEP0034, 66AK2L06 Reference Design JESD Attach to Wideband ADCs and DACs. for developers currently using an FPGA or ASIC to connect to high speed data converters who need faster time to market with increased performance and significant reduction in cost, power and size this reference design includes the first widely available processor integrating JESD204B interface and Digital Front End (DFE) processing. Connecting the 12J4000 ADC and 38J84 DAC provides an efficient solution for Test/Measurement and Defense applications
主要特色
-
Embedded System TypeDSP
-
Core ProcessorARM Cortex-A15
-
PlatformIndustrial Development
Featured Parts (6)
| 零件编号 | 供应商 | 类别 | 说明 | |||
|---|---|---|---|---|---|---|
|
|
ADC12J4000NKE | Texas Instruments | Analog to Digital Converters - ADCs | 1-Channel Single ADC Folding/Interpolating 4Gsps 12-bit JESD204B 68-Pin VQFN EP Tray | 买入 | |
|
|
DAC38J84IAAV | Texas Instruments | Digital to Analog Converters - DACs | DAC 4-CH Segment 16-bit 144-Pin FCBGA Tray | 买入 | |
|
|
DAC38J84IAAVR | Texas Instruments | Digital to Analog Converters - DACs | DAC 4-CH Segment 16-bit 144-Pin FCBGA T/R | 买入 | |
|
|
LMK04828BISQ/NOPB | Texas Instruments | Clock Generators and Synthesizers | Clock Generator 0.001MHz to 750MHz-IN 3100MHz-OUT 64-Pin WQFN EP T/R | 买入 | |
|
|
LMK04828BISQ/NOPB | Texas Instruments | Clock Generators and Synthesizers | Clock Generator 0.001MHz to 750MHz-IN 3100MHz-OUT 64-Pin WQFN EP T/R | 买入 | |
|
|
66AK2L06XCMS | Texas Instruments | Digital Signal Processors - DSPs | DSP Fixed-Point/Floating-Point 1.2GHz Medical 900-Pin FCBGA Tray | 买入 | |