TIDEP0041, Generating AVS Smart Reflex Core Voltage for K2E Using TPS544C25/LM10011 Reference Design
使用 Texas Instruments 的 X66AK2E05XABD 的参考设计
Image
1 / 8
依据最终产品
- Defense Electronics Systems
- Radar System
说明
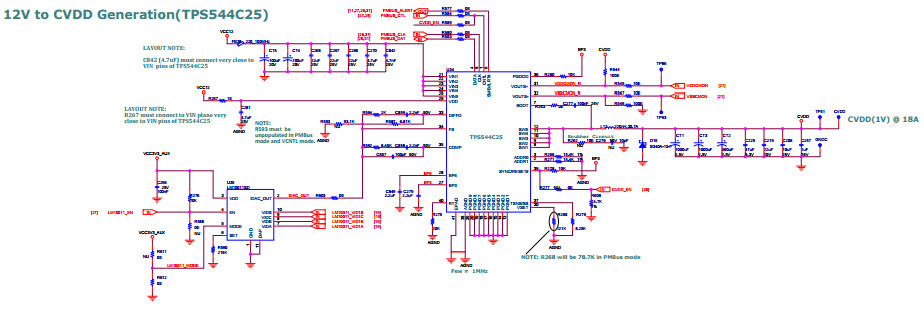
- TIDEP0041, Generating AVS Smart Reflex Core Voltage for K2E Using TPS544C25/LM10011 Reference Design. The K2E requires the use of AVS Smart Reflex control for the CVDD core voltage. This design provides method of generating the proper voltage without the need for any software. The circuit is currently implemented on the XEVMK2EX
主要特色
-
Embedded System TypeDSP
-
Family Name66AK2E
-
Core ProcessorARM Cortex-A15
Featured Parts (9)
| 零件编号 | 供应商 | 类别 | 说明 | |||
|---|---|---|---|---|---|---|
|
|
LM10011SDX/NOPB | Texas Instruments | DC to DC Controllers | DC/DC Cntrlr Single-OUT Step Down 10-Pin WSON EP T/R | 买入 | |
|
|
TPS544C22RVFR | Texas Instruments | DC to DC Converter and Switching Regulator Chip | Conv DC-DC 4.5V to 18V Synchronous Step Down Single-Out 0.5V to 5.5V 30A 40-Pin LQFN-CLIP EP T/R | 买入 | |
|
|
TPS544C20RVFT | Texas Instruments | DC to DC Converter and Switching Regulator Chip | Conv DC-DC 4.5V to 18V Synchronous Step Down Single-Out 0.6V to 5.5V 30A 40-Pin LQFN-CLIP EP T/R | 买入 | |
|
|
TPS544C25RVFR | Texas Instruments | DC to DC Converter and Switching Regulator Chip | Conv DC-DC 4.5V to 18V Synchronous Step Down Single-Out 0.5V to 5.5V 30A 40-Pin LQFN-CLIP EP T/R | 买入 | |
|
|
TPS544C20RVFR | Texas Instruments | DC to DC Converter and Switching Regulator Chip | Conv DC-DC 4.5V to 18V Synchronous Step Down Single-Out 0.6V to 5.5V 30A 40-Pin LQFN-CLIP EP T/R | 买入 | |
|
|
LM10011SDX/NOPB | Texas Instruments | DC to DC Controllers | DC/DC Cntrlr Single-OUT Step Down 10-Pin WSON EP T/R | 买入 | |
|
|
LM10011SD/NOPB | Texas Instruments | DC to DC Controllers | DC/DC Cntrlr Single-OUT Step Down 10-Pin WSON EP T/R | 买入 | |
|
|
TPS544C25RVFT | Texas Instruments | DC to DC Converter and Switching Regulator Chip | Conv DC-DC 4.5V to 18V Synchronous Step Down Single-Out 0.5V to 5.5V 30A 40-Pin LQFN-CLIP EP T/R | 买入 | |
|
|
LM10011SD/NOPB | Texas Instruments | DC to DC Controllers | DC/DC Cntrlr Single-OUT Step Down 10-Pin WSON EP T/R | 买入 | |