过滤器
| 说明 | 依据发布人 | 依据应用 | 依据最终产品 | |||
|---|---|---|---|---|---|---|
V16n03-03-LTC4245-SachdevCompact Solution for Hot-Swap and Supply Monitoring in Compact PCI and PCI Express Systems |
Analog Devices | Power Management | Industrial, Communications and Telecom, Servers, Data Storage Devices | |||
DN329 |
Analog Devices | Interface | Communications and Telecom, Data Storage Devices | |||
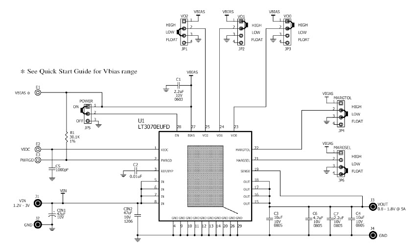
LT3070_Typical ApplicationTypical Application for LT3070 - 5A, Low Noise, Programmable Output, 85mV Dropout Linear Regulator |
Analog Devices | Power Supplies | Servers, Data Storage Devices, Buck Converter, DSP/FPGA/Microprocessor Supplies, Microprocessor Power Supply | |||
DC2293A-B |
Analog Devices | Power Management | Servers, Data Storage Devices, Telecom Equipments | |||
DC2450A-B |
Analog Devices | Power Management | Servers, Data Storage Devices, Telecom Equipments | |||
DC2450A-A |
Analog Devices | Power Management | Servers, Data Storage Devices, Telecom Equipments | |||
DC2293A-A |
Analog Devices | Power Management | Servers, Data Storage Devices, Telecom Equipments | |||
LT3071_Typical Application |
Analog Devices | Power Supplies | Servers, Data Storage Devices, Buck Converter, DSP/FPGA/Microprocessor Supplies, Microprocessor Power Supply | |||
LTM8028_Typical ApplicationTypical Application for LTM8028 - 36VIN, UltraFast, Low Output Noise 5A module Regulator |
Analog Devices | Power Supplies | Servers, Data Storage Devices, DSP/FPGA/Microprocessor Supplies, High-Speed Bus Termination, Microprocessor Power Supply | |||
DC1811A-KIT |
Analog Devices | Power Supplies | Telecom Infrastructure, Data Storage Devices | |||
DC2171A-ADC2171A-A, Demo Board features the LTM4623, 3A Ultrathin Step-Down Module Regulator |
Analog Devices | Power Supplies | Industrial, Medical and Healthcare, Industrial Networking, Telecom Infrastructure, Data Storage Devices | |||
DC2171A-BDC2171A-B, Demo Board features the LTM4625, 5A Small Footprint Step-Down Module Regulator |
Analog Devices | Power Supplies | Industrial, Medical and Healthcare, Industrial Networking, Telecom Infrastructure, Data Storage Devices | |||
DC1818A |
Analog Devices | Power Supplies | Servers, FPGA Solutions, Data Storage Devices | |||
DC1633BDC1633B, Demonstration Board Featuring the LTC2933 Programmable Hex Voltage Supervisor with EEPROM |
Analog Devices | Power Management | Communications and Telecom, Servers, Data Storage Devices | |||
DC1583A-BLTC3625-1EDE Demo Board, VIN = 2.7V to 5.5V, VOUT= 4.5V / 4.0V @IOUT up to 1A |
Analog Devices | Power Supplies | Power Supplies, Servers, Data Storage Devices, Power Meter, RAID Data Storage System | |||
AN4033 |
Analog Devices | Power Management | Servers, Cell Basestation, Workstation, Data Storage Devices, Central Office Switch | |||
MAX4952BEVKIT+MAX4952BEVKIT+, Evaluation Kit for the MAX4952B Dual 1.5/3/6 Gbps SAS/SATA Redriver |
Analog Devices | Wireless Communication | Laptop, Servers, Desktop PC, Data Storage Devices, Docking Station, Workstations | |||
AN3864 |
Analog Devices | Battery Management | Processor Power Management, Data Storage Devices | |||
DN446F |
Analog Devices | Power Supplies | Industrial, Processor Power Management, Battery Management, Telecom Power Supply, Wired Networking, Data Storage Devices | |||
MAX4951CEVKIT#MAX4951CEVKIT#, Evaluation Kit for the MAX4951C 6 Gbps SATA Bidirectional Redriver |
Analog Devices | Wireless Communication | Laptop, Servers, Desktop PC, Data Storage Devices, Docking Station, Workstations | |||