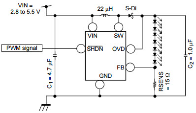
Typical Application for TB62752BFUG Step Up Type DC/DC Converter for White LED Driver

Progetto di riferimento usando la parte TB62752BFUG di Toshiba

Produttore

Toshiba
  • Categorie di applicazione
    Alimentatori
  • Tipologia di prodotti
    Alimentatori singola uscita da CC a CC

Per prodotti finali

  • WLED Backlighting

Per contattare il Servizio Clienti.

  • Typical Application for TB62752BFUG Step Up Type DC/DC Converter for White LED Driver. The TB62752BFUG is a high efficient Step-Up Type DC-DC Converter specially designed for constant current driving of White LED

Funzioni principali

  • Conversion Type
    DC to DC
  • Topology
    Boost

Non perderti le ultime novità sull'elettronica

Abbiamo aggiornato la nostra Politica sulla privacy. Ti preghiamo di verificare le modifiche apportate. Facendo clic su "Accetto", dichiari di accettare la Politica sulla privacy e i Termini di utilizzo di Arrow Electronics.

Il nostro sito web mette i cookies sul vostro dispositivo per migliorare la vostra esperienza e il nostro sito. Leggete altre informazioni sui cookies che usiamo e su come disabilitarli qui. I cookies e le tecnologie di tracking possono essere usati per scopi commerciali.

Con un click su “Accept”, voi consentite l'inserimento dei cookies sul vostro dispositivo e l'uso da parte nostra di tecnologie di tracking. Per avere altre informazioni e istruzioni su come disabilitare i cookies e le tecnologie di tracking, clickate su “Read More” qui sotto. Mentre l'accettazione dei cookies e delle tecnologie di tracking è volontaria, una loro disabilitazione potrebbe determinare un funzionamento non corretto del sito web, ed alcuni messaggi di allarme potrebbero essere per voi meno importanti.

Noi rispettiamo la vostra privacy. Leggete qui la nostra politica relativa alla privacy