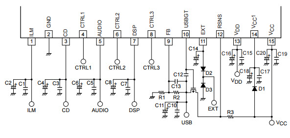
Typical Application Circuit for LV5692P Multi-Power Supply System IC for Car Audio Systems

Progetto di riferimento usando la parte LV5692P di onsemi

Produttore

onsemi
  • Categorie di applicazione
    Alimentatori
  • Tipologia di prodotti
    Alimentatori singola uscita da CC a CC

Per prodotti finali

  • Power Supplies

Per contattare il Servizio Clienti.

  • Typical Application Circuit for LV5692P Multi-Power Supply System IC for Car Audio Systems

Funzioni principali

  • Conversion Type
    DC to DC

Non perderti le ultime novità sull'elettronica

Abbiamo aggiornato la nostra Politica sulla privacy. Ti preghiamo di verificare le modifiche apportate. Facendo clic su "Accetto", dichiari di accettare la Politica sulla privacy e i Termini di utilizzo di Arrow Electronics.

Il nostro sito web mette i cookies sul vostro dispositivo per migliorare la vostra esperienza e il nostro sito. Leggete altre informazioni sui cookies che usiamo e su come disabilitarli qui. I cookies e le tecnologie di tracking possono essere usati per scopi commerciali.

Con un click su “Accept”, voi consentite l'inserimento dei cookies sul vostro dispositivo e l'uso da parte nostra di tecnologie di tracking. Per avere altre informazioni e istruzioni su come disabilitare i cookies e le tecnologie di tracking, clickate su “Read More” qui sotto. Mentre l'accettazione dei cookies e delle tecnologie di tracking è volontaria, una loro disabilitazione potrebbe determinare un funzionamento non corretto del sito web, ed alcuni messaggi di allarme potrebbero essere per voi meno importanti.

Noi rispettiamo la vostra privacy. Leggete qui la nostra politica relativa alla privacy