TIDA-00403, Ultrasonic Distance Measurement using the TLV320AIC3268 miniDSP CODEC Reference Design
Progetto di riferimento usando la parte PCM5242RHB di Texas Instruments
Per prodotti finali
- Industrial
- Instrumentation and Measurement
Per contattare il Servizio Clienti.
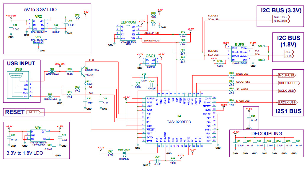
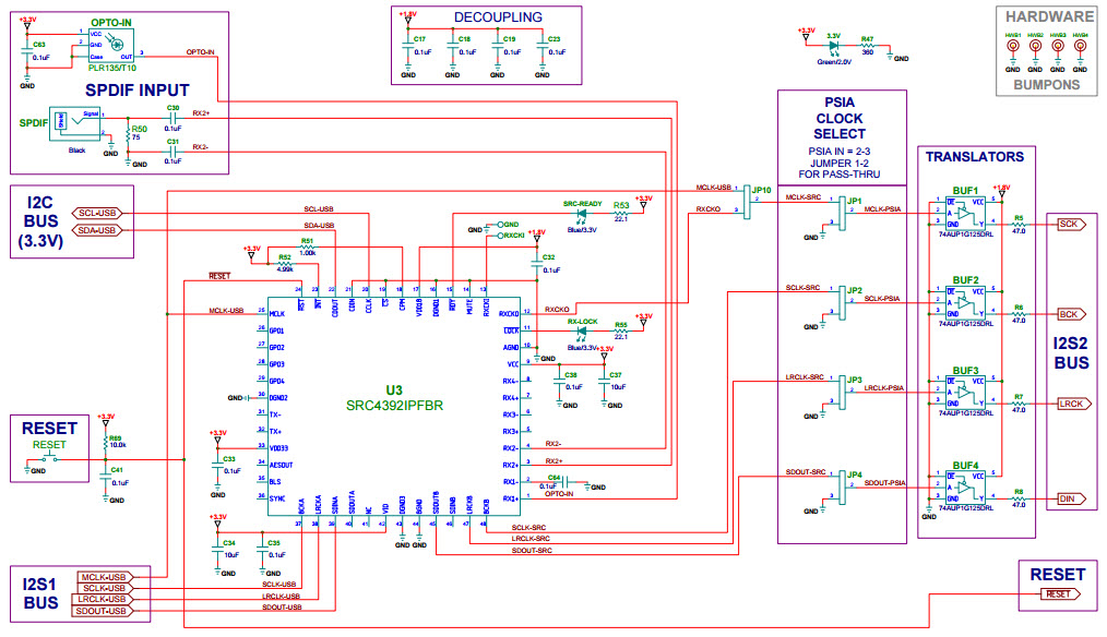
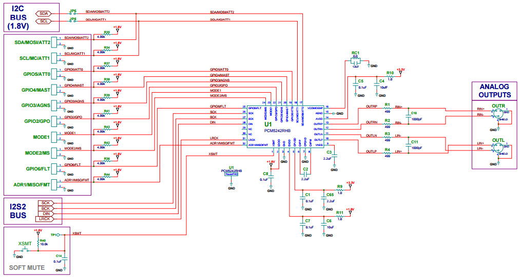
- TIDA-00403, Ultrasonic Distance Measurement using the TLV320AIC3268 miniDSP CODEC Reference Design. The reference design uses off-the-shelf EVMs for ultrasonic distance measurement solutions using algorithms within the TLV320AIC3268 miniDSP. In conjunction with PurePath Studio design suite, a robust and user configurable ultrasonic distance measurement system can be designed with the click of a mouse. The ultrasonic burst generation characteristics as well as detection algorithms can be user modified to fit specific use cases in industrial and measurement applications allowing users to overcome the limitations of other fixed function sensors while simultaneously increasing reliability of the measurements
Parti in primo piano (23)
| Numero parte | Produttore | Tipo | Per contattare il Servizio Clienti. | |||
|---|---|---|---|---|---|---|
|
|
TXB0101DBVR | Texas Instruments | Level Translators | Voltage Level Translator 1-CH Bidirectional 6-Pin SOT-23 T/R | ACQUISTA | |
|
|
TPS73533DRVT | Texas Instruments | Linear Regulators | LDO Regulator Pos 3.3V 0.5A 6-Pin WSON EP T/R | ACQUISTA | |
|
|
24LC256-I/MS | Microchip Technology | EEPROM | EEPROM Serial-I2C 256K-bit 32K x 8 3.3V/5V 8-Pin MSOP Tube | ACQUISTA | |
|
|
TLV320AIC3268IRGCR | Texas Instruments | Audio CODECs | PCM Audio Codec 2ADC / 2DAC Ch 64-Pin VQFN EP T/R | ACQUISTA | |
|
|
24FC512-I/MF | Microchip Technology | EEPROM | EEPROM Serial-I2C 512K-bit 64K x 8 1.8V/2.5V/3.3V/5V 8-Pin DFN-S EP Tube | ACQUISTA | |
|
|
SN74LVC2G17DBVR | Texas Instruments | Buffers and Line Drivers | Schmitt Trigger Buffer 2-CH Non-Inverting Push-Pull CMOS 6-Pin SOT-23 T/R | ACQUISTA | |
|
|
TPS73633DBVT | Texas Instruments | Linear Regulators | LDO Regulator Pos 3.3V 0.4A 5-Pin SOT-23 T/R | ACQUISTA | |
|
|
SN74AUP1G125DRLR | Texas Instruments | Buffers and Line Drivers | Buffer/Line Driver 1-CH Non-Inverting 3-ST CMOS 5-Pin SOT-553 T/R | ACQUISTA | |
|
|
TXS0104EPWR | Texas Instruments | Level Translators | Voltage Level Translator 4-CH Bidirectional 14-Pin TSSOP T/R | ACQUISTA | |
|
|
SN74LVC2G157DCTR | Texas Instruments | Multiplexers | Multiplexer 1-Element CMOS Push-Pull 2-IN 8-Pin SSOP T/R | ACQUISTA | |
|
|
TCA9539PWR | Texas Instruments | GPIO Expanders | I2C/SMBus Interface 100kHz/400kHz 5.5V 24-Pin TSSOP T/R | ACQUISTA | |
|
|
SN74LVC2G04DBVR | Texas Instruments | Inverters and Schmitt Triggers | Inverter 2-Element CMOS 6-Pin SOT-23 T/R | ACQUISTA | |