TIDA-00269, Gigabit Ethernet Link Aggregator Reference Design
Progetto di riferimento usando la parte TLK10081CTR di Texas Instruments
Documenti associati
Per prodotti finali
- Optical Networking: EPON
Per contattare il Servizio Clienti.
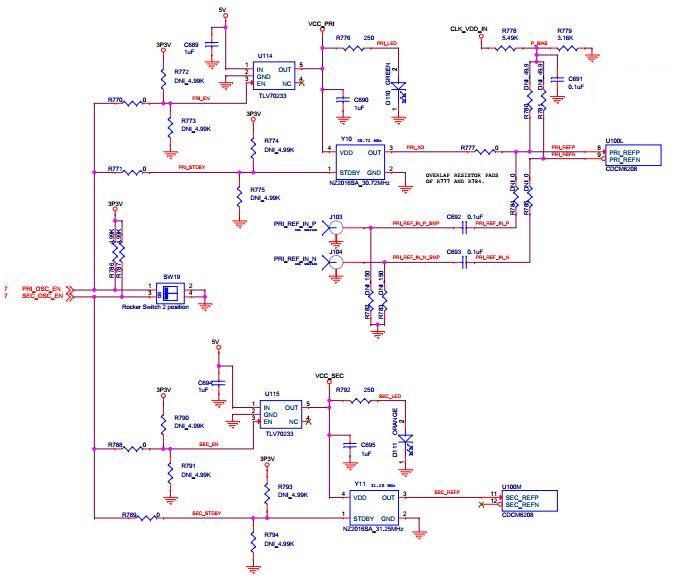
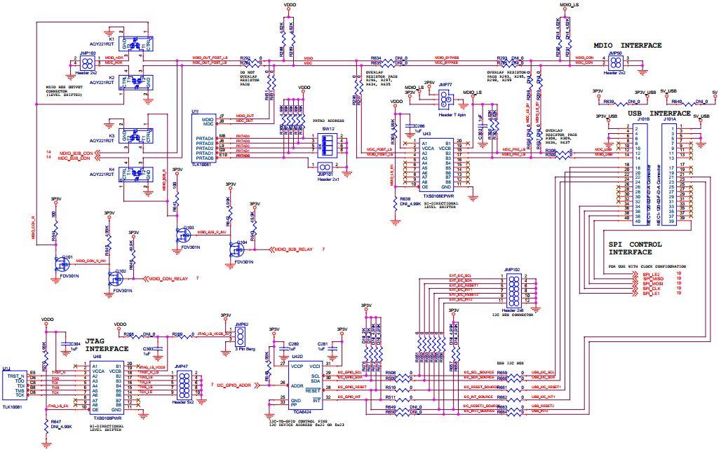
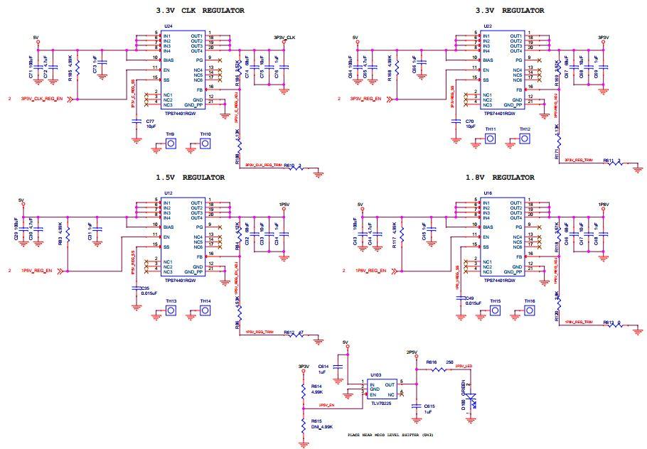
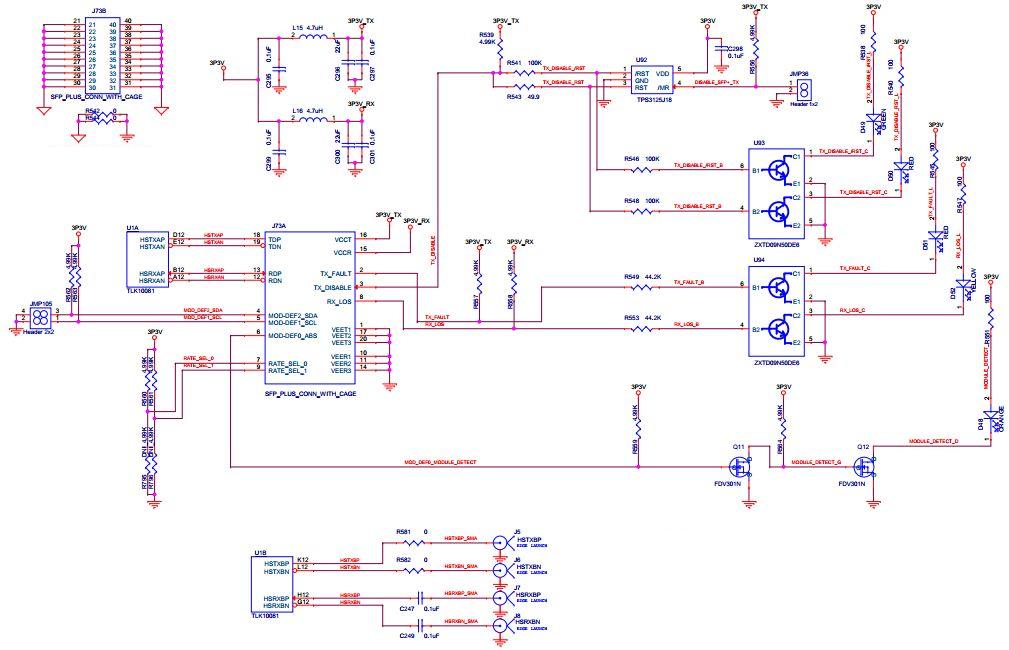
- TIDA-00269, Gigabit Ethernet Link Aggregator Reference Design. The Gigabit Ethernet Link Aggregator reference design features the TLK10081 device which is a multi-rate link aggregator intended for use in high-speed bi-directional point-to-point data transmission systems to reduce the number of physical links by multiplexing lower speed serial links into higher speed serial links. This reference design helps customers reduce the number of serial links that need to be implemented and managed within an application. It featured is the CDCM6208 device that can provide extremely low-jitter Clock input to the TLK10081 in customer systems that do not have one available
Parti in primo piano (13)
| Numero parte | Produttore | Tipo | Per contattare il Servizio Clienti. | |||
|---|---|---|---|---|---|---|
|
|
CDCM6208V1RGZR | Texas Instruments | Clock Generators and Synthesizers | Clock Generator 0.008MHz to 250MHz-IN 800MHz-OUT 48-Pin VQFN EP T/R | ACQUISTA | |
|
|
TPS3125J18DBVR | Texas Instruments | Supervisory Circuits | Processor Supervisor 1.62V 1 Active High/Active Low/Push-Pull 5-Pin SOT-23 T/R | ACQUISTA | |
|
|
SN74AVCH1T45DCKR | Texas Instruments | Level Translators | Voltage Level Translator 1-CH Bidirectional 6-Pin SC-70 T/R | ACQUISTA | |
|
|
CDCM6208V1RGZT | Texas Instruments | Clock Generators and Synthesizers | Clock Generator 0.008MHz to 250MHz-IN 800MHz-OUT 48-Pin VQFN EP T/R | ACQUISTA | |
|
|
CDCLVP1204RGTR | Texas Instruments | Clock Buffers and Drivers | Clock Fanout Buffer 4-OUT 2-IN 1:4 16-Pin VQFN EP T/R | ACQUISTA | |
|
|
TLV70225DBVT | Texas Instruments | Linear Regulators | LDO Regulator Pos 2.5V 0.3A 5-Pin SOT-23 T/R | ACQUISTA | |
|
|
CDCLVP1204RGTT | Texas Instruments | Clock Buffers and Drivers | Clock Fanout Buffer 4-OUT 2-IN 1:4 16-Pin VQFN EP T/R | ACQUISTA | |
|
|
SN74LVC1G08DBVR | Texas Instruments | Logic Gates | AND Gate 1-Element 2-IN CMOS 5-Pin SOT-23 T/R | ACQUISTA | |
|
|
TXB0108PWR | Texas Instruments | Level Translators | Voltage Level Translator 8-CH Bidirectional 20-Pin TSSOP T/R | ACQUISTA | |
|
|
TPS74401RGWT | Texas Instruments | Linear Regulators | LDO Regulator Pos 0.8V to 3.6V 3A 20-Pin VQFN EP T/R | ACQUISTA | |
|
|
TLV70233DBVT | Texas Instruments | Linear Regulators | LDO Regulator Pos 3.3V 0.3A 5-Pin SOT-23 T/R | ACQUISTA | |
|
|
TXS0108EPWR | Texas Instruments | Level Translators | Voltage Level Translator 8-CH Bidirectional 20-Pin TSSOP T/R | ACQUISTA | |