TIDA-00155, DLP Near-Infrared Spectrometer for Optical Analysis of Liquids and Solids
Progetto di riferimento usando la parte DLPC350ZFF di Texas Instruments
Per prodotti finali
- Food Processor
- Medical and Healthcare
- Solid state lighting
Per contattare il Servizio Clienti.
- TIDA-00155, DLP Near-Infrared Spectrometer for Optical Analysis of Liquids and Solids. This near-infrared (NIR) spectrometer reference design utilizes DLP technology in conjunction with a single-element In GaAs detector to deliver high performance measurements in a portable form factor that is more affordable than expensive In GaAs array detector or fragile rotating grating architectures. NIR spectrometers are commonly used to analyze organic-based liquids and solids for applications including food, agriculture, pharmaceuticals, petrochemicals and plastics to name a few
Funzioni principali
-
Signal Conditioning TypeAmplification
Parti in primo piano (59)
| Numero parte | Produttore | Tipo | Per contattare il Servizio Clienti. | |||
|---|---|---|---|---|---|---|
|
|
TPS79733DCKT | Texas Instruments | Linear Regulators | LDO Regulator Pos 3.3V 0.05A 5-Pin SC-70 T/R | ACQUISTA | |
|
|
SN74AVC2T45DCUR | Texas Instruments | Level Translators | Voltage Level Translator 2-CH Bidirectional 8-Pin VSSOP T/R | ACQUISTA | |
|
|
SN74AHC1G09DBVR | Texas Instruments | Logic Gates | AND Gate 1-Element 2-IN CMOS 5-Pin SOT-23 T/R | ACQUISTA | |
|
|
REF5050AQDRQ1 | Texas Instruments | Voltage References | V-Ref Precision 5V 10mA Automotive AEC-Q100 8-Pin SOIC T/R | ACQUISTA | |
|
|
LAN8710A-EZC | Microchip Technology | PHY | PHY 1-CH 10Mbps/100Mbps 2.5V/3.3V 32-Pin VQFN EP Tray | ACQUISTA | |
|
|
TPS71733DCKR | Texas Instruments | Linear Regulators | LDO Regulator Pos 3.3V 0.15A 5-Pin SC-70 T/R | ACQUISTA | |
|
|
OPA350EA/250 | Texas Instruments | Operational Amplifiers - Op Amps | Op Amp Single Precision Amplifier R-R I/O ±2.75V/5.5V 8-Pin VSSOP T/R | ACQUISTA | |
|
|
OPA2376AID | Texas Instruments | Operational Amplifiers - Op Amps | Op Amp Dual Precision Amplifier R-R I/O ±2.75V/5.5V 8-Pin SOIC Tube | ACQUISTA | |
|
|
OPA340NA/3K | Texas Instruments | Operational Amplifiers - Op Amps | Op Amp Single Precision Amplifier R-R I/O 5.5V 5-Pin SOT-23 T/R | ACQUISTA | |
|
|
SN74AVC2T45DCUT | Texas Instruments | Level Translators | Voltage Level Translator 2-CH Bidirectional 8-Pin VSSOP T/R | ACQUISTA | |
|
|
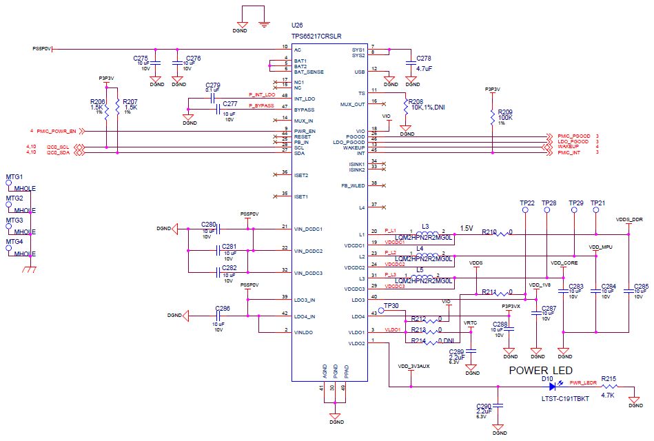
TPS65217CRSLR | Texas Instruments | PMIC Solutions | Power Management IC 2.75V to 5.5V 48-Pin VQFN EP T/R | ACQUISTA | |
|
|
TPS65251RHAR | Texas Instruments | PMIC Solutions | Conv DC-DC 4.5V to 18V Synchronous Step Down Triple-Out 0.8V to 17V 3A/2A/2A 40-Pin VQFN EP T/R | ACQUISTA | |