TIDA-00028, 1.6-MHz Synchronous Switch-Mode Li-Ion and Li-Polymer Stand-alone Battery Charger (4A)

Progetto di riferimento usando la parte BQ24170R di Texas Instruments

Produttore

Texas Instruments
  • Categorie di applicazione
    Gestione batteria
  • Tipologia di prodotti
    Caricatore batteria

Per prodotti finali

  • Battery Charger
  • Medical and Healthcare
  • Netbook
  • Portable
  • Printers
  • Tablet

Per contattare il Servizio Clienti.

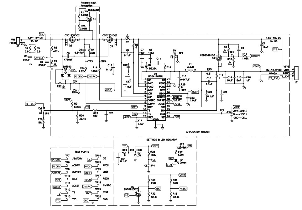
  • TIDA-00028, is highly integrated stand-alone Li-ion and Li-polymer switch-mode battery charge solution with two integrated N-channel power MOSFETs and a power path selector gate driver. It offers a constant-frequency synchronous PWM controller with high accuracy regulation of input current, charge current and voltage. It also provides battery detection, pre-conditioning, charge termination, and charge status monitoring. The reference design is also called the HPA715 (-001). This solution is optimized for a 5V input voltage and charges a single cell 4.2V Li-ion battery

Funzioni principali

  • Battery Type
    Lithium-Ion|Lithium-Polymer
  • Input Voltage
    16 V
  • Number of Battery Cells
    1

Non perderti le ultime novità sull'elettronica

Abbiamo aggiornato la nostra Politica sulla privacy. Ti preghiamo di verificare le modifiche apportate. Facendo clic su "Accetto", dichiari di accettare la Politica sulla privacy e i Termini di utilizzo di Arrow Electronics.

Il nostro sito web mette i cookies sul vostro dispositivo per migliorare la vostra esperienza e il nostro sito. Leggete altre informazioni sui cookies che usiamo e su come disabilitarli qui. I cookies e le tecnologie di tracking possono essere usati per scopi commerciali.

Con un click su “Accept”, voi consentite l'inserimento dei cookies sul vostro dispositivo e l'uso da parte nostra di tecnologie di tracking. Per avere altre informazioni e istruzioni su come disabilitare i cookies e le tecnologie di tracking, clickate su “Read More” qui sotto. Mentre l'accettazione dei cookies e delle tecnologie di tracking è volontaria, una loro disabilitazione potrebbe determinare un funzionamento non corretto del sito web, ed alcuni messaggi di allarme potrebbero essere per voi meno importanti.

Noi rispettiamo la vostra privacy. Leggete qui la nostra politica relativa alla privacy