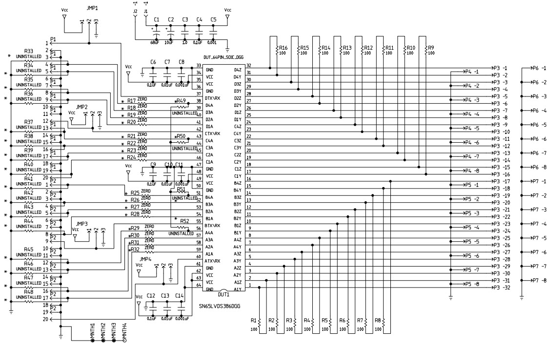
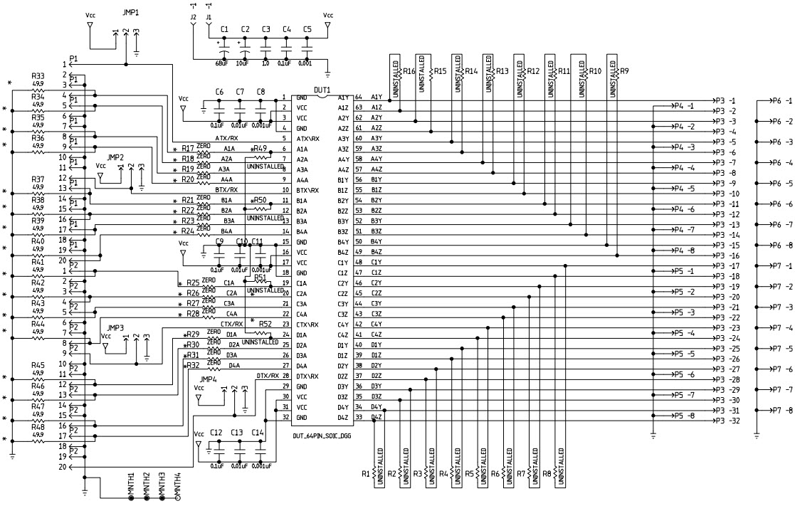
SN65LVDS386EVM, 16-channel LVDS Receiver Evaluation Module

Progetto di riferimento usando la parte SN65LVDS386DGG di Texas Instruments

Produttore

Texas Instruments
  • Categorie di applicazione
    Interfaccia
  • Tipologia di prodotti
    Serializzatore/deserializzatore LVDS

Per prodotti finali

  • Industrial

Per contattare il Servizio Clienti.

  • SN65LVDS386EVM, has designed easy-to-use evaluation modules (EVMs) for its 16-channel Low-Voltage Differential Signaling (LVDS) driver and receivers. Flexibility has been designed into these EVMs so they can be set up in a point-to-point topology (1 driver to 1 receiver) or a multi-drop topology (1 driver to various receivers). Detailed instructions and diagrams have been included for the above mentioned interconnections to facilitate set up and help system designers reduce design cycle time

Non perderti le ultime novità sull'elettronica

Abbiamo aggiornato la nostra Politica sulla privacy. Ti preghiamo di verificare le modifiche apportate. Facendo clic su "Accetto", dichiari di accettare la Politica sulla privacy e i Termini di utilizzo di Arrow Electronics.

Il nostro sito web mette i cookies sul vostro dispositivo per migliorare la vostra esperienza e il nostro sito. Leggete altre informazioni sui cookies che usiamo e su come disabilitarli qui. I cookies e le tecnologie di tracking possono essere usati per scopi commerciali.

Con un click su “Accept”, voi consentite l'inserimento dei cookies sul vostro dispositivo e l'uso da parte nostra di tecnologie di tracking. Per avere altre informazioni e istruzioni su come disabilitare i cookies e le tecnologie di tracking, clickate su “Read More” qui sotto. Mentre l'accettazione dei cookies e delle tecnologie di tracking è volontaria, una loro disabilitazione potrebbe determinare un funzionamento non corretto del sito web, ed alcuni messaggi di allarme potrebbero essere per voi meno importanti.

Noi rispettiamo la vostra privacy. Leggete qui la nostra politica relativa alla privacy