PMP6659, Wide Input Range 15W PoE Converter

Progetto di riferimento usando la parte TPS23756PWP di Texas Instruments

Produttore

Texas Instruments
  • Categorie di applicazione
    Alimentatori
  • Tipologia di prodotti
    Alimentatori singola uscita da CC a CC

Per contattare il Servizio Clienti.

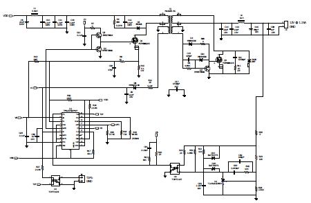
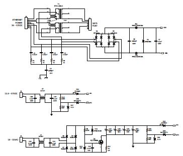
  • PMP6659, Wide Input Range 15W PoE Converter. PMP6659 is a flyback converter with synchronous rectification. It accepts input voltages of 10.8-57VDC/18-32VAC/PoE and has a 12V/1.25A output. This input and output combination is typically required for PoE security cameras. The synchronous rectifier provides excellent efficiency with the wide input voltage range

Funzioni principali

  • Conversion Type
    DC to DC
  • Input Voltage
    10.8 to 57 V
  • Output Voltage
    12 V
  • Output Current
    1.25 A
  • Output Power
    15 W
  • Topology
    Flyback- Synchronous|PoE

Non perderti le ultime novità sull'elettronica

Abbiamo aggiornato la nostra Politica sulla privacy. Ti preghiamo di verificare le modifiche apportate. Facendo clic su "Accetto", dichiari di accettare la Politica sulla privacy e i Termini di utilizzo di Arrow Electronics.

Il nostro sito web mette i cookies sul vostro dispositivo per migliorare la vostra esperienza e il nostro sito. Leggete altre informazioni sui cookies che usiamo e su come disabilitarli qui. I cookies e le tecnologie di tracking possono essere usati per scopi commerciali.

Con un click su “Accept”, voi consentite l'inserimento dei cookies sul vostro dispositivo e l'uso da parte nostra di tecnologie di tracking. Per avere altre informazioni e istruzioni su come disabilitare i cookies e le tecnologie di tracking, clickate su “Read More” qui sotto. Mentre l'accettazione dei cookies e delle tecnologie di tracking è volontaria, una loro disabilitazione potrebbe determinare un funzionamento non corretto del sito web, ed alcuni messaggi di allarme potrebbero essere per voi meno importanti.

Noi rispettiamo la vostra privacy. Leggete qui la nostra politica relativa alla privacy