PMP5539.2, Isolated Flyback, Bucks (3.3V@35mA) for Consumer Applications

Progetto di riferimento usando la parte TPS62120DCN di Texas Instruments

Produttore

Texas Instruments
  • Categorie di applicazione
    Alimentatori
  • Tipologia di prodotti
    Alimentatori multiuscita da CC a CC

Per contattare il Servizio Clienti.

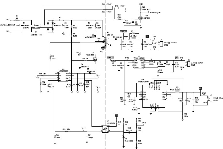
  • PMP5539.2, Isolated Flyback, Bucks (3.3V@35mA) for Consumer Applications. This reference design is a multi-output isolated flyback, working from universal line. The main regulated output is 9.6V, it supplies the main load @ 400mA and two further outputs by means of low power buck converters. The converter takes advantage of the cascade-flyback topology and quasi-resonant working mode to deliver low EMI and good efficiency at light load. A small capacitive coupling circuit sends to the secondary side the information of the mains frequency

Funzioni principali

  • Conversion Type
    DC to DC
  • Input Voltage
    7 to 12 V
  • Output Voltage
    3.3 V
  • Output Power
    0.0116 W
  • Topology
    Buck- Integrated Switch

Non perderti le ultime novità sull'elettronica

Abbiamo aggiornato la nostra Politica sulla privacy. Ti preghiamo di verificare le modifiche apportate. Facendo clic su "Accetto", dichiari di accettare la Politica sulla privacy e i Termini di utilizzo di Arrow Electronics.

Il nostro sito web mette i cookies sul vostro dispositivo per migliorare la vostra esperienza e il nostro sito. Leggete altre informazioni sui cookies che usiamo e su come disabilitarli qui. I cookies e le tecnologie di tracking possono essere usati per scopi commerciali.

Con un click su “Accept”, voi consentite l'inserimento dei cookies sul vostro dispositivo e l'uso da parte nostra di tecnologie di tracking. Per avere altre informazioni e istruzioni su come disabilitare i cookies e le tecnologie di tracking, clickate su “Read More” qui sotto. Mentre l'accettazione dei cookies e delle tecnologie di tracking è volontaria, una loro disabilitazione potrebbe determinare un funzionamento non corretto del sito web, ed alcuni messaggi di allarme potrebbero essere per voi meno importanti.

Noi rispettiamo la vostra privacy. Leggete qui la nostra politica relativa alla privacy