MAX32625-EVKIT#, Evaluation Kit for MAX32625 Ultra-Low-Power Arm Cortex-M4 with FPU-Based Microcontroller (MCU)
Progetto di riferimento usando la parte MAX32625IWY+ di Analog Devices
Per prodotti finali
- Fitness Monitor
- Fitness Wearable Devices
- Portable Medical Devices
- Sensors and Hubs
- Sport Watch
Per contattare il Servizio Clienti.
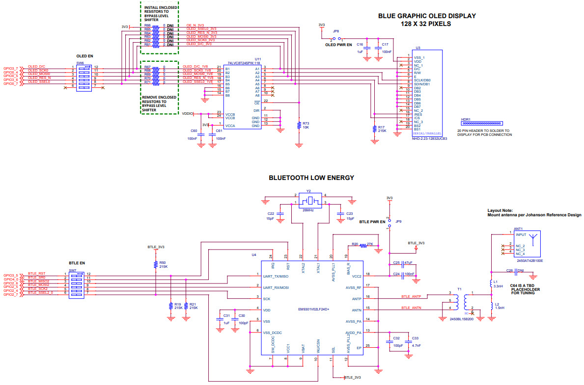
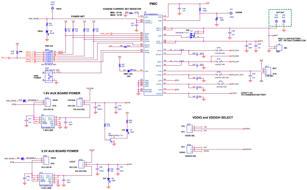
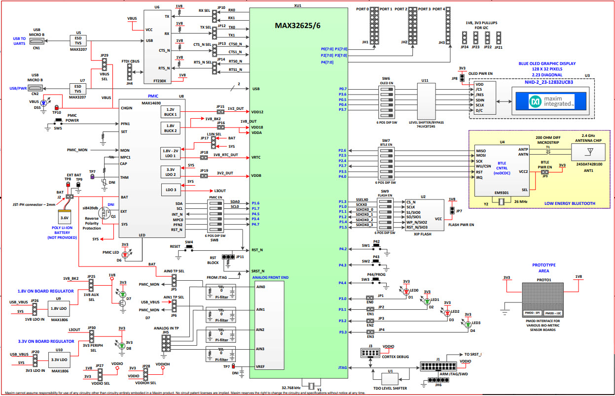
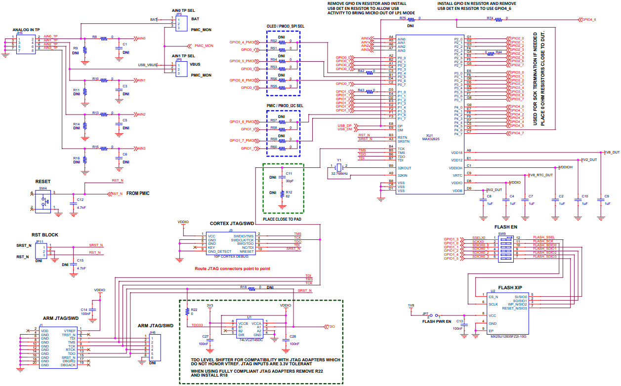
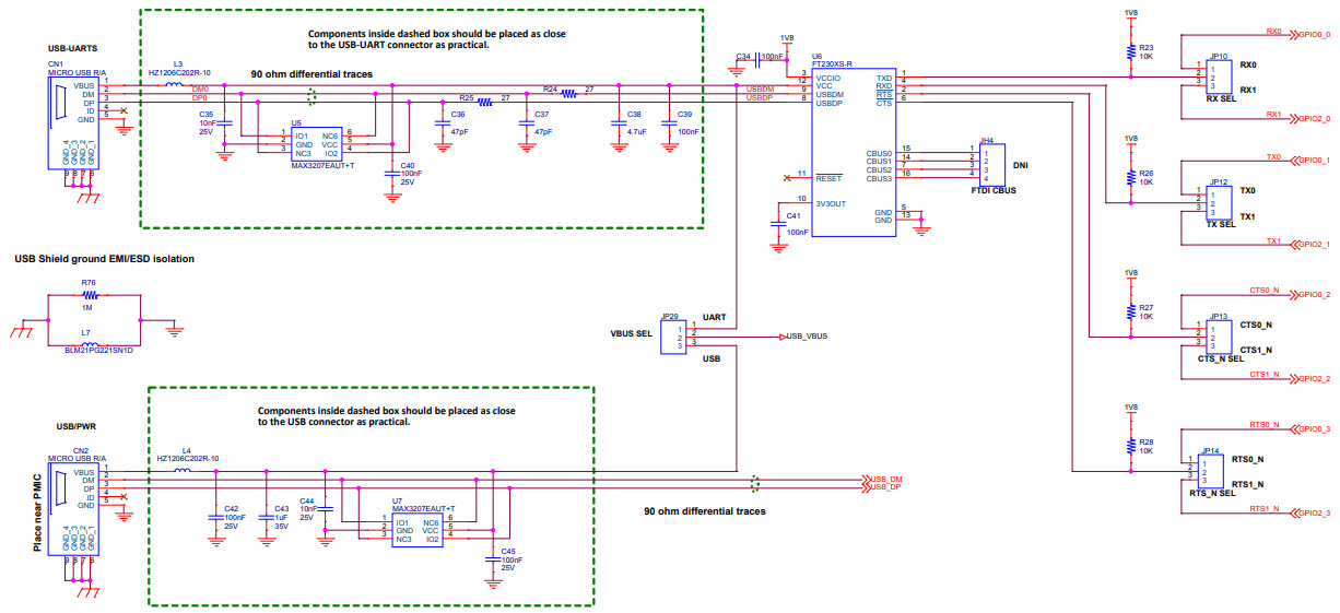
- MAX32625-EVKIT#, Evaluation Kit (EV kit) provides a convenient platform for evaluating the capabilities of the MAX32625 microcontroller. The EV kit also provides a complete, functional system ideal for developing and debugging applications
Funzioni principali
-
Embedded System TypeMCU
-
Core ProcessorARM Cortex-M4
Parti in primo piano (23)
| Numero parte | Produttore | Tipo | Per contattare il Servizio Clienti. | |||
|---|---|---|---|---|---|---|
|
|
MAX1806EUA18+T | Analog Devices | Linear Regulators | LDO Regulator Pos 1.8V 0.5A 8-Pin uMAX T/R | ACQUISTA | |
|
|
TDA06H0SB1R | C&K | Switch DIP | Switch DIP OFF ON SPST 6 Recessed Slide 0.025A 24VDC Gull Wing 1000Cycles 1.27mm SMD T/R | ACQUISTA | |
|
|
MAX14690NEWX+ | Analog Devices | Battery Management ICs | Linear Battery Charger 200mA 0.8V to 3.6V 36-Pin WLP T/R | ACQUISTA | |
|
|
74LVC8T245PW,118 | Nexperia | Level Translators | Voltage Level Translator 8-CH Bidirectional 24-Pin TSSOP T/R | ACQUISTA | |
|
|
ABS07-32.768KHZ-6-T | Abracon | Crystals | Crystal 0.032768MHz ±20ppm (Tol) 6pF FUND 70000Ohm 2-Pin CSMD T/R | ACQUISTA | |
|
|
MAX14690NEWX+T | Analog Devices | Battery Management ICs | Linear Battery Charger 200mA 0.8V to 3.6V 36-Pin WLP T/R | ACQUISTA | |
|
|
MAX14690NEWX+T | Analog Devices | Battery Management ICs | Linear Battery Charger 200mA 0.8V to 3.6V 36-Pin WLP T/R | ACQUISTA | |
|
|
MX25U12835FZ2I-10G(TAPE & REEL) | Macronix International Co., Ltd. | Flash | NOR Flash Serial (SPI, Dual SPI, Quad SPI) 1.8V 128M-bit 128M/64M/32M x 1/2-bit/4-bit 8ns 8-Pin WSON EP | ACQUISTA | |
|
|
MAX1806EUA18+T | Analog Devices | Linear Regulators | LDO Regulator Pos 1.8V 0.5A 8-Pin uMAX T/R | ACQUISTA | |
|
|
TDA06H0SB1R | C&K | Switch DIP | Switch DIP OFF ON SPST 6 Recessed Slide 0.025A 24VDC Gull Wing 1000Cycles 1.27mm SMD T/R | ACQUISTA | |
|
|
74LVC2T45DC,125 | Nexperia | Level Translators | Voltage Level Translator 2-CH Bidirectional 8-Pin VSSOP T/R | ACQUISTA | |
|
|
MX25U12835FZ2I-10G | Macronix International Co., Ltd. | Flash | NOR Flash Serial (SPI, Dual SPI, Quad SPI) 1.8V 128M-bit 128M/64M/32M x 1/2-bit/4-bit 8ns 8-Pin WSON EP | ACQUISTA | |