MAX14502EVKIT+, Evaluation Kit for the MAX14502 Hi-Speed USB-to-SD Card Reader with Bypass
Progetto di riferimento usando la parte MAX14502AETL+ di Analog Devices
Per prodotti finali
- Cellular Phone
- Digital Still Camera
- GPS
- MP3 Player
- Personal Digital Assistant
Per contattare il Servizio Clienti.
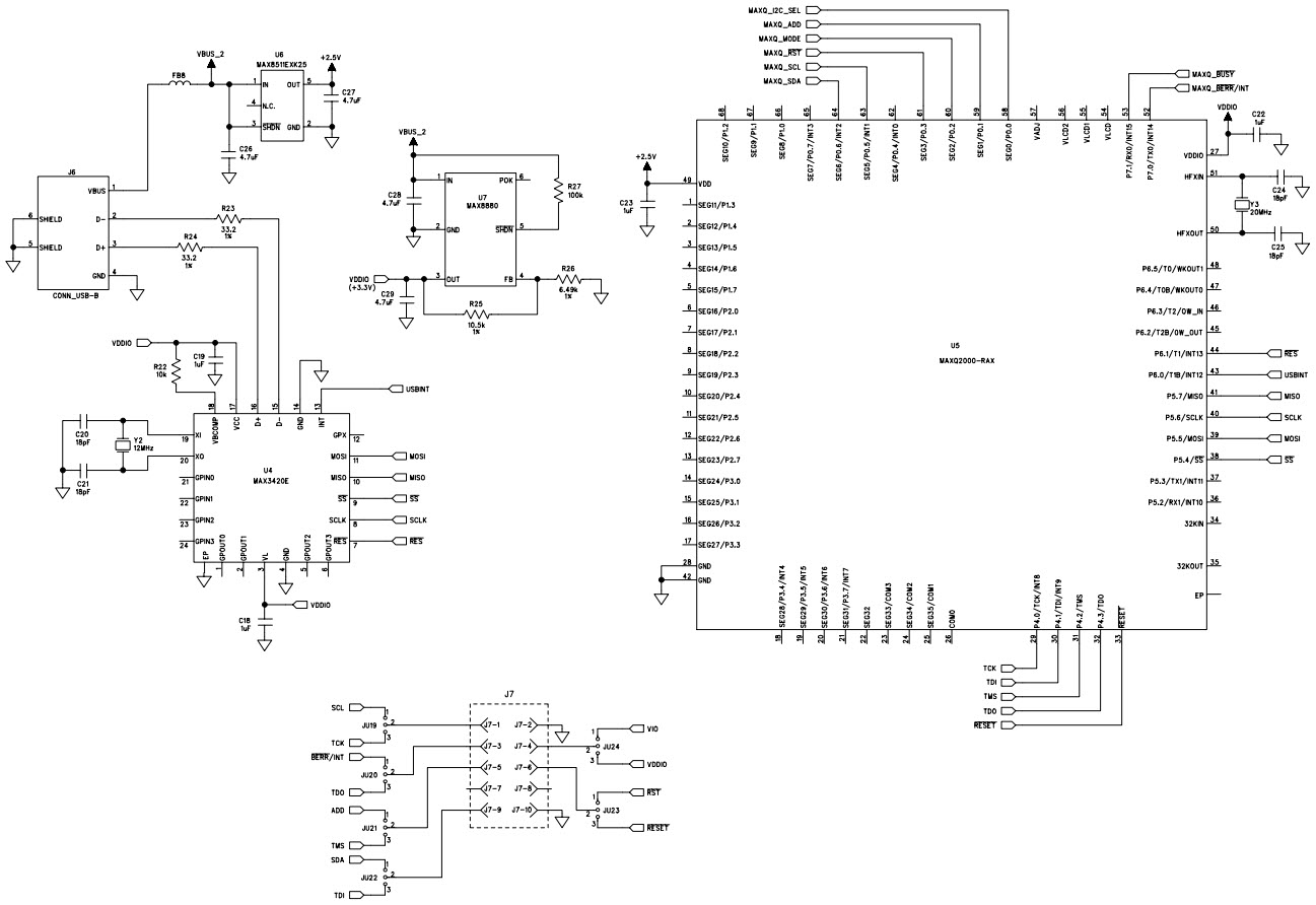
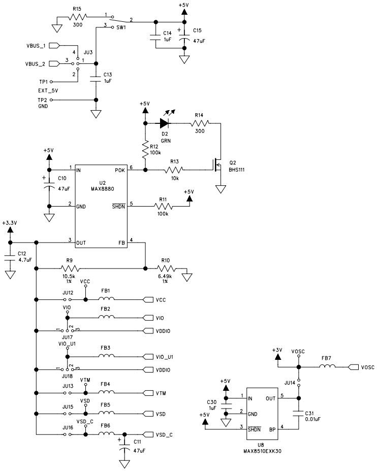
- MAX14502EVKIT+, Evaluation Kit (EV kit) provides a proven design to evaluate the MAX14502 Hi-Speed USB-to-SD card reader. The EV kit includes Windows 2000/XP- and Windows Vista-compatible software that provides a simple graphical user interface (GUI) for exercising the features of the MAX14502. The MAX14502 EV kit has a built-in USB-to-I2C bridge, allowing a PC to access the internal I²C registers of the MAX14502, as well as providing the power for the EV kit. The MAX14502 EV kit PCB comes with a MAX14502AETL+ installed
Funzioni principali
-
Interface StandardsUSB 2.0
Parti in primo piano (24)
| Numero parte | Produttore | Tipo | Per contattare il Servizio Clienti. | |||
|---|---|---|---|---|---|---|
|
|
MAX6816EUS+ | Analog Devices | Specialized Power ICs and Modules | Switch Debouncer 4-Pin SOT-143 T/R | ACQUISTA | |
|
|
MAX6816EUS+T | Analog Devices | Specialized Power ICs and Modules | Switch Debouncer 4-Pin SOT-143 T/R | ACQUISTA | |
|
|
MAX8511EXK25+ | Analog Devices | Linear Regulators | LDO Regulator Pos 2.5V 0.12A 5-Pin SC-70 T/R | ACQUISTA | |
|
|
MAX3420EETG+T | Analog Devices | USB Interface ICs | Full Speed USB Peripheral Controller USB 2.0 3.3V T/R 24-Pin TQFN EP | ACQUISTA | |
|
|
MAX8511EXK25+ | Analog Devices | Linear Regulators | LDO Regulator Pos 2.5V 0.12A 5-Pin SC-70 T/R | ACQUISTA | |
|
|
MAX8511EXK25+T | Analog Devices | Linear Regulators | LDO Regulator Pos 2.5V 0.12A 5-Pin SC-70 T/R | ACQUISTA | |
|
|
MAX6816EUS+ | Analog Devices | Specialized Power ICs and Modules | Switch Debouncer 4-Pin SOT-143 T/R | ACQUISTA | |
|
|
MAX8880EUT+ | Analog Devices | Linear Regulators | LDO Regulator Pos 1.25V to 5V 0.2A 6-Pin SOT-23 T/R | ACQUISTA | |
|
|
MAX3420EETG+ | Analog Devices | USB Interface ICs | Full Speed USB Peripheral Controller USB 2.0 3.3V Tube 24-Pin TQFN EP | ACQUISTA | |
|
|
MAX3420EETG+T | Analog Devices | USB Interface ICs | Full Speed USB Peripheral Controller USB 2.0 3.3V T/R 24-Pin TQFN EP | ACQUISTA | |
|
|
MAX8510EXK30+ | Analog Devices | Linear Regulators | LDO Regulator Pos 3V 0.12A 5-Pin SC-70 T/R | ACQUISTA | |
|
|
MAX8880EUT+T | Analog Devices | Linear Regulators | LDO Regulator Pos 1.25V to 5V 0.2A 6-Pin SOT-23 T/R | ACQUISTA | |