M5235EVB, M523xEVB Evaluation Board based on MCF5232CVM100 MPU ColdFire MCF5xxx Processor
Progetto di riferimento usando la parte MCF5232CVM100 di NXP Semiconductors
Per prodotti finali
- Clock and Timing Devices
- Motor Control
- Small Engine Control
Per contattare il Servizio Clienti.
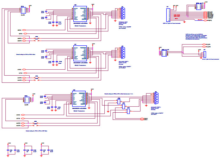
- M5235EVB, M523xEVB Evaluation Board EVB is intended to provide a mechanism for easy customer evaluation of the MCF523x family of ColdFire microprocessors and to facilitate hardware and software development. The EVB can be used by software and hardware developers to test programs, tools, or circuits without having to develop a complete microprocessor system themselves. All special features of the MCF523x family are supported. The heart of the evaluation board is the MCF5232CVM100. All the other M523x family members have a subset of the MCF5232CVM100 specification and therefore can be fully emulated using the MCF5232CVM100 device
Funzioni principali
-
Embedded System TypeMPU
-
Family NameColdFire
-
Core ProcessorColdfire V2
Parti in primo piano (10)
| Numero parte | Produttore | Tipo | Per contattare il Servizio Clienti. | |||
|---|---|---|---|---|---|---|
|
|
25546NLD | APEM | Switch Slide | Switch Slide ON ON DPDT Side Slide 0.1A 30VDC 20000Cycles PC Pins Thru-Hole | ACQUISTA | |
|
|
SN74LVC1G11DBVR | Texas Instruments | Logic Gates | AND Gate 1-Element 3-IN 6-Pin SOT-23 T/R | ACQUISTA | |
|
|
LT1086CM | Analog Devices | Linear Regulators | LDO Regulator Pos 1.25V to 23.5V 1.5A 4-Pin(3+Tab) DDPAK | ACQUISTA | |
|
|
KS11R22CQD | C&K | Switch Key | Switch Key OFF Mom SPST 0.025A 50VAC 50VDC PC Pins Thru-Hole Bulk | ACQUISTA | |
|
|
MC74LCX541DTR2G | onsemi | Buffers and Line Drivers | Buffer/Line Driver 8-CH Non-Inverting 3-ST 20-Pin TSSOP W T/R | ACQUISTA | |
|
|
KS11R22CQD | C&K | Switch Key | Switch Key OFF Mom SPST 0.025A 50VAC 50VDC PC Pins Thru-Hole Bulk | ACQUISTA | |
|
|
25546NA6 | APEM | Switch Slide | Switch Slide ON ON DPDT Side Slide 1A 30VDC 20000Cycles PC Pins Thru-Hole | ACQUISTA | |
|
|
MC74LCX541DTG | onsemi | Buffers and Line Drivers | Buffer/Line Driver 8-CH Non-Inverting 3-ST 20-Pin TSSOP W Tube | ACQUISTA | |
|
|
KS11R23CQD | C&K | Switch Key | Switch Key OFF Mom SPST 0.025A 50VAC 50VDC PC Pins Thru-Hole Bulk | ACQUISTA | |
|
|
KS11R23CQD | C&K | Switch Key | Switch Key OFF Mom SPST 0.025A 50VAC 50VDC PC Pins Thru-Hole Bulk | ACQUISTA | |