LT8410, 2.5V16V To 16V boost converter

Progetto di riferimento usando la parte LT8410 di Analog Devices

Produttore

Analog Devices
  • Categorie di applicazione
    Alimentatori
  • Tipologia di prodotti
    Alimentatori singola uscita da CC a CC

Per prodotti finali

  • Industrial
  • Remote Control

Per contattare il Servizio Clienti.

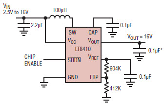
  • Circuit shows LT8410 boost converter generating a 16V output from a 2.5 to 16V input source. TheLT8410/-1 controls power delivery by varying both the peak inductor current and switch off time

Funzioni principali

  • Conversion Type
    DC to DC
  • Input Voltage
    2.5 to 16 V
  • Output Voltage
    16 V
  • Efficiency
    88 %
  • Topology
    Boost

Non perderti le ultime novità sull'elettronica

Abbiamo aggiornato la nostra Politica sulla privacy. Ti preghiamo di verificare le modifiche apportate. Facendo clic su "Accetto", dichiari di accettare la Politica sulla privacy e i Termini di utilizzo di Arrow Electronics.

Il nostro sito web mette i cookies sul vostro dispositivo per migliorare la vostra esperienza e il nostro sito. Leggete altre informazioni sui cookies che usiamo e su come disabilitarli qui. I cookies e le tecnologie di tracking possono essere usati per scopi commerciali.

Con un click su “Accept”, voi consentite l'inserimento dei cookies sul vostro dispositivo e l'uso da parte nostra di tecnologie di tracking. Per avere altre informazioni e istruzioni su come disabilitare i cookies e le tecnologie di tracking, clickate su “Read More” qui sotto. Mentre l'accettazione dei cookies e delle tecnologie di tracking è volontaria, una loro disabilitazione potrebbe determinare un funzionamento non corretto del sito web, ed alcuni messaggi di allarme potrebbero essere per voi meno importanti.

Noi rispettiamo la vostra privacy. Leggete qui la nostra politica relativa alla privacy