IOT-LS1012A-OXALIS, Oxalis is Modular Development Board compliant with 96Boards Enterprise Edition Platform based on NXP Layerscape LS1012A ARM Cortex-A53 Processor
Progetto di riferimento usando la parte LS1012A di Arrow Development Tools
Per prodotti finali
- Battery Backup
- IoT Applications
- Secure & Space Constrained Applications
- USB Power Devices
Per contattare il Servizio Clienti.
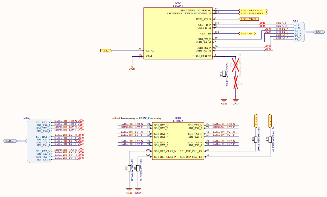
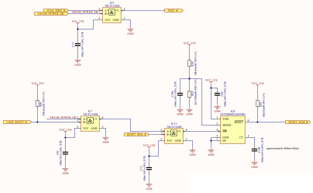
- IOT-LS1012A-OXALIS, Oxalis is Modular Development Board compliant with the 96Boards Enterprise Edition Platform specification. The evalkit consists of a Oxalis Evalkit V100 board and a System on Module (SaM-Board1012_V100) based on NXP Layerscape LS1012A processor with a single ARM Cortex-A53 core running up to 800 MHz and 1GB of 16bit DDR3L memory. The SaM-Board 1012_V100 contains also a VR5100 PMIC, 512Mbit QSPI NOR Flash, and Trusted Platform module IC from Infineon (TPM1.2). The Oxalis Evalkit V100 board equipped with 2x USB3.0, 2x Gigabit Ethernet and SATA interfaces to support the high speed connectivity
Parti in primo piano (189)
| Numero parte | Produttore | Tipo | Per contattare il Servizio Clienti. | |||
|---|---|---|---|---|---|---|
|
|
LTC3853MPUJ#PBF | Analog Devices | DC to DC Controllers | DC/DC Cntrlr Triple-OUT Step Down 750kHz 40-Pin QFN EP Tube | ACQUISTA | |
|
|
LTC3370EUH#TRPBF | Analog Devices | DC to DC Converter and Switching Regulator Chip | Conv DC-DC 2.7V to 5.5V Synchronous Step Down Quad-Out 0.8V to 5.5V 2A Automotive 32-Pin QFN EP T/R | ACQUISTA | |
|
|
LTC3370IUH#PBF | Analog Devices | DC to DC Converter and Switching Regulator Chip | Conv DC-DC 2.7V to 5.5V Synchronous Step Down Quad-Out 0.8V to 5.5V 2A 32-Pin QFN EP Tube | ACQUISTA | |
|
|
LTC3370HUH#TRPBF | Analog Devices | DC to DC Converter and Switching Regulator Chip | Conv DC-DC 2.7V to 5.5V Synchronous Step Down Quad-Out 0.8V to 5.5V 2A 32-Pin QFN EP T/R | ACQUISTA | |
|
|
NXP | NXP Semiconductors | Level Translators | Voltage Level Translator 2-CH Bidirectional 8-Pin XQFN T/R | ACQUISTA | |
|
|
PCAL9538APWJ | NXP Semiconductors | GPIO Expanders | I2C/SMBus Interface 100kHz/400kHz 5.5V 16-Pin TSSOP T/R | ACQUISTA | |
|
|
74AUP1G126SE-7 | Diodes Incorporated | Buffers and Line Drivers | Buffer/Line Driver 1-CH Non-Inverting 3-ST 5-Pin SOT-353 T/R | ACQUISTA | |
|
|
S25FS512SAGNFV010 | Infineon Technologies AG | Flash | NOR Flash Serial (SPI, Dual SPI, Quad SPI) 1.8V 512M-bit 512M/256M/128M x 1/2-bit/4-bit 8ns 8-Pin WSON EP Tray | ACQUISTA | |
|
|
S25FS512SAGMFI011 | Infineon Technologies AG | Flash | NOR Flash Serial (SPI, Dual SPI, Quad SPI) 1.8V 512M-bit 512M/256M/128M x 1/2-bit/4-bit 8ns 16-Pin SOIC W Tube | ACQUISTA | |
|
|
S25FS512SAGMFI010 | Infineon Technologies AG | Flash | NOR Flash Serial (SPI, Dual SPI, Quad SPI) 1.8V 512M-bit 512M/256M/128M x 1/2-bit/4-bit 8ns 16-Pin SOIC W Tray | ACQUISTA | |
|
|
S25FS512SAGBHM210 | Infineon Technologies AG | Flash | NOR Flash Serial (SPI, Dual SPI, Quad SPI) 1.8V 512M-bit 512M/256M/128M x 1/2-bit/4-bit 8ns 24-Pin BGA Tray Automotive AEC-Q100 | ACQUISTA | |
|
|
SN74LVC2G14DBVR | Texas Instruments | Inverters and Schmitt Triggers | Inverter Schmitt Trigger 2-Element 6-Pin SOT-23 T/R | ACQUISTA | |