Hot-Swap Controller for Central Office Switch

Progetto di riferimento usando la parte ADM1073 di Analog Devices

Produttore

Analog Devices
  • Categorie di applicazione
    Gestione della potenza
  • Tipologia di prodotti
    Controller di scambio di calore

Per prodotti finali

  • Central Office Switch
  • Communications and Telecom
  • Desktops and Servers

Per contattare il Servizio Clienti.

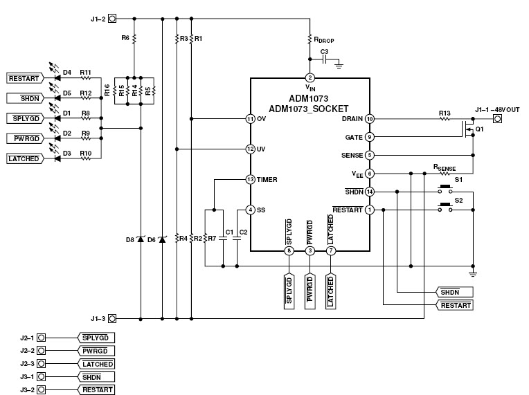
  • Evaluation Kit allows the ADM1073 negative-voltage Hot-Swap controller to be easily evaluated. The ADM1073 provides under voltage and overvoltage protection by monitoring the supply voltage, and robust current limiting by monitoring the load current

Funzioni principali

  • Output Voltage
    -48 V

Non perderti le ultime novità sull'elettronica

Abbiamo aggiornato la nostra Politica sulla privacy. Ti preghiamo di verificare le modifiche apportate. Facendo clic su "Accetto", dichiari di accettare la Politica sulla privacy e i Termini di utilizzo di Arrow Electronics.

Il nostro sito web mette i cookies sul vostro dispositivo per migliorare la vostra esperienza e il nostro sito. Leggete altre informazioni sui cookies che usiamo e su come disabilitarli qui. I cookies e le tecnologie di tracking possono essere usati per scopi commerciali.

Con un click su “Accept”, voi consentite l'inserimento dei cookies sul vostro dispositivo e l'uso da parte nostra di tecnologie di tracking. Per avere altre informazioni e istruzioni su come disabilitare i cookies e le tecnologie di tracking, clickate su “Read More” qui sotto. Mentre l'accettazione dei cookies e delle tecnologie di tracking è volontaria, una loro disabilitazione potrebbe determinare un funzionamento non corretto del sito web, ed alcuni messaggi di allarme potrebbero essere per voi meno importanti.

Noi rispettiamo la vostra privacy. Leggete qui la nostra politica relativa alla privacy