EVAL-AD5668EBCZ, Evaluation Board using AD5668 Octal, 16-Bit, Serial Voltage Output Digital to Analog Converter
Progetto di riferimento usando la parte AD5668ARU di Analog Devices
Per prodotti finali
- Data Acquisition System
- Electrocardiograph Battery Powered
- Industrial Process Measurement and Control
Per contattare il Servizio Clienti.
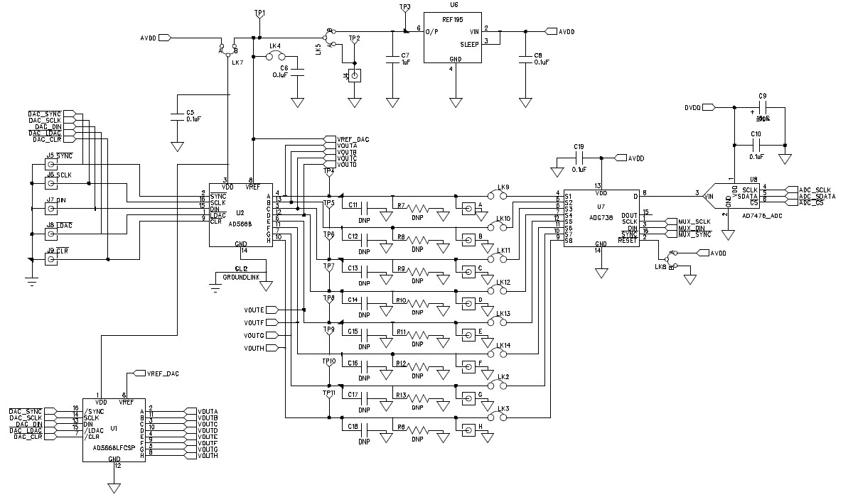
- EVAL-AD5668EBCZ, Evaluation Board is designed to help customers quickly prototype new AD5668 circuits and reduce design time. The AD5668 operates from a single 2.7 V to 5.5 V supply. The part incorporates an internal 1.25 V or 2.5 V on-board reference to give an output voltage span of 2.5 V or 5 V, respectively. The on-board reference is off at power-up allowing for the use of an external reference, the REF195 is used on this evaluation board
Funzioni principali
-
DAC Resolution16 Bit
-
Number of Channels8CH
Parti in primo piano (41)
| Numero parte | Produttore | Tipo | Per contattare il Servizio Clienti. | |||
|---|---|---|---|---|---|---|
|
|
AD7476AYKSZ-REEL7 | Analog Devices | Analog to Digital Converters - ADCs | 1-Channel Single ADC SAR 1Msps 12-bit Serial 6-Pin SC-70 T/R | ACQUISTA | |
|
|
AD7476BRTZ-R2 | Analog Devices | Analog to Digital Converters - ADCs | 1-Channel Single ADC SAR 600ksps 12-bit Serial 6-Pin SOT-23 T/R | ACQUISTA | |
|
|
AD7476AWYRMZ-RL7 | Analog Devices | Analog to Digital Converters - ADCs | 1-Channel Single ADC SAR 1Msps 12-bit Serial Automotive AEC-Q100 8-Pin MSOP T/R | ACQUISTA | |
|
|
REF195GSZ-REEL | Analog Devices | Voltage References | V-Ref Precision 5V 30mA 8-Pin SOIC N T/R | ACQUISTA | |
|
|
REF195FSZ | Analog Devices | Voltage References | V-Ref Precision 5V 30mA 8-Pin SOIC N Tube | ACQUISTA | |
|
|
REF195GSZ-REEL7 | Analog Devices | Voltage References | V-Ref Precision 5V 30mA 8-Pin SOIC N T/R | ACQUISTA | |
|
|
REF195GPZ | Analog Devices | Voltage References | V-Ref Precision 5V 30mA 8-Pin PDIP N Tube | ACQUISTA | |
|
|
AD7476SRTZ-500RL7 | Analog Devices | Analog to Digital Converters - ADCs | 1-Channel Single ADC SAR 600ksps 12-bit Serial 6-Pin SOT-23 T/R | ACQUISTA | |
|
|
AD7476AYRMZ | Analog Devices | Analog to Digital Converters - ADCs | 1-Channel Single ADC SAR 1Msps 12-bit Serial 8-Pin MSOP Tube | ACQUISTA | |
|
|
AD7476AAKSZ-500RL7 | Analog Devices | Analog to Digital Converters - ADCs | 1-Channel Single ADC SAR 1Msps 12-bit Serial 6-Pin SC-70 T/R | ACQUISTA | |
|
|
AD7476AAKSZ-REEL7 | Analog Devices | Analog to Digital Converters - ADCs | 1-Channel Single ADC SAR 1Msps 12-bit Serial 6-Pin SC-70 T/R | ACQUISTA | |
|
|
AD7476AWYRMZ | Analog Devices | Analog to Digital Converters - ADCs | 1-Channel Single ADC SAR 1Msps 12-bit Serial Automotive AEC-Q100 8-Pin MSOP Tube | ACQUISTA | |