Filtri
| Descrizione | Rilasciato da | Per applicazione | Per prodotti finali | |||
|---|---|---|---|---|---|---|
LTC6943_Typical Application |
Analog Devices | Power Supplies | Multiple Motors Synchronization, Instrumentation Amplifiers, Inverters, V-F Converters, Capacitive Dividers, Current Source Generation | |||
LTC1174_Typical ApplicationTypical Application for LTC1174 - High Efficiency Step-Down and Inverting DC/DC Converter |
Analog Devices | Power Supplies | Buck Converter, Distributed Power System, Portable Instrumentation, Inverters, Backup Power, Battery Powered Equipment | |||
LTC1265_Typical ApplicationTypical Application for LTC1265 - 1.2A, High Efficiency Step-Down DC/DC Converter |
Analog Devices | Power Supplies | Cellular Phone, Buck Converter, Distributed Power System, Portable Instrumentation, Inverters, Power Conversion, Backup Power, Battery Powered Equipment | |||
EVAL-ADUM3190EBZEVAL-ADUM3190EBZ, Evaluation Board based on ADuM3190 iCoupler, Isolated Error Amplifier |
Analog Devices | Isolation | UPS Power Supply, Motion Control, Inverters | |||
ADP3605_Typical ApplicationTypical Application for ADP3605 120 mA Switched Capacitor Voltage Inverter with Regulated Output |
Analog Devices | Power Supplies | Portable Medical Instrumentation, Pager, Voltage Regulator Module, Radio Receiver, Inverters, PC Peripherals, Disk Drives, Battery-Powered Devices, Mobile Phone | |||
EVAL-ADUM3190SEVAL-ADUM3190S, Evaluation Board based on ADuM3190S iCoupler, Isolated Error Amplifier |
Analog Devices | Isolation | UPS Power Supply, Motion Control, Inverters | |||
STM32F469I-DISCOSTM32F469I-DISCO, 32F469IDISCOVERY Discovery Kit with STM32F469NI MCU |
STMicroelectronics | Embedded System | Home Appliances, HVAC, Motor Control and Driver System, Intercom, Alarm System, Circuit Breaker, Medical Equipments, Inverters, Scanners, Industrial Programmable Logic Controllers (PLCs), Printers | |||
TIDA-00316 |
Texas Instruments | Amplifiers and Comparators | Industrial, Power Supplies, Servo Motor, Solar Power Inverter, UPS System, AC Drives, DC Drives, Inverters | |||
TIDA-00442 |
Texas Instruments | Amplifiers and Comparators | Home Appliances, Robotics, Air Conditioning, Washing Machine, Refrigerator and freezer, CNC Machine, Motion Control, Inverters, Servo Drives | |||
TIDA-00368 |
Texas Instruments | Amplifiers and Comparators | Power Supplies, Robotics, Servo Motor, Solar Power Inverter, CNC Machine, UPS System, Industrial Drives, Motion Control, Inverters | |||
TIDA-00178TIDA-00178, Interface to a Sin/Cos Encoder with Sitara AM437x Reference Design |
Texas Instruments | Data Conversion | Industrial, Factory Automation, Robotics, Servo Motor, CNC Machine, Motion Control, Inverters | |||
AZ7500B_Typical ApplicationTypical Application for AZ7500B Pulse-Width-Modulation Control Circuits |
Diodes Incorporated | Power Supplies | Battery Charger, Compact SMPS, Inverters | |||
Si8275ISO-KITSi8275ISO-KIT, Si827x Evaluation Kit based on Si8275 Isolated Gate Driver |
Silicon Labs | Isolation | Power Supplies, Motor Control, Inverters | |||
STM32H757I-EVAL |
STMicroelectronics | Embedded System | HVAC, Home Theater, Motor Control, Intercom, Alarm System, Medical Equipments, Wearable Electronics, Inverters, Smart Watch, Mobile Applications, Scanners, Industrial Programmable Logic Controllers (PLCs), Printers, Internet of Things (IoT) | |||
EVALSTDRIVE601EVALSTDRIVE601, Demonstration Board for STDRIVE601 Triple Gate Driver |
STMicroelectronics | Power Drivers | Home Appliances, Pumps, 3-Phase AC Motor, Inverters, Fans, Refrigerator Compressors | |||
STM32H747I-DISCOSTM32H747I-DISCO, Discovery Kit with LCD Module based on STM32H747XI MCU |
STMicroelectronics | Embedded System | HVAC, Home Theater, Motor Control, Intercom, Alarm System, Medical Equipments, Wearable Electronics, Inverters, Smart Watch, Mobile Applications, Scanners, Industrial Programmable Logic Controllers (PLCs), Printers, Internet of Things (IoT) | |||
STM32H747I-DISC1STM32H747I-DISC1, Discovery Kit without LCD module based on STM32H747XI MCU |
STMicroelectronics | Embedded System | HVAC, Home Theater, Motor Control, Intercom, Alarm System, Medical Equipments, Wearable Electronics, Inverters, Smart Watch, Mobile Applications, Scanners, Industrial Programmable Logic Controllers (PLCs), Printers, Internet of Things (IoT) | |||
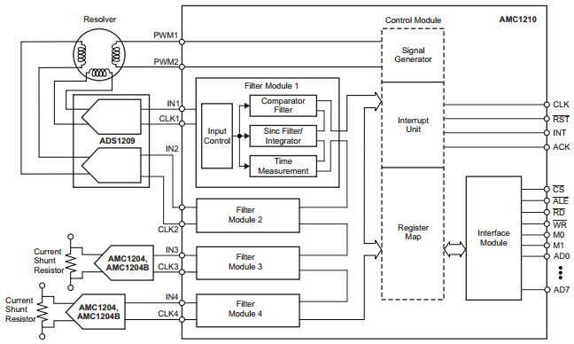
AMC1204_Typical Application |
Texas Instruments | Data Conversion | UPS Power Supply, Motor Control, Smart Energy, Inverters | |||
AMC1204_Typical Application |
Texas Instruments | Data Conversion | UPS Power Supply, Motor Control, Smart Energy, Inverters | |||
AMC1204B_Typical Application |
Texas Instruments | Data Conversion | UPS Power Supply, Motor Control, Smart Energy, Inverters | |||