Filtri
| Descrizione | Rilasciato da | Per applicazione | Per prodotti finali | |||
|---|---|---|---|---|---|---|
LTC2980_Typical ApplicationTypical Application Circuit for LTC2980IY 16-Channel with External 3.3V Chip Power Manager |
Analog Devices | Measurement and Monitoring | Servers, Video and Imaging, Medical Imaging, Portable Computers, Test and Measurement | |||
LTC2377-16_Typical ApplicationTypical Application Using LTC2377CMS-16, 16-Bit, 500ksps, Low Power SAR ADC |
Analog Devices | Data Conversion | Data Acquisition System, Medical Imaging, Battery Powered Instrument, Process Control, Portable Instrumentation | |||
ADCLK914/PCBZADCLK914/PCBZ, Evaluation Board for ADCLK954 Clock Fanout Buffer |
Analog Devices | Clock and Timing | Wired Networking, Medical Imaging, Clock Management and Distribution, Level Translation System, Wireless Communications | |||
LTC2377-16_Typical ApplicationTypical Application Using LTC2377HMS-16, 16-Bit, 500ksps, Low Power SAR ADC |
Analog Devices | Data Conversion | Data Acquisition System, Medical Imaging, Battery Powered Instrument, Process Control, Portable Instrumentation | |||
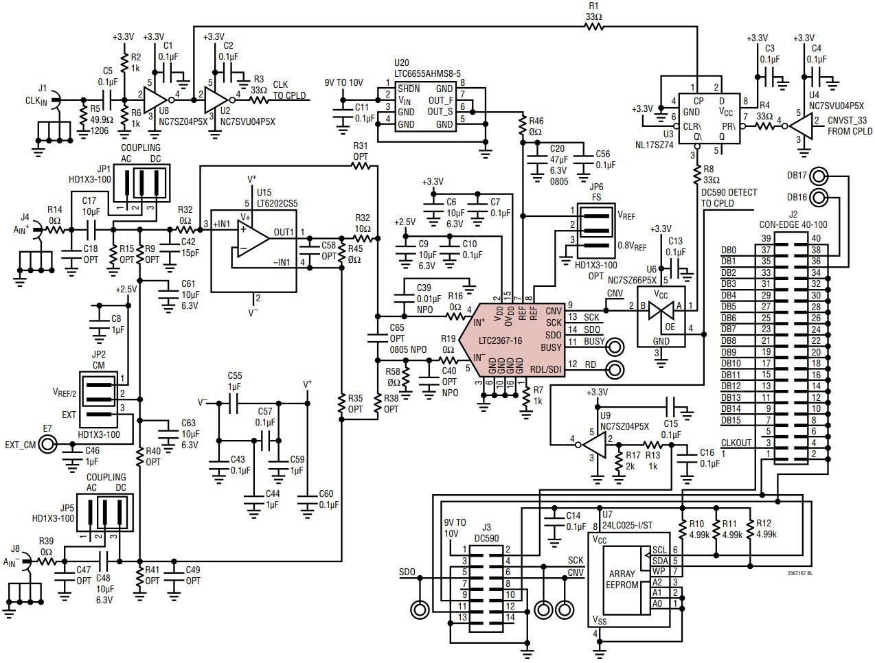
LTC2367-16_Typical ApplicationTypical Application Using LTC2367CDE-16, 16-Bit, 500ksps SAR ADC |
Analog Devices | Data Conversion | Data Acquisition System, Medical Imaging, Battery Powered Instrument, Process Control, Portable Instrumentation | |||
LTC2367-16_Typical Application |
Analog Devices | Data Conversion | Data Acquisition System, Medical Imaging, Battery Powered Instrument, Process Control, Portable Instrumentation | |||
LTC2367-16_Typical ApplicationTypical Application Using LTC2367IDE-16, 16-Bit, 500ksps SAR ADC |
Analog Devices | Data Conversion | Data Acquisition System, Medical Imaging, Battery Powered Instrument, Process Control, Portable Instrumentation | |||
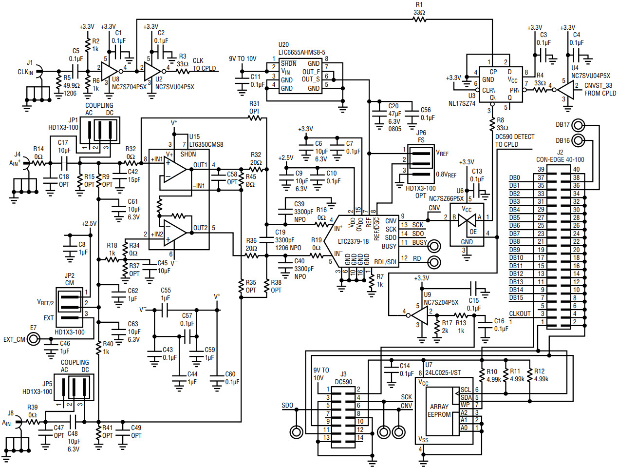
LTC2379-18_Typical ApplicationTypical Application Using LTC2379HMS-18, 18-Bit, 1.6Msps SAR ADC |
Analog Devices | Data Conversion | Data Acquisition System, Medical Imaging, Battery Powered Instrument, Process Control, Portable Instrumentation | |||
LTC2379-18_Typical Application |
Analog Devices | Data Conversion | Data Acquisition System, Medical Imaging, Battery Powered Instrument, Process Control, Portable Instrumentation | |||
DC1975A-ADC1975A-A, Demonstration Board using the LTC2270, 16-Bit, 20-Msps Dual ADC |
Analog Devices | Data Conversion | Instrumentation and Measurement, Data Acquisition System, Medical Imaging, Software Defined Radio | |||
DC2022A |
Analog Devices | Power Supplies | Industrial, Test Equipment, Medical Imaging, Measurement Instruments, Desktop Computer/Server | |||
DC1508B-ADC1508B-A, Demo Board for LTC2978A Socketed Programming Board |
Analog Devices | Power Supplies | Industrial, Video and Imaging, Medical Imaging, Desktops and Servers, Measurement Instruments | |||
DC2023A |
Analog Devices | Power Supplies | Industrial, Video and Imaging, Medical Imaging, Desktops and Servers, Measurement Instruments | |||
AD9653-125EBZAD9653-125EBZ, Evaluation Board for the AD9653, Quad, 16-Bit, 125 MSPS, Serial LVDS 1.8 V ADC |
Analog Devices | Data Conversion | Test Equipment, Medical Imaging, Ultrasound Imaging | |||
ADP1828_Typical ApplicationTypical Application Circuit for ADP1828 2.5 to 8V Input Synchronous Buck DC to DC Controller |
Analog Devices | Power Supplies | Power Supplies, Set-Top Box, Medical Imaging, Game Console, Copier, Basestation, Networking, Telecom System, Printers | |||
ADP1828_Typical ApplicationTypical Application Circuit for ADP1828 3.3Vin Synchronous Buck DC to DC Controller |
Analog Devices | Power Supplies | Power Supplies, Set-Top Box, Medical Imaging, Game Console, Copier, Basestation, Networking, Telecom System, Printers | |||
ADP1828_Typical ApplicationTypical Application Circuit for ADP1828 12Vin Synchronous Buck DC to DC Controller |
Analog Devices | Power Supplies | Power Supplies, Set-Top Box, Medical Imaging, Game Console, Copier, Basestation, Networking, Telecom System, Printers | |||
LTC2389-18_Typical Application |
Analog Devices | Data Conversion | Data Acquisition System, Medical Imaging, Process Control, Portable Instrumentation | |||
LTC2389-18_Typical ApplicationTypical Application Using LTC2389HLX-18, 18-Bit, 2.5Msps SAR ADC |
Analog Devices | Data Conversion | Data Acquisition System, Medical Imaging, Process Control, Portable Instrumentation | |||
LTC2389-18_Typical ApplicationTypical Application Using LTC2389ILX-18, 18-Bit, 2.5Msps SAR ADC |
Analog Devices | Data Conversion | Data Acquisition System, Medical Imaging, Process Control, Portable Instrumentation | |||