Filtri
| Descrizione | Rilasciato da | Per applicazione | Per prodotti finali | |||
|---|---|---|---|---|---|---|
ADM3061E_Typical Application |
Analog Devices | Interface | Process Control, Building Automation, Industrial Applications, Servo Motor Control, PROFIBUS Applications | |||
ADM3061E_Typical Application |
Analog Devices | Interface | Process Control, Building Automation, Industrial Applications, Servo Motor Control, PROFIBUS Applications | |||
ADM3061E_Typical Application |
Analog Devices | Interface | Process Control, Building Automation, Industrial Applications, Servo Motor Control, PROFIBUS Applications | |||
ADM3061E_Typical Application |
Analog Devices | Interface | Process Control, Building Automation, Industrial Applications, Servo Motor Control, PROFIBUS Applications | |||
ADM3061E_Typical Application |
Analog Devices | Interface | Process Control, Building Automation, Industrial Applications, Servo Motor Control, PROFIBUS Applications | |||
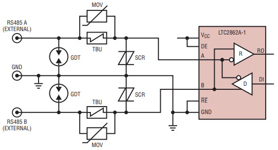
LTC2862A_Typical ApplicationTypical Application for LTC2862AMPS8-2 Failsafe 0 Application (Idle State = Logic 0) |
Analog Devices | Interface | Data Acquisition System, Industrial Control, Security System, HVAC, Network Equipment, Medical Equipments, Building Automation, Automotive Applications, Lighting & Sound Control System | |||
LTC2862A_Typical ApplicationTypical Application for LTC2862AHS8-2 Failsafe 0 Application (Idle State = Logic 0) |
Analog Devices | Interface | Data Acquisition System, Industrial Control, Security System, HVAC, Network Equipment, Medical Equipments, Building Automation, Automotive Applications, Lighting & Sound Control System | |||
LTC2862A_Typical Application |
Analog Devices | Interface | Data Acquisition System, Industrial Control, Security System, HVAC, Network Equipment, Medical Equipments, Building Automation, Automotive Applications, Lighting & Sound Control System | |||
LTC2862A_Typical Application |
Analog Devices | Interface | Data Acquisition System, Industrial Control, Security System, HVAC, Network Equipment, Medical Equipments, Building Automation, Automotive Applications, Lighting & Sound Control System | |||
LTC2862A_Typical Application |
Analog Devices | Interface | Data Acquisition System, Industrial Control, Security System, HVAC, Network Equipment, Medical Equipments, Building Automation, Automotive Applications, Lighting & Sound Control System | |||
LTC2862A_Typical Application |
Analog Devices | Interface | Data Acquisition System, Industrial Control, Security System, HVAC, Network Equipment, Medical Equipments, Building Automation, Automotive Applications, Lighting & Sound Control System | |||
LTC2862A_Typical Application |
Analog Devices | Interface | Data Acquisition System, Industrial Control, Security System, HVAC, Network Equipment, Medical Equipments, Building Automation, Automotive Applications, Lighting & Sound Control System | |||
LTC2862A_Typical Application |
Analog Devices | Interface | Data Acquisition System, Industrial Control, Security System, HVAC, Network Equipment, Medical Equipments, Building Automation, Automotive Applications, Lighting & Sound Control System | |||
LTC2862A_Typical Application |
Analog Devices | Interface | Data Acquisition System, Industrial Control, Security System, HVAC, Network Equipment, Medical Equipments, Building Automation, Automotive Applications, Lighting & Sound Control System | |||
LTC2862A_Typical Application |
Analog Devices | Interface | Data Acquisition System, Industrial Control, Security System, HVAC, Network Equipment, Medical Equipments, Building Automation, Automotive Applications, Lighting & Sound Control System | |||
LTC2862A_Typical ApplicationTypical Application for LTC2862AIDD-2 Failsafe 0 Application (Idle State = Logic 0) |
Analog Devices | Interface | Data Acquisition System, Industrial Control, Security System, HVAC, Network Equipment, Medical Equipments, Building Automation, Automotive Applications, Lighting & Sound Control System | |||
LTC2862A_Typical ApplicationTypical Application for LTC2862ACDD-2 Failsafe 0 Application (Idle State = Logic 0) |
Analog Devices | Interface | Data Acquisition System, Industrial Control, Security System, HVAC, Network Equipment, Medical Equipments, Building Automation, Automotive Applications, Lighting & Sound Control System | |||
LTC2862A_Typical ApplicationTypical Application for LTC2862AHDD-1 Failsafe 0 Application (Idle State = Logic 0) |
Analog Devices | Interface | Data Acquisition System, Industrial Control, Security System, HVAC, Network Equipment, Medical Equipments, Building Automation, Automotive Applications, Lighting & Sound Control System | |||
LTC2862A_Typical Application |
Analog Devices | Interface | Data Acquisition System, Industrial Control, Security System, HVAC, Network Equipment, Medical Equipments, Building Automation, Automotive Applications, Lighting & Sound Control System | |||
LTC2862A_Typical Application |
Analog Devices | Interface | Data Acquisition System, Industrial Control, Security System, HVAC, Network Equipment, Medical Equipments, Building Automation, Automotive Applications, Lighting & Sound Control System | |||