Filtri
| Descrizione | Rilasciato da | Per applicazione | Per prodotti finali | |||
|---|---|---|---|---|---|---|
IRU1010-33_Typical ApplicationTypical Application for IRU1010-33 1A Low-Dropout Positive 3.3V Regulator |
Infineon Technologies AG | Power Supplies | Processor Power Management, VGA & Sound Card Applications | |||
IRU1010-33_Typical ApplicationTypical Application for IRU1010-33 1A Low-Dropout Positive 3.3V Regulator |
Infineon Technologies AG | Power Supplies | Processor Power Management, VGA & Sound Card Applications | |||
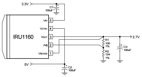
IRU1160_Typical ApplicationTypical Application for IRU1160 6A ULTRA Low-Dropout Positive Regulator |
Infineon Technologies AG | Power Supplies | VGA & Sound Card Applications | |||