Filtri
| Descrizione | Rilasciato da | Per applicazione | Per prodotti finali | |||
|---|---|---|---|---|---|---|
V16n03-03-LTC4245-SachdevCompact Solution for Hot-Swap and Supply Monitoring in Compact PCI and PCI Express Systems |
Analog Devices | Power Management | Industrial, Communications and Telecom, Servers, Data Storage Devices | |||
V17N04-06-LTC3813-14-5-GDittmer |
Analog Devices | Power Supplies | Automotive and Transportation, Industrial Control, Servers, Industrial Networking, Power Substation | |||
DC1052A-ALTC4218 Demo Board, 24V, 7.5A Hot-Swap Controller with Current Monitoring |
Analog Devices | Power Management | Industrial, Servers, ATCA Backplane, RAID Controller Card | |||
LTC2923_Typical ApplicationTypical Application for LTC2923 - Power Supply Tracking Controller |
Analog Devices | Power Management | Servers, Communications System, Tracking & Margining Power Supply, DSP/FPGA/Microprocessor Supplies | |||
FCDC00039ADP1821 PWM buck controller uses an input voltage of 3.7 V to 20 V |
Analog Devices | Power Supplies | Set-Top Box, Servers, Optical Networking, Medical Imaging, DDR Memory, Power Substation, Printers | |||
FCDC00093ADP1821 PWM buck controller uses a 9 to 20 V input voltage to generate a 5.0 V output voltage |
Analog Devices | Power Supplies | Set-Top Box, Servers, Optical Networking, Medical Imaging, DDR Memory, Power Substation, Printers | |||
AN119ALTM4601, Powering Complex FPGA-Based Systems Using Highly Integrated DC/DC Module Regulator Systems |
Analog Devices | Power Supplies | Servers, Telecom Power Supply, Wired Networking | |||
PRD1153 |
Analog Devices | Power Supplies | Servers, Telecom Infrastructure, Storage Area Network, Network Interface Device | |||
DN222FLTC1929, High Efficiency PolyPhase Converter Uses Two Inputs for Single Output |
Analog Devices | Power Supplies | Servers, Desktop PC, DDR Memory, Distributed Control System | |||
ADP1871_Typical Application |
Analog Devices | Power Supplies | Set-Top Box, Servers, Telecom System, DSP Power Supply, Networking Systems, PoL Power Supply | |||
FCDC00083ADP1821 PWM buck controller uses 15.2 V to 16.8 V for the input voltage |
Analog Devices | Power Supplies | Set-Top Box, Servers, Optical Networking, Medical Imaging, DDR Memory, Power Substation, Printers | |||
V17N04-06-LTC3813-14-5-GDittmer |
Analog Devices | Power Supplies | Automotive and Transportation, Industrial Control, Servers, Industrial Networking, Power Substation | |||
DC1083A-ALTM4603EV Demo Board, Synchronizable 28V, 6A Step-Down Module Regulator |
Analog Devices | Power Supplies | Industrial, Automotive and Transportation, Communications and Telecom, Servers | |||
AN77 |
Analog Devices | Power Supplies | Servers, Desktop PC, Distributed Control System | |||
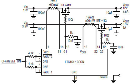
DN346FPCI Express Power and Mini Card Solutions Implemented with an LTC1647 dual Hot-Swap controller |
Analog Devices | Interface | Cellular Phone, Communications and Telecom, Servers, Desktop PC, Computers and Peripherals | |||
DN346F |
Analog Devices | Interface | Cellular Phone, Communications and Telecom, Servers, Desktop PC, Computers and Peripherals | |||
LTC3869_Typical ApplicationTypical Application for LTC3869 - Dual, 2-Phase Synchronous Step-Down DC/DC Controllers |
Analog Devices | Power Supplies | Servers, Distributed Power System, Telecom System, Medical Instruments, Industrial Instrumentation, Battery-Operated Devices | |||
LT3070_Typical ApplicationTypical Application for LT3070 - 5A, Low Noise, Programmable Output, 85mV Dropout Linear Regulator |
Analog Devices | Power Supplies | Servers, Data Storage Devices, Buck Converter, DSP/FPGA/Microprocessor Supplies, Microprocessor Power Supply | |||
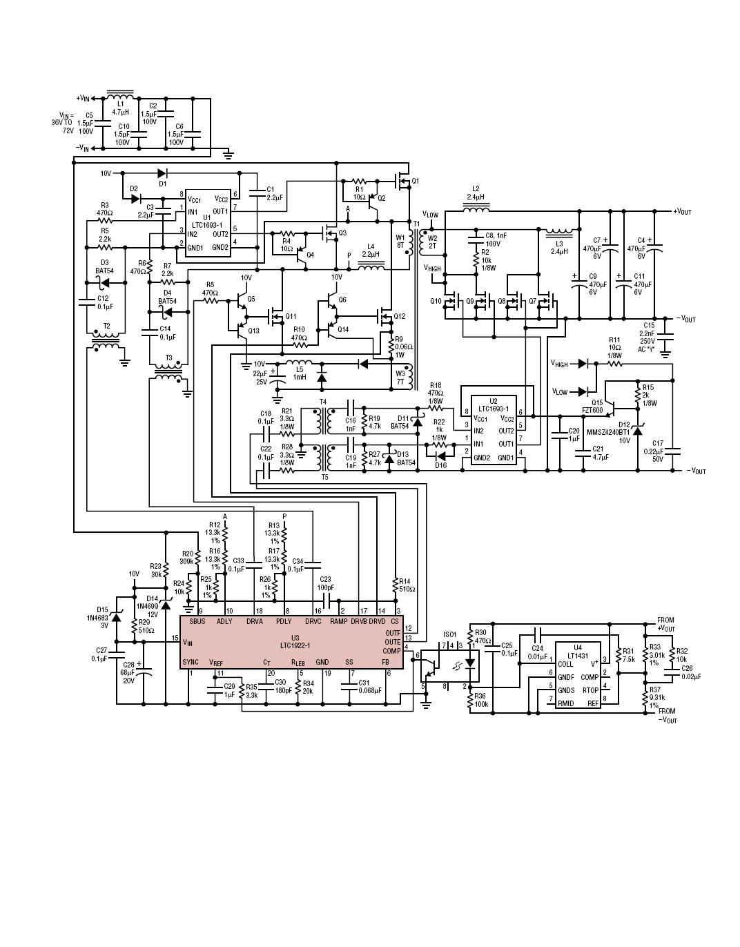
LTC1922_DESIGN FEATURES |
Analog Devices | Power Supplies | Servers, Telecom Power Supply, Distributed Control System | |||
DC708ALTC4064EMSE Demo Board, 4.0V Li-Ion Battery Charger, Vin = 4.25V to 6.3V, Bat = 4.0V @ 0.5A / 1A |
Analog Devices | Battery Management | Servers, RAID Data Storage System | |||