Filtri
| Descrizione | Rilasciato da | Per applicazione | Per prodotti finali | |||
|---|---|---|---|---|---|---|
AKD4614-A |
Asahi Kasei Microdevices Corporation | CODEC | Car Audio, Home Theater | |||
AKD4452AKD4452, AK4452 Sound Quality Evaluation Board for AK4452 32-bit, 2Ch DAC |
Asahi Kasei Microdevices Corporation | Audio | AV Receiver, Car Audio, Portable DVD | |||
MAX15022EVKIT+ |
Analog Devices | Power Supplies | Telecom Power Supply, Wired Networking, Power Over Ethernet, Car Audio, RFID Reader | |||
MAX8713EVKITMAX8713EVKIT, Evaluation Kit for MAX8713 1 to 4-Cell, Lithium-Ion Battery Charger for Portable |
Analog Devices | Battery Management | Portable, Personal Digital Assistant, Notebook, Laptop, Digital Camera, Car Audio | |||
STEVAL-ISA100V13 A step-down switching demonstration board based on the L7986A in HSOP8 package |
STMicroelectronics | Power Supplies | Battery Charger, LCD Monitor, Graphics Card, xDSL Modem/DSLAM, Car Audio, DVD Recorder, Printers | |||
EVAL5980L5980, 0.7 A step-down switching regulator, evaluation board |
STMicroelectronics | Power Supplies | Battery Charger, LCD Monitor, Graphics Card, xDSL Modem/DSLAM, Car Audio, DVD Recorder, Printers | |||
EVAL59862.5 A step-down switching regulator demonstration board based on the L5986, L5986A |
STMicroelectronics | Power Supplies | Battery Charger, LCD Monitor, Graphics Card, xDSL Modem/DSLAM, Car Audio, DVD Recorder, Printers | |||
PGA4311EVM |
Texas Instruments | Audio | MP3 Player, Game Console, AV Receiver, Car Audio, Audio Amplifier, Voice Recorder | |||
V18N4-01LTC3862, A 120W 2-phase, 24V/5A output car audio power supply |
Analog Devices | Power Supplies | Industrial, Automotive and Transportation, Car Audio | |||
ZXCD1000_Typical ApplicationTypical Application for ZXCD1000, 100W High Fidelity Class-D Audio Amplifier Mono Class-D Solution |
Diodes Incorporated | Audio | DVD Player, Portable Audio, Car Audio, Home Theater, Wireless Speaker, Active Subwoofer, Multimedia Devices | |||
ZXCD1000_Typical Application |
Diodes Incorporated | Audio | DVD Player, Portable Audio, Car Audio, Home Theater, Wireless Speaker, Active Subwoofer, Multimedia Devices | |||
ZXCD1000EVMOLZXCD1000EVMOL, Evaluation Board based on ZXCD1000 Class-D Audio Amplifier |
Diodes Incorporated | Audio | DVD Player, Portable Audio, Car Audio, Home Theater, Wireless Speaker, Active Subwoofer, Multimedia Devices | |||
ZXCD1000_Typical ApplicationTypical Application for ZXCD1000, 25W High Fidelity Class-D Audio Amplifier Mono Open Loop Solution |
Diodes Incorporated | Audio | DVD Player, Portable Audio, Car Audio, Home Theater, Wireless Speaker, Active Subwoofer, Multimedia Devices | |||
MCP1804_Typical ApplicationTypical Application for MCP1804 150 mA, 28V LDO Regulator With shut-down |
Microchip Technology | Power Supplies | Personal Digital Assistant, Notebook, Digital Camera, Desktop PC, Cordless Phone, Home Appliances, Car Audio, Navigation System, Netbook, Wireless Communications, Microcontroller Power Supply | |||
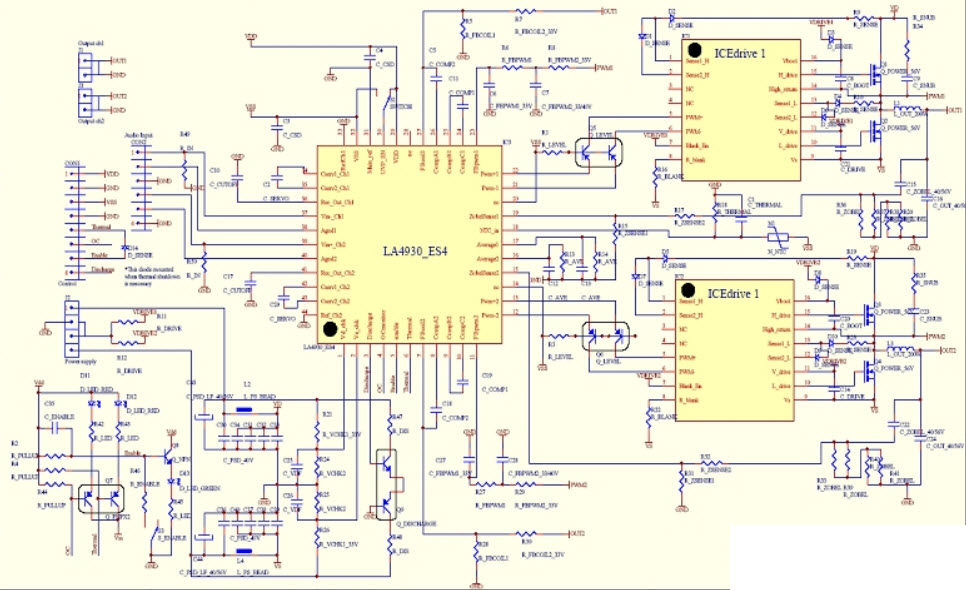
LA4930_Typical Application |
onsemi | Audio | AV Receiver, Car Audio, Home Theater | |||
LV4970_Typical Application |
onsemi | Audio | AV Receiver, Car Audio, Home Theater | |||
LV47011P_Typical Application |
onsemi | Audio | Car Audio | |||
TDA8927J_Typical Application |
NXP Semiconductors | Audio | Television, Car Audio, Home Theater, Multimedia Speaker System, High-End Audio Systems | |||
TDA8927_Typical Application |
NXP Semiconductors | Audio | Television, Car Audio, Home Theater, Multimedia Speaker System, High-End Audio Systems | |||
TDA8927ST_Typical Application |
NXP Semiconductors | Audio | Television, Car Audio, Home Theater, Multimedia Speaker System, High-End Audio Systems | |||