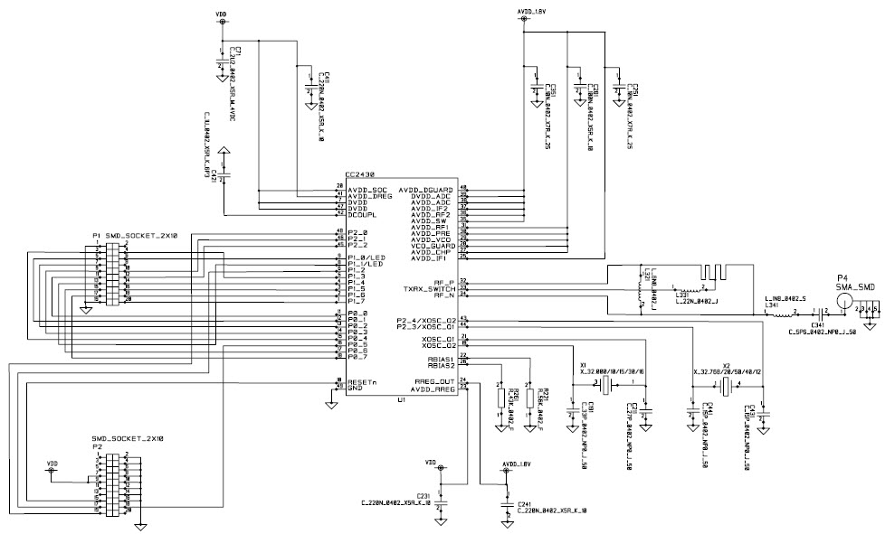
CC2430EM_REFDES, CC2430EM Reference Design for CC2430 Decoupling and RF Layout

Progetto di riferimento usando la parte CC2430F di Texas Instruments

Produttore

Texas Instruments
  • Categorie di applicazione
    Comunicazione wireless
  • Tipologia di prodotti
    Sistemi wireless

Per prodotti finali

  • Wireless

Per contattare il Servizio Clienti.

  • CC2430EM_REFDES, CC2430EM Reference Design for CC2430 decoupling and RF layout. The reference design demonstrates good techniques for CC2430 decoupling and RF layout. for optimum RF performance, the reference design should be copied accurately. This is a 2-layer reference design with a discrete/microstrip balun and SMA antenna connector designed for a single ended 50 ohm antenna

Non perderti le ultime novità sull'elettronica

Abbiamo aggiornato la nostra Politica sulla privacy. Ti preghiamo di verificare le modifiche apportate. Facendo clic su "Accetto", dichiari di accettare la Politica sulla privacy e i Termini di utilizzo di Arrow Electronics.

Il nostro sito web mette i cookies sul vostro dispositivo per migliorare la vostra esperienza e il nostro sito. Leggete altre informazioni sui cookies che usiamo e su come disabilitarli qui. I cookies e le tecnologie di tracking possono essere usati per scopi commerciali.

Con un click su “Accept”, voi consentite l'inserimento dei cookies sul vostro dispositivo e l'uso da parte nostra di tecnologie di tracking. Per avere altre informazioni e istruzioni su come disabilitare i cookies e le tecnologie di tracking, clickate su “Read More” qui sotto. Mentre l'accettazione dei cookies e delle tecnologie di tracking è volontaria, una loro disabilitazione potrebbe determinare un funzionamento non corretto del sito web, ed alcuni messaggi di allarme potrebbero essere per voi meno importanti.

Noi rispettiamo la vostra privacy. Leggete qui la nostra politica relativa alla privacy