Filtri
| Descrizione | Rilasciato da | Per applicazione | Per prodotti finali | |||
|---|---|---|---|---|---|---|
LTC4307_Typical ApplicationTypical Application for LTC4307 - Low Offset Hot-Swappable 2-Wire Bus Buffer with Stuck Bus Recovery |
Analog Devices | Wireless Communication | Servers, ATCA Backplane, RAID Data Storage System, Capacitance Buffering, Hot-Swap Board Insertion | |||
LTC4307-1_Typical Application |
Analog Devices | Wireless Communication | Capacitance Buffering, Level Translation System, HDMI | |||
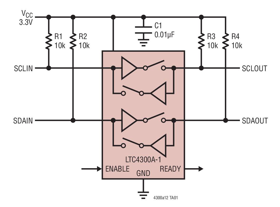
LTC4300A-1_Typical ApplicationTypical Application for LTC4300A-1 - Hot-Swappable 2-Wire Bus Buffers |
Analog Devices | Wireless Communication | Servers, Desktop PC, Capacitance Buffering, Hot-Swap Board Insertion | |||
LTC4303_Typical ApplicationTypical Application for LTC4303 - Hot-Swappable 2-Wire Bus Buffer with Stuck Bus Recovery |
Analog Devices | Wireless Communication | Servers, RAID Data Storage System, Capacitance Buffering, Hot-Swap Board Insertion | |||
LTC4312_Typical ApplicationTypical Application for LTC4312 - Pin-Selectable, 2-Channel, 2-Wire Multiplexer with Bus Buffers |
Analog Devices | Wireless Communication | Capacitance Buffering, Hot-Swap Board Insertion, Level Translation System, Telecommunication System, Power Management System | |||
LTC4315_Typical ApplicationTypical Application for LTC4315 - 2-Wire Bus Buffer with High Noise Margin |
Analog Devices | Wireless Communication | Servers, Capacitance Buffering, Hot-Swap Board Insertion, Level Translation System, Telecommunication System, Power Management System | |||
LTC4308_Typical Application |
Analog Devices | Wireless Communication | Servers, ATCA Backplane, RAID Data Storage System, Capacitance Buffering, Hot-Swap Board Insertion | |||
LTC4309_Typical Application |
Analog Devices | Wireless Communication | Servers, ATCA Backplane, RAID Data Storage System, Capacitance Buffering, Hot-Swap Board Insertion | |||
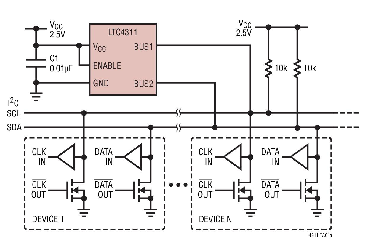
LTC4311_Typical ApplicationTypical Application for LTC4311 - Low Voltage I2C/SMBus Accelerator |
Analog Devices | Wireless Communication | Notebook, Industrial Control, Battery Charger, Switch Interface, Video Processing, Portable Instrumentation, Palmtops | |||
MAX14986EVKIT# |
Analog Devices | Wireless Communication | Test Equipment, Medical Equipments, Rack-Mounted Servers, Carrier Boards, Industrial PCs, System on-Module | |||
LTC4313_Typical ApplicationTypical Application for LTC4313 - 2-Wire Bus Buffers with High Noise Margin |
Analog Devices | Wireless Communication | Servers, Capacitance Buffering, Hot-Swap Board Insertion, Level Translation System, Telecommunication System, Power Management System | |||
LTC4314_Typical ApplicationTypical Application for LTC4314 - Pin-Selectable, 4-Channel, 2-Wire Multiplexer with Bus Buffers |
Analog Devices | Wireless Communication | Capacitance Buffering, Hot-Swap Board Insertion, Level Translation System, Telecommunication System, Power Management System | |||
LTC4300A-2_Typical ApplicationTypical Application for LTC4300A-2 - Hot-Swappable 2-Wire Bus Buffers |
Analog Devices | Wireless Communication | Servers, Desktop PC, Capacitance Buffering, Hot-Swap Board Insertion | |||
LTC4300A-3_Typical ApplicationTypical Application for LTC4300A-3 - Level Shifting Hot-Swappable 2-Wire Bus Buffer with Enable |
Analog Devices | Wireless Communication | Servers, Desktop PC, Capacitance Buffering, Hot-Swap Board Insertion | |||
LTC4304_Typical ApplicationTypical Application for LTC4304 - Hot-Swappable 2-Wire Bus Buffer with Stuck Bus Recovery |
Analog Devices | Wireless Communication | Servers, RAID Data Storage System, Capacitance Buffering, Hot-Swap Board Insertion | |||
LTC4301_Typical ApplicationTypical Application for LTC4301 - Supply Independent Hot-Swappable 2-Wire Bus Buffer |
Analog Devices | Wireless Communication | Servers, Desktop PC, PCMCIA Card, Capacitance Buffering, Hot-Swap Board Insertion, PCI Express | |||
LTC4302_Typical ApplicationTypical Application for LTC4302 - Addressable 2-Wire Bus Buffer |
Analog Devices | Wireless Communication | Servers, Capacitance Buffering, Hot-Swap Board Insertion, Level Translation System | |||
MAX4952BEVKIT+MAX4952BEVKIT+, Evaluation Kit for the MAX4952B Dual 1.5/3/6 Gbps SAS/SATA Redriver |
Analog Devices | Wireless Communication | Laptop, Servers, Desktop PC, Data Storage Devices, Docking Station, Workstations | |||
LTC4301L_Typical Application |
Analog Devices | Wireless Communication | Servers, Desktop PC, Capacitance Buffering, Hot-Swap Board Insertion | |||
MAX4952AEVKIT+MAX4952AEVKIT+, Evaluation Kit for the MAX4952A Dual Equalized 1.5/3/6 GT/s SAS/SATA Redriver |
Analog Devices | Wireless Communication | Laptop, Servers, Desktop PC, Data Storage Devices, Docking Station, Workstations | |||