Filtri
| Descrizione | Rilasciato da | Per applicazione | Per prodotti finali | |||
|---|---|---|---|---|---|---|
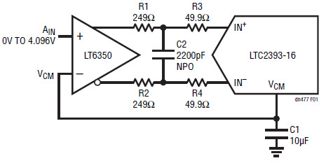
DN477 |
Analog Devices | Signal Conditioning | Data Acquisition System, Medical Imaging, Digital Signal Processing, Process Control, Process Instrumentation | |||
DN477 |
Analog Devices | Signal Conditioning | Data Acquisition System, Medical Imaging, Digital Signal Processing, Process Control, Process Instrumentation | |||
DN257Resolving Very Small Temperature Differences with the LTC2402 |
Analog Devices | Signal Conditioning | Industrial, Automotive and Transportation, Battery Management, Consumer Electronics | |||
DN257Resolving Very Small Temperature Differences with the LTC2402 |
Analog Devices | Signal Conditioning | Industrial, Automotive and Transportation, Battery Management, Consumer Electronics | |||
CN-0048 |
Analog Devices | Signal Conditioning | AC/DC Coupling Applications | |||
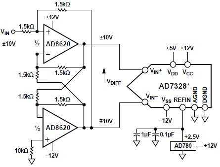
CN-01050 to 4.096V ADC Single Ended To Differential Conversion for Instrumentation |
Analog Devices | Signal Conditioning | Instrumentation and Measurement, Communications and Telecom, Radar System, Health System, Patient Monitoring, Aerial Vehicles, Scanners | |||
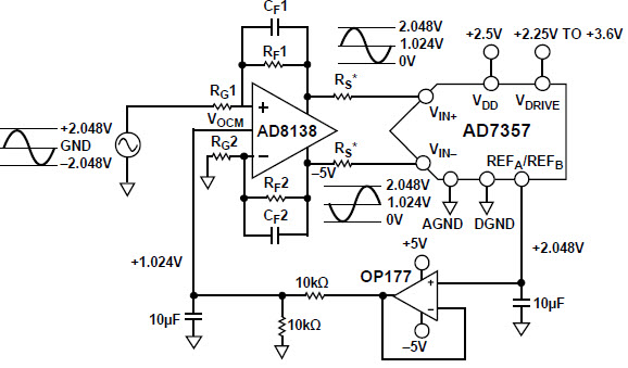
CN-00612.25 to 3.6V ADC Single Ended To Differential Conversion for Medical |
Analog Devices | Signal Conditioning | Medical and Healthcare, Factory Automation, Health System | |||
DN88New 500ksps and 600ksps ADCs Match Needs of High Speed Applications |
Analog Devices | Signal Conditioning | Communications and Telecom, Data Acquisition System | |||
DN257Resolving Very Small Temperature Differences with the LTC2402 |
Analog Devices | Signal Conditioning | Industrial, Automotive and Transportation, Battery Management, Consumer Electronics | |||
DN366F |
Analog Devices | Signal Conditioning | Communications and Telecom | |||
CN-00332.5V ADC Single Ended To Differential Conversion for Medical |
Analog Devices | Signal Conditioning | Instrumentation and Measurement, Communications and Telecom, Medical and Healthcare, Factory Automation, Health System | |||
CN-00322.5V ADC Single Ended To Differential Conversion for Medical |
Analog Devices | Signal Conditioning | Automotive and Transportation, Instrumentation and Measurement, Medical and Healthcare, Factory Automation, Health System | |||
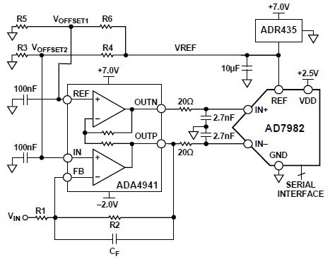
CN-004712V ADC Single Ended To Differential Conversion for Industrial |
Analog Devices | Signal Conditioning | Industrial | |||
V17N02-06-SarLTC1408, SAR ADC Feature Speed, Low Power, Small Package Size and True Simultaneous Sampling |
Analog Devices | Signal Conditioning | Data Acquisition System | |||
CN-0046Using the AD8352 as an Ultra Low Distortion Differential RF/IF Front End for High Speed ADCs |
Analog Devices | Signal Conditioning | AC/DC Coupling Applications | |||
AN2882 |
Analog Devices | Signal Conditioning | Set-Top Box, Wireless, Ultrasound Imaging | |||
DC2076A-B |
Analog Devices | Signal Conditioning | Communications and Telecom | |||
CN-0305 |
Analog Devices | Signal Conditioning | Portable, Communications and Telecom, Data Acquisition System, Automatic Test Equipment, Portable Medical Instrumentation | |||
CN-0310Precision 24-Bit, 250 kSPS Single-Supply Sigma-Delta ADC System for Industrial Signal Levels |
Analog Devices | Signal Conditioning | Instrumentation and Measurement, Industrial Control, Medical and Healthcare, Distributed Control System, Industrial Programmable Logic Controllers (PLCs) | |||
LT1818-DEC02-mag |
Analog Devices | Signal Conditioning | Communications and Telecom, Wireless Base Station, Ultrasound Imaging | |||