Filtri
| Descrizione | Rilasciato da | Per applicazione | Per prodotti finali | |||
|---|---|---|---|---|---|---|
AN3943 |
NXP Semiconductors | Sensors and Transducers | Motion Motor Control | |||
EVAL-CN0276-SDPZ |
Analog Devices | Sensors and Transducers | Motion Control, Building Automation, Industrial Applications, Avionics, Unmanned Systems | |||
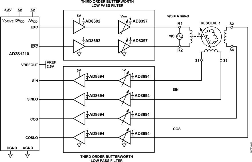
CN-0276High Performance, 10-Bit to 16-Bit Resolver-to-Digital Converter based on AD2S1210 |
Analog Devices | Sensors and Transducers | Motion Control, Building Automation, Industrial Applications, Avionics, Unmanned Systems | |||
SBAA144 |
Texas Instruments | Sensors and Transducers | Motion Motor Control | |||