Filtri
| Descrizione | Rilasciato da | Per applicazione | Per prodotti finali | |||
|---|---|---|---|---|---|---|
LTC2923_Typical ApplicationTypical Application for LTC2923 - Power Supply Tracking Controller |
Analog Devices | Power Management | Servers, Communications System, Tracking & Margining Power Supply, DSP/FPGA/Microprocessor Supplies | |||
LTC1726EMS8-5_Typical Application |
Analog Devices | Power Management | Notebook, Desktop PC, Battery Powered Equipment, Network Server, Intelligent Instruments | |||
LTC2960_Typical ApplicationTypical Application for LTC2960 - 36V Nano-Current Two-Input Voltage Monitor |
Analog Devices | Power Management | Security System, Battery Powered Equipment, Automotive Systems, Portable Equipments | |||
EVAL-ADM1067LFEBEVAL-ADM1067LFEB, Evaluation Board Evaluating the ADM1067ACP Voltage Supervisor Sequencer |
Analog Devices | Power Management | Communications and Telecom, Servers, Central Office Switch, DSL Line Card | |||
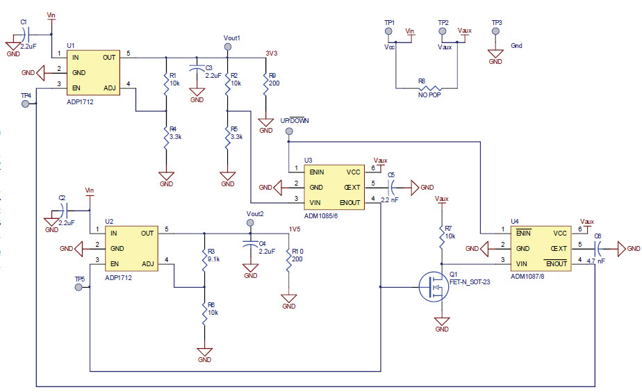
DC2293A-B |
Analog Devices | Power Management | Servers, Data Storage Devices, Telecom Equipments | |||
DC2450A-B |
Analog Devices | Power Management | Servers, Data Storage Devices, Telecom Equipments | |||
AN-1080Microprocessor Power Supervisory for Portable Consumer Electronics |
Analog Devices | Power Management | Portable, Portable Consumer Electronics | |||
DN452FPower Monitor for Automotive and Telecom Applications Includes ADC and I2C Interface |
Analog Devices | Power Management | Automotive and Transportation, Communications and Telecom, GPS , Power Over Ethernet | |||
V18N01-04-LTC2932-NakamuraUsing LTC2931 and LTC2932 Supervisors in an automotive application |
Analog Devices | Power Management | Automotive and Transportation | |||
EVAL-ADM1064LFEBEVAL-ADM1064LFEB, Evaluation Board Evaluating the ADM1064ACP Voltage Supervisor Sequencer |
Analog Devices | Power Management | Communications and Telecom, Servers, Central Office Switch, DSL Line Card | |||
EVAL-ADM1065TQEBEVAL-ADM1065TQEB, Evaluation Board Evaluating the ADM1065ASU Voltage Supervisor Sequencer |
Analog Devices | Power Management | Communications and Telecom, Servers, Central Office Switch, DSL Line Card | |||
EVAL-ADM1065LFEBEVAL-ADM1065LFEB, Evaluation Board Evaluating the ADM1065ACP Voltage Supervisor Sequencer |
Analog Devices | Power Management | Communications and Telecom, Servers, Central Office Switch, DSL Line Card | |||
EVAL-ADM1066TQEBEVAL-ADM1066TQEB, Evaluation Board Evaluating the ADM1066ASU Voltage Supervisor Sequencer |
Analog Devices | Power Management | Communications and Telecom, Servers, Central Office Switch, DSL Line Card | |||
DC2450A-A |
Analog Devices | Power Management | Servers, Data Storage Devices, Telecom Equipments | |||
EVAL-ADM1063LFEBEVAL-ADM1063TQEB, Evaluation Board Evaluating the ADM1063ASU Voltage Supervisor Sequencer |
Analog Devices | Power Management | Communications and Telecom, Servers, Central Office Switch, DSL Line Card | |||
DC2293A-A |
Analog Devices | Power Management | Servers, Data Storage Devices, Telecom Equipments | |||
EVAL-ADM1063LFEBEVAL-ADM1063LFEB, Evaluation Board Evaluating the ADM1063ACP Voltage Supervisor Sequencer |
Analog Devices | Power Management | Communications and Telecom, Servers, Central Office Switch, DSL Line Card | |||
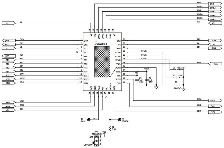
DC1029BDC1029B, Demo Board for LTC2928 multi-channel Power Supply Sequencer and Supervisor |
Analog Devices | Power Management | Power Management, Telecom Infrastructure | |||
EVAL-ADM1064TQEBEVAL-ADM1064TQEB, Evaluation Board Evaluating the ADM1064ASU Voltage Supervisor Sequencer |
Analog Devices | Power Management | Communications and Telecom, Servers, Central Office Switch, DSL Line Card | |||
EVAL-ADM1066LFEBEVAL-ADM1066LFEB, Evaluation Board Evaluating the ADM1066ACP Voltage Supervisor Sequencer |
Analog Devices | Power Management | Communications and Telecom, Servers, Central Office Switch, DSL Line Card | |||