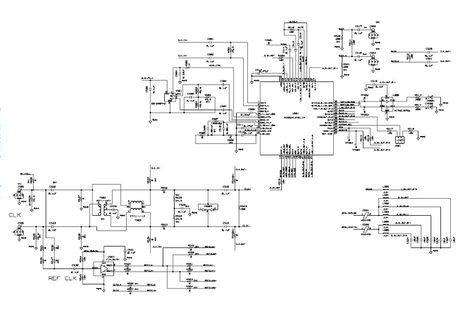
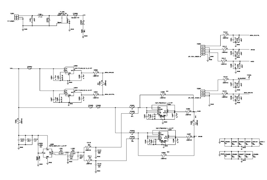
AD9641-80KITZ, Evaluation Board using AD9641, 14-bit, 155 MSPS analog-to-digital converter, high speed serial output interface
Progetto di riferimento usando la parte AD9641BCPZ-80 di Analog Devices
Per prodotti finali
- Active Antenna
- AV Receiver
- Communications and Telecom
- Digital Radio
- Software Defined Radio
- WiMAX Basestation
- WiMAX/Wireless Broadband
Per contattare il Servizio Clienti.
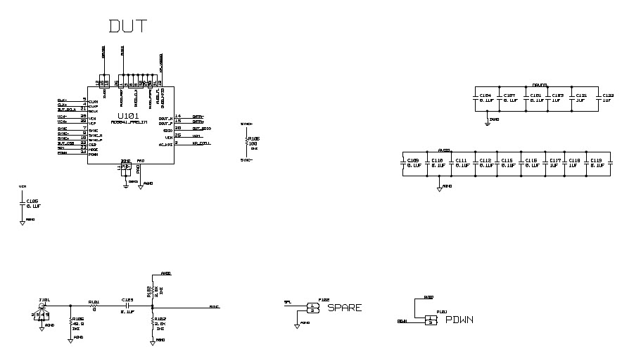
- AD9641-80KITZ, Evaluation Board using AD9641 is a 14-bit, 155 MSPS analog-to-digital converter (ADC) with a high speed serial output interface. The AD9641 is designed to support communications applications where high performance, combined with low cost, small size, and versatility, is desired. The ADC core features a multistage, differential pipelined architecture with integrated output error correction logic
Funzioni principali
-
ADC Resolution14 Bit
-
ADC Sampling Rate155M SPS
-
Number of Channels1CH
Parti in primo piano (15)
| Numero parte | Produttore | Tipo | Per contattare il Servizio Clienti. | |||
|---|---|---|---|---|---|---|
|
|
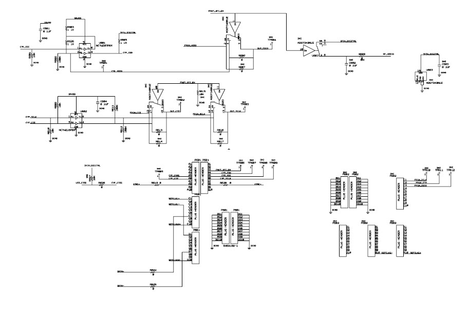
ADN4661BRZ-REEL7 | Analog Devices | LVDS | LVDS Driver 600Mbps 0.45V 8-Pin SOIC N T/R | ACQUISTA | |
|
|
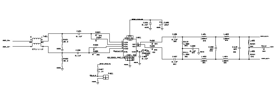
ADL5562ACPZ-R7 | Analog Devices | Special Purpose Amplifiers | SP Amp DIFF AMP Single 3.6V 16-Pin LFCSP EP T/R | ACQUISTA | |
|
|
AD9641BCPZRL7-80 | Analog Devices | Analog to Digital Converters - ADCs | 1-Channel Single ADC Pipelined 80Msps 14-bit JESD204A 32-Pin LFCSP EP T/R | ACQUISTA | |
|
|
ADG734BRUZ | Analog Devices | Analog Switch Multiplexers | Analog Switch Quad SPDT 20-Pin TSSOP Tube | ACQUISTA | |
|
|
ADP1706ARDZ-1.8-R7 | Analog Devices | Linear Regulators | LDO Regulator Pos 1.8V 1A 8-Pin SOIC N EP T/R | ACQUISTA | |
|
|
ADN4661BRZ | Analog Devices | LVDS | LVDS Driver 600Mbps 0.45V 8-Pin SOIC N Tube | ACQUISTA | |
|
|
ADG734BRUZ-REEL7 | Analog Devices | Analog Switch Multiplexers | Analog Switch Quad SPDT 20-Pin TSSOP T/R | ACQUISTA | |
|
|
NC7WZ16P6X | onsemi | Buffers and Line Drivers | Buffer 2-CH Non-Inverting 6-Pin SC-88 T/R | ACQUISTA | |
|
|
ADG734BRUZ-REEL | Analog Devices | Analog Switch Multiplexers | Analog Switch Quad SPDT 20-Pin TSSOP T/R | ACQUISTA | |
|
|
BNX016-01 | Murata Manufacturing | EMI Filters | EMI Filter LC-Circuit 15A 25VDC PC Pins Thru-Hole Box | ACQUISTA | |
|
|
ADP1713AUJZ-3.3-R7 | Analog Devices | Linear Regulators | LDO Regulator Pos 3.3V 0.3A 5-Pin TSOT T/R | ACQUISTA | |
|
|
ADL5562ACPZ | Analog Devices | Special Purpose Amplifiers | SP Amp DIFF AMP Single 3.6V 16-Pin LFCSP EP T/R | ACQUISTA | |