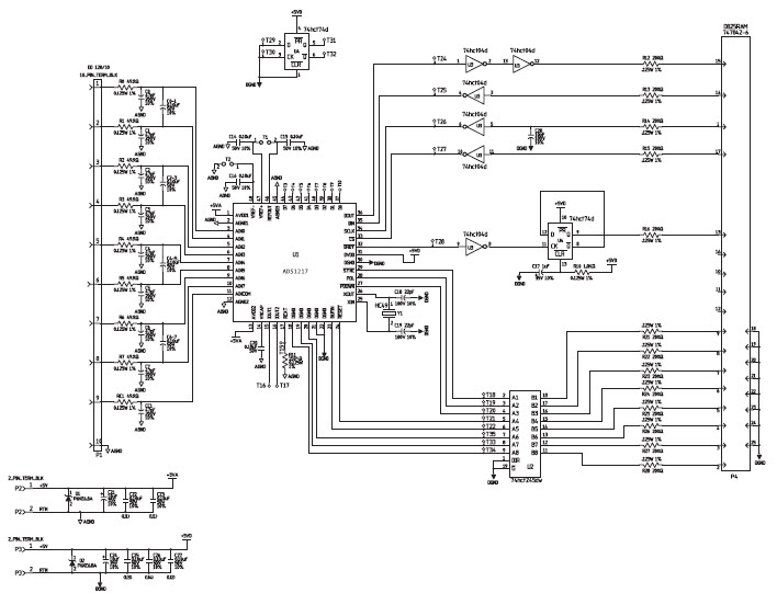
24-Bit, 780SPS, 8CH ADC for Industrial Control
Progetto di riferimento usando la parte ADS1217 di Texas Instruments
Documenti associati
Per prodotti finali
- Blood Analyzer
- Industrial Control
- Instrumentation and Measurement
- Pressure Sensor
- Weight Scale
Per contattare il Servizio Clienti.
- ADS1217EVM evaluation module is designed for ease of use when evaluating high resolution Analog-to-Digital Converter ADS1217. ADS1217 offers 24-bits no-missing codes performance
Funzioni principali
-
ADC Resolution24 Bit
-
ADC Sampling Rate780 SPS
-
Number of Channels8CH
Parti in primo piano (16)
| Numero parte | Produttore | Tipo | Per contattare il Servizio Clienti. | |||
|---|---|---|---|---|---|---|
|
|
74HCT245D,653 | Nexperia | Bus Transceivers | Bus XCVR Single 8-CH 3-ST 20-Pin SO | ACQUISTA | |
|
|
REG1117-5/2K5 | Texas Instruments | Linear Regulators | LDO Regulator Pos 5V 0.8A 4-Pin(3+Tab) SOT-223 T/R | ACQUISTA | |
|
|
REG1117-5G4 | Texas Instruments | Linear Regulators | LDO Regulator Pos 5V 0.8A 4-Pin(3+Tab) SOT-223 Tube | ACQUISTA | |
|
|
REG1117-5/2K5G4 | Texas Instruments | Linear Regulators | LDO Regulator Pos 5V 0.8A 4-Pin(3+Tab) SOT-223 T/R | ACQUISTA | |
|
|
REG1117-5 | Texas Instruments | Linear Regulators | LDO Regulator Pos 5V 0.8A 4-Pin(3+Tab) SOT-223 Tube | ACQUISTA | |
|
|
REG1117-5/2K5G4 | Texas Instruments | Linear Regulators | LDO Regulator Pos 5V 0.8A 4-Pin(3+Tab) SOT-223 T/R | ACQUISTA | |
|
|
74HCT04D | Nexperia | Inverters and Schmitt Triggers | Inverter 6-Element CMOS 14-Pin SO | ACQUISTA | |
|
|
74HCT04D,653 | Nexperia | Inverters and Schmitt Triggers | Inverter 6-Element CMOS 14-Pin SO T/R | ACQUISTA | |
|
|
74HCT245D | Nexperia | Bus Transceivers | Bus XCVR Single 8-CH 3-ST 20-Pin SO | ACQUISTA | |
|
|
REG1117-5/2K5 | Texas Instruments | Linear Regulators | LDO Regulator Pos 5V 0.8A 4-Pin(3+Tab) SOT-223 T/R | ACQUISTA | |
|
|
74HCT04D-Q100,118 | Nexperia | Inverters and Schmitt Triggers | Inverter 6-Element CMOS 14-Pin SO T/R Automotive AEC-Q100 | ACQUISTA | |
|
|
74HCT245D,653 | Nexperia | Bus Transceivers | Bus XCVR Single 8-CH 3-ST 20-Pin SO | ACQUISTA | |