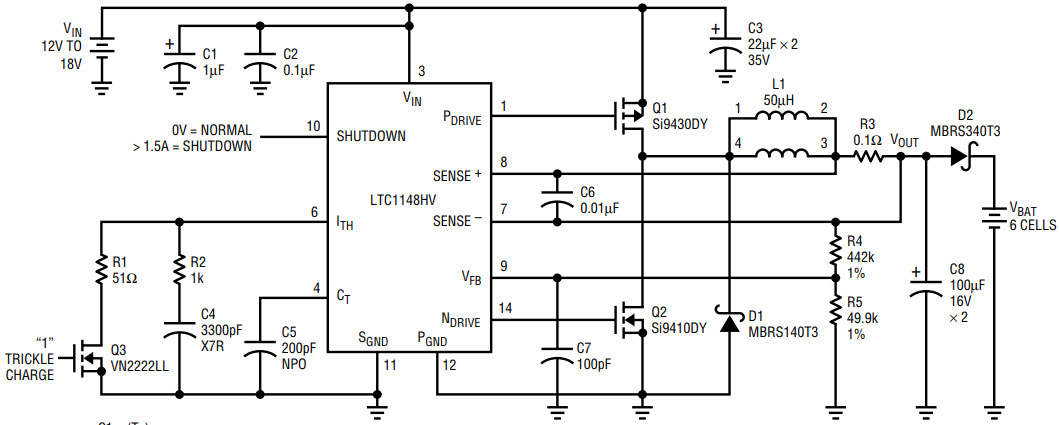
AN54, Application Circuit Using LTC1148 High Voltage Charger Circuit
Reference Design using part LTC1148 by Analog Devices
For End Products
- Handheld Electronics
- Portable
- Portable Computers
Description
- AN54, Application Circuit Using LTC1148 High Voltage Charger Circuit. High efficiency is frequently the main goal for power supplies in portable computers and hand-held equipment. Efficient converters are necessary in these applications to minimize power drain on the input source (batteries, etc.) and heat buildup in the power components, allowing for smaller, lighter, and longer-lived systems
Key Features
-
Conversion TypeDC to DC
-
Input Voltage12 to 18 V
-
Output Voltage12.3 V
-
Efficiency90 %
Featured Parts (30)
| Part Number | Manufacturer | Type | Description | |||
|---|---|---|---|---|---|---|
|
|
LTC1148CS-5 | Analog Devices | DC to DC Converter and Switching Regulator Chip | DC/DC Cntrlr Single-OUT Step Down 0.05A 250kHz 14-Pin SOIC N | Buy | |
|
|
LTC1148HVCN#PBF | Analog Devices | DC to DC Converter and Switching Regulator Chip | DC/DC Cntrlr Single-OUT Step Down 0.05A 250kHz 14-Pin PDIP N Tube | Buy | |
|
|
LTC1148CN#PBF | Analog Devices | DC to DC Converter and Switching Regulator Chip | DC/DC Cntrlr Single-OUT Step Down 0.05A 250kHz 14-Pin PDIP N Tube | Buy | |
|
|
LTC1148LCS-3.3#PBF | Analog Devices | DC to DC Converter and Switching Regulator Chip | DC/DC Cntrlr Single-OUT Step Down 0.05A 250kHz 14-Pin SOIC N Tube | Buy | |
|
|
LTC1148CS | Analog Devices | DC to DC Converter and Switching Regulator Chip | DC/DC Cntrlr Single-OUT Step Down 0.05A 250kHz 14-Pin SOIC N | Buy | |
|
|
LTC1148HVCS-3.3#TRPBF | Analog Devices | DC to DC Converter and Switching Regulator Chip | DC/DC Cntrlr Single-OUT Step Down 0.05A 250kHz 14-Pin SOIC N T/R | Buy | |
|
|
LTC1148HVIS-5#TRPBF | Analog Devices | DC to DC Converter and Switching Regulator Chip | DC/DC Cntrlr Single-OUT Step Down 0.05A 250kHz 14-Pin SOIC N T/R | Buy | |
|
|
LTC1148HVIS-5#PBF | Analog Devices | DC to DC Converter and Switching Regulator Chip | DC/DC Cntrlr Single-OUT Step Down 0.05A 250kHz 14-Pin SOIC N Tube | Buy | |
|
|
LTC1148CS#PBF | Analog Devices | DC to DC Converter and Switching Regulator Chip | DC/DC Cntrlr Single-OUT Step Down 0.05A 250kHz 14-Pin SOIC N Tube | Buy | |
|
|
LTC1148HVCN-3.3#PBF | Analog Devices | DC to DC Converter and Switching Regulator Chip | DC/DC Cntrlr Single-OUT Step Down 0.05A 250kHz 14-Pin PDIP N Tube | Buy | |
|
|
LTC1148HVCN | Analog Devices | DC to DC Converter and Switching Regulator Chip | DC/DC Cntrlr Single-OUT Step Down 0.05A 250kHz 14-Pin PDIP N | Buy | |
|
|
LTC1148CS-5#PBF | Analog Devices | DC to DC Converter and Switching Regulator Chip | DC/DC Cntrlr Single-OUT Step Down 0.05A 250kHz 14-Pin SOIC N Tube | Buy | |