TPD12S015AEVM, Evaluation Board using TPD12S015A integrated HDMI companion chip solution, Step-up DC-DC, High-speed ESD Clamps for Portable Apps

使用 Texas Instruments 的 TPD12S015AYFFR 的参考设计

供应商

Texas Instruments
  • 应用类别
    界面
  • 产品类别
    电平变换器

依据最终产品

  • Digital Camcorder
  • Digital Still Camera (DSC)
  • E-Book
  • Game Console
  • Portable
  • Smart Phone
  • Tablet

说明

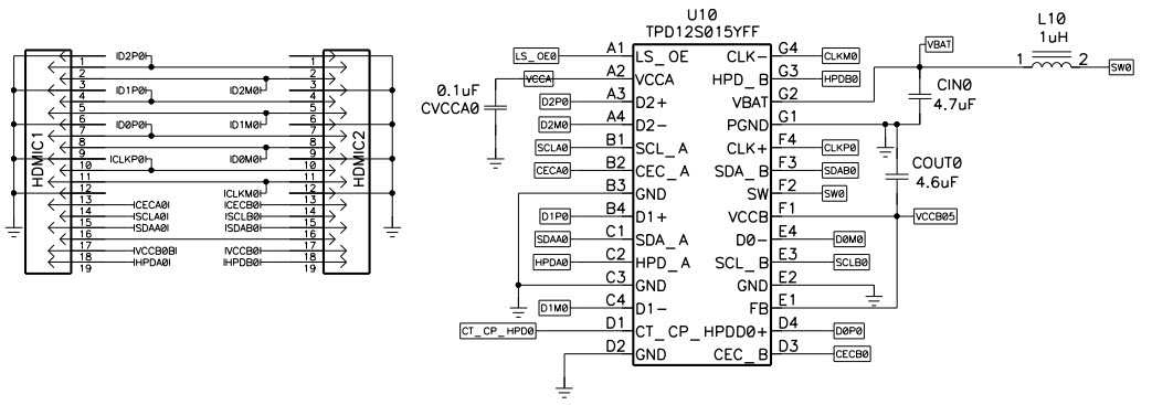
  • TPD12S015AEVM, Evaluation Board using TPD12S015A is an integrated HDMI companion chip solution. The device pin mapping matches the HDMI Type D or Type C connector with four differential pairs. This device offers 8 low capacitance ESD clamps allowing HDMI 1.4 data rates. The integrated ESD clamps and resistors provide good matching between each differential signal pair. This provides an advantage over discrete ESD clamp solutions where variations between ESD clamps degrade the differential signal quality

请仔细阅读我们近期更改的隐私政策。当按下确认键时,您已了解并同意艾睿电子的隐私政策和用户协议。

本网站需使用cookies以改善用户您的体验并进一步改进我们的网站。此处阅读了解关于网站cookies的使用以及如何禁用cookies。网页cookies和追踪功能或許用于市场分析。当您按下同意按钮,您已经了解并同意在您的设备上接受cookies,并给予网站追踪权限。更多关于如何取消网站cookies及追踪的信息,请点击下方“阅读更多”。尽管同意启用cookies追踪与否取决用户意愿,取消网页cookies及追踪可能导致网站运作或显示异常,亦或导致相关推荐广告减少。

我们尊重您的隐私。请在此阅读我们的隐私政策。