High performance Synchronous Buck EVM Using the TPS51124
使用 Texas Instruments 的 TPS51124RGER 的参考设计
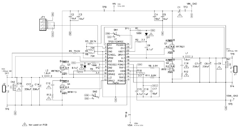
Image
1 / 1
相关文件
依据最终产品
- Laptop
- Notebook
说明
- TPS51124EVM-001 is designed to assist in the evaluation of the TPS51124, a dual, adaptive on-time D-CAP mode synchronous buck controller. The part enables system designers to cost effectively complete the suite of notebook power bus regulators with the absolute lowest external component count and lowest standby consumption
主要特色
-
Conversion TypeDC to DC
-
Input Voltage5 to 25 V
-
Output Voltage1.05|1.5 V
-
Output Current10@1.05V|10@1.5V A
-
TopologyBuck
Featured Parts (4)
| 零件编号 | 供应商 | 类别 | 说明 | |||
|---|---|---|---|---|---|---|
|
|
G12AP-RO | NKK Switches | Switch Toggle | Switch Toggle ON None ON SPDT Round Lever PC Pins 0.1A 28VAC 28VDC 0.4VA PC Mount | 买入 | |
|
|
G12AP | NKK Switches | Switch Toggle | Switch Toggle ON None ON SPDT Round Lever PC Pins 0.1A 28VAC 28VDC 0.4VA PC Mount | 买入 | |
|
|
TPS51124RGERG4 | Texas Instruments | DC to DC Controllers | DC/DC Cntrlr Dual-OUT Step Down 420kHz 24-Pin VQFN EP T/R | 买入 | |
|
|
TPS51124RGER | Texas Instruments | DC to DC Controllers | DC/DC Cntrlr Dual-OUT Step Down 420kHz 24-Pin VQFN EP T/R | 买入 | |