过滤器
| 说明 | 依据发布人 | 依据应用 | 依据最终产品 | |||
|---|---|---|---|---|---|---|
ADS1241EVM |
Texas Instruments | Data Conversion | Portable, Weight Scale, Pressure Sensor, Blood Analyzer, Industrial Process Measurement and Control, Optical Transmitter, Gas and Water Meter | |||
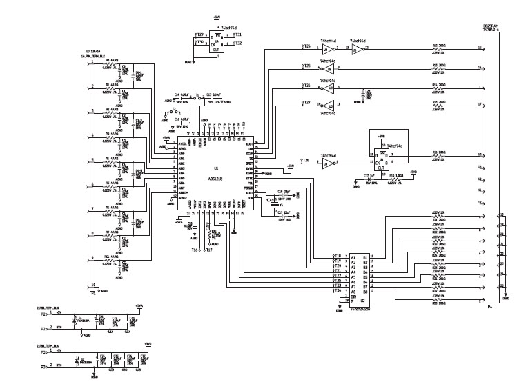
ADS1218EVM |
Texas Instruments | Data Conversion | Portable, Weight Scale, Pressure Sensor, Blood Analyzer, Industrial Process Measurement and Control, Optical Transmitter, Gas and Water Meter | |||
TIPD152TIPD152, Hardware-Compensated Ratiometric 3-Wire RTD System Reference Design |
Texas Instruments | Data Conversion | Outdoor Temperature Sensor, Optical Transmitter | |||
ADS1110EVMADS1110EVM, Evaluation Board using ADS1110, 16-bit delta-sigma Analog to Digital Converter |
Texas Instruments | Data Conversion | Portable, Factory Automation, Outdoor Temperature Sensor, White Goods, Industrial Process Measurement and Control, Optical Transmitter | |||
SLAU526Digitally Calibrated Bridge Sensor Signal Conditioner with 4mA to 20mA Current Loop Output |
Texas Instruments | Amplifiers and Comparators | Strain Gauge, Optical Transmitter, Automotive Sensor, Weigh Scale/Bridge Sensor | |||
TIPD126TIPD126, Bridge Sensor Signal Conditioner with Current Loop Output, EMC Protection |
Texas Instruments | Sensors and Transducers | Strain Gauge, Optical Transmitter, Automotive Sensor, Weigh Scale/Bridge Sensor | |||
AN4075 |
Analog Devices | Optical | Optical Networking, Optical Transmitter | |||
AN-654 |
Analog Devices | Optical | Optical Networking, GB Ethernet Switch, Optical Transmitter | |||
DC1983ADC1983A, Demo Board Using LTC5510, 1-MHz to 6-GHz Wideband High Linearity Active Mixer |
Analog Devices | Wireless Communication | Wireless, AV Receiver, Optical Transmitter, Audio Mixer | |||
AD9125-M5372-EBZ |
Analog Devices | Data Conversion | Cable Modem, Wireless Infrastructure, WiMAX/Wireless Broadband, Optical Transmitter | |||
AD9125-M5375-EBZ |
Analog Devices | Data Conversion | Cable Modem, Wireless Infrastructure, WiMAX/Wireless Broadband, Optical Transmitter | |||
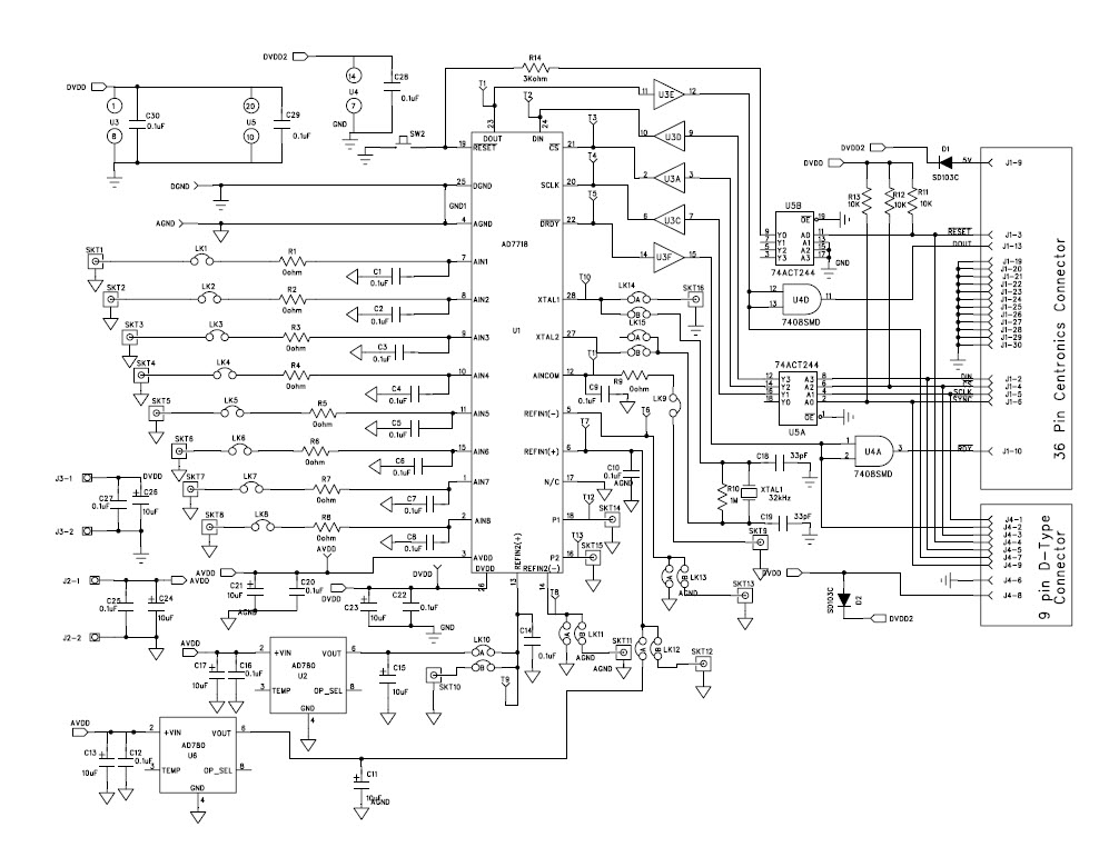
EVAL-AD7718EB |
Analog Devices | Data Conversion | Portable, Instrumentation and Measurement, Industrial Process Measurement and Control, Optical Transmitter, Sensor and Transducer | |||
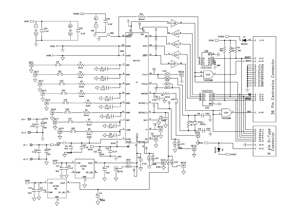
EVAL-AD7708EB |
Analog Devices | Data Conversion | Portable, Instrumentation and Measurement, Industrial Process Measurement and Control, Optical Transmitter, Sensor and Transducer | |||
EVAL-AD7708EBZ |
Analog Devices | Data Conversion | Portable, Instrumentation and Measurement, Industrial Process Measurement and Control, Optical Transmitter, Sensor and Transducer | |||
EVAL-AD7718EBZ |
Analog Devices | Data Conversion | Portable, Instrumentation and Measurement, Industrial Process Measurement and Control, Optical Transmitter, Sensor and Transducer | |||
DC1984A |
Analog Devices | Wireless Communication | Wireless, AV Receiver, Optical Transmitter, Audio Mixer | |||
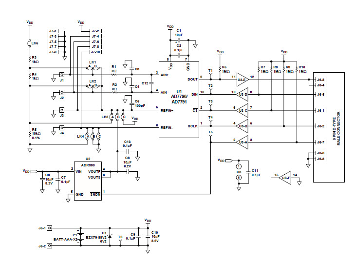
EVAL-AD7791EB |
Analog Devices | Data Conversion | Portable, Battery Charger, Outdoor Temperature Sensor, Pressure Sensor, Optical Transmitter, Smart Sensor, Weigh Scale/Bridge Sensor | |||
EVAL-AD7790EB |
Analog Devices | Data Conversion | Portable, Battery Charger, Outdoor Temperature Sensor, Pressure Sensor, Optical Transmitter, Smart Sensor, Weigh Scale/Bridge Sensor | |||