过滤器
| 说明 | 依据发布人 | 依据应用 | 依据最终产品 | |||
|---|---|---|---|---|---|---|
A4402_Typical ApplicationTypical Application for A4402 Constant On-Time Buck Converter With Integrated Linear Regulator |
Allegro MicroSystems | Power Supplies | Industrial Control, Point-of-sale Terminals, Security System, Infotainment, Inkjet Printer, Central Body Controller, Engine/Transmission Control Unit, Distributed Power System, Networking, Lighting Control, Center-Stack lighting, Power Steering Control Unit, Photo Printer, Cluster | |||
NSV45025AZ_Typical ApplicationTypical Application for NSV45025AZ Constant Current Regulator/LED Driver |
onsemi | Lighting | Signage Lighting, Decorative Lighting, Channel letter, Display Backlighting, Map Lighting, Lighting Panels, Mirror Marker, Cluster, CHMSL | |||
NSI45025AZ_Typical ApplicationTypical Application for NSI45025AZ Constant Current Regulator/LED Driver |
onsemi | Lighting | Signage Lighting, Decorative Lighting, Channel letter, Display Backlighting, Map Lighting, Lighting Panels, Mirror Marker, Cluster, CHMSL | |||
NCV8705_Typical Application |
onsemi | Power Supplies | Industrial, Factory Automation, Infotainment, Smart Electric Meter, Building Automation, Telematics, Advanced Driver Assistance Systems (ADAS), Automotive Applications, Cluster | |||
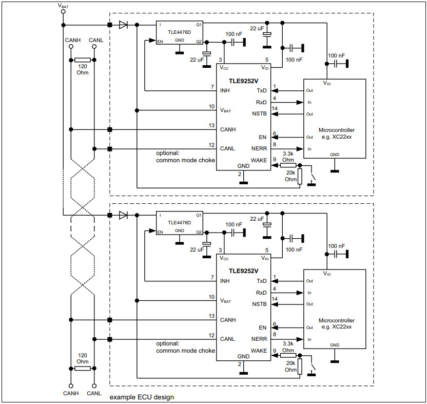
TLE9252V_Typical ApplicationTypical Application for TLE9252V High-Speed CAN FD Transceiver |
Infineon Technologies AG | Interface | HVAC, Radar System, Infotainment, Cluster | |||
NCV8705_Typical Application |
onsemi | Power Supplies | Industrial, Factory Automation, Infotainment, Smart Electric Meter, Building Automation, Telematics, Advanced Driver Assistance Systems (ADAS), Automotive Applications, Cluster | |||
NSI45035JZT1G_Typical ApplicationTypical Application for NSI45035JZT1G Adjustable Constant Current Regulator/LED Driver |
onsemi | Lighting | Signage Lighting, Decorative Lighting, Channel letter, Display Backlighting, Map Lighting, Lighting Panels, Mirror Marker, Cluster, CHMSL | |||