An Electronic Water Meter Application Circuit Using MSP430F41x MCU
使用 Texas Instruments 的 MSP430F412 的参考设计
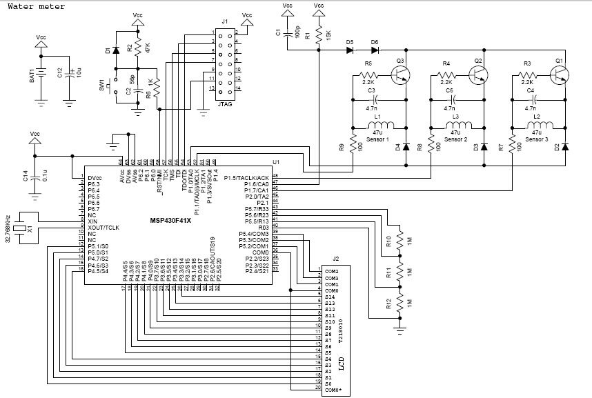
Image
1 / 1
依据最终产品
- Gas and Water Meter
说明
- An Electronic Water Meter Design Using MSP430F41x MCU. This application describes how to achieve a reliable and Ultra Low-power electronic water meter design using the MSP430F41x microcontroller
主要特色
-
Embedded System TypeMCU
-
Family NameMSP430
Featured Parts (4)
| 零件编号 | 供应商 | 类别 | 说明 | |||
|---|---|---|---|---|---|---|
|
|
MSP430F412IRTDR | Texas Instruments | Microcontrollers - MCUs | MCU 16-bit MSP430 RISC 4KB Flash 2.5V/3.3V 64-Pin VQFN EP T/R | 买入 | |
|
|
MSP430F412IPM | Texas Instruments | Microcontrollers - MCUs | MCU 16-bit MSP430 RISC 4KB Flash 2.5V/3.3V 64-Pin LQFP Tray | 买入 | |
|
|
MSP430F412IPMR | Texas Instruments | Microcontrollers - MCUs | MCU 16-bit MSP430 RISC 4KB Flash 2.5V/3.3V 64-Pin LQFP T/R | 买入 | |
|
|
MSP430F412IRTDT | Texas Instruments | Microcontrollers - MCUs | MCU 16-bit MSP430 RISC 4KB Flash 2.5V/3.3V 64-Pin VQFN EP T/R | 买入 | |