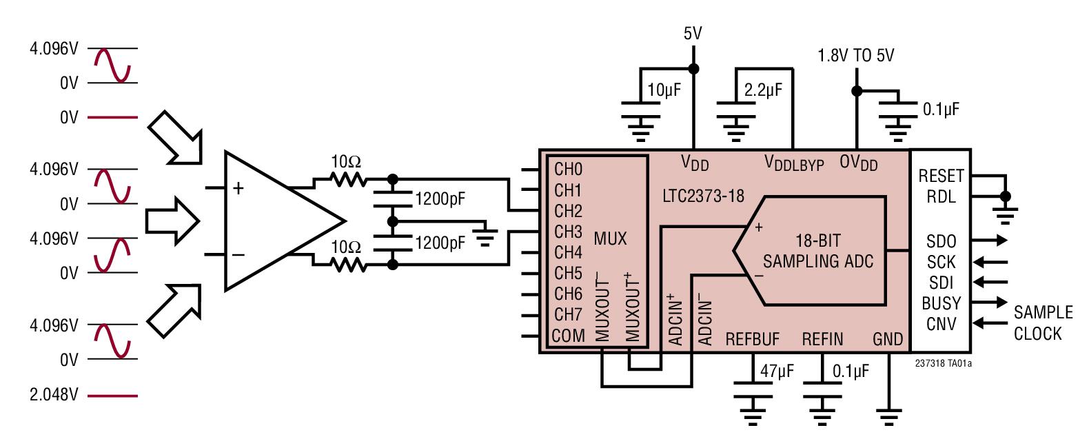
Typical Application for LTC2373-18, 18-Bit, 1-Msps, 8-Channel SAR ADC with 100dB SNR

Using Part

Fabricant

Analog Devices
  • Catégorie d'application
    Conversion de données
  • Type de produit
    Conversion d'analogique à numérique

Pour les produits finaux

  • Data Acquisition System
  • Industrial Programmable Logic Controllers (PLCs)
  • Portable Instrumentation
  • Process Control

Description

  • Typical Application for LTC2373-18, 18-Bit, 1-Msps, 8-Channel SAR ADC. The LTC2373-18 is a low noise, high speed, 8-channel, 18-bit successive approximation register (SAR) ADC. Operating from a single 5V supply, the LTC2373-18 has a highly configurable, low crosstalk 8-channel input multiplexer, supporting fully differential, pseudo-differential unipolar and pseudo-differential bipolar analog input ranges

Caractéristiques principales

  • ADC Resolution
    18 Bit
  • ADC Sampling Rate
    1M SPS
  • Number of Channels
    8CH

Nous avons mis à jour notre politique de confidentialité. Prenez un moment pour lire les changements. En cliquant sur "J'accepte", vous acceptez la clause de confidentialité d'Arrow Electronics ainsi que les conditions d'utilisation.

Notre site Internet place des cookies sur votre appareil pour améliorer votre expérience et pour améliorer notre site. Pour en savoir plus sur les cookies que nous utilisons et la façon de les désactiver, cliquez ici. Des cookies et des technologies de suivi peuvent être utilisés à des fins de marketing. En cliquant sur « Accepter », vous consentez au placement de cookies sur votre appareil et à notre utilisation de technologies de suivi. Cliquez sur « En savoir plus » pour de plus amples informations et instructions sur la façon de désactiver les cookies et les technologies de suivi. Même si l'acceptation des cookies et technologies de suivi est volontaire, leur désactivation peut entraîner un mauvais fonctionnement du site Internet et certaines publicités peuvent être moins pertinentes pour vous. Nous respectons votre confidentialité. Lisez notre politique de confidentialité ici.