PMP10535.2, Low Profile, Quad Output, Isolated Fly-Buck Power Supply for Industrial Applications

Using Part

Fabricant

Texas Instruments
  • Catégorie d'application
    Alimentations électriques
  • Type de produit
    Alimentations électriques à sorties multiples CC à CC

Pour les produits finaux

  • Automotive and Transportation
  • Communications and Telecom
  • Industrial

Description

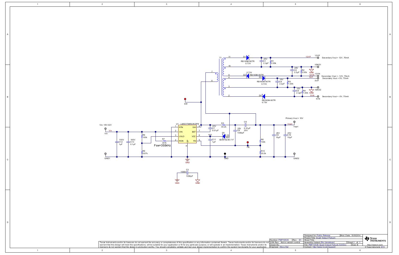
  • PMP10535.2, Low Profile, Quad Output, Isolated Fly-Buck Power Supply for Industrial Applications. The PMP10535 reference design is a low profile quad output isolated Fly-Buck power supply for industrial applications. The power supply has a synchronous buck regulator, LM5017 and a low profile (6mm) transformer. It generates four isolated outputs of 5V, 12V, 75mA each. The LM5017 is a 100V wide Vin, 600mA synchronous buck regulator. The input voltage range of the design is 20V to 32V, making it suitable for 24V input industrial application

Caractéristiques principales

  • Conversion Type
    DC to DC
  • Input Voltage
    20 to 32 V
  • Output Voltage
    12 V
  • Output Current
    0.075 A
  • Output Power
    0.9 W
  • Topology
    Fly-Buck

Nous avons mis à jour notre politique de confidentialité. Prenez un moment pour lire les changements. En cliquant sur "J'accepte", vous acceptez la clause de confidentialité d'Arrow Electronics ainsi que les conditions d'utilisation.

Notre site Internet place des cookies sur votre appareil pour améliorer votre expérience et pour améliorer notre site. Pour en savoir plus sur les cookies que nous utilisons et la façon de les désactiver, cliquez ici. Des cookies et des technologies de suivi peuvent être utilisés à des fins de marketing. En cliquant sur « Accepter », vous consentez au placement de cookies sur votre appareil et à notre utilisation de technologies de suivi. Cliquez sur « En savoir plus » pour de plus amples informations et instructions sur la façon de désactiver les cookies et les technologies de suivi. Même si l'acceptation des cookies et technologies de suivi est volontaire, leur désactivation peut entraîner un mauvais fonctionnement du site Internet et certaines publicités peuvent être moins pertinentes pour vous. Nous respectons votre confidentialité. Lisez notre politique de confidentialité ici.