DC503A, Demo Board Using LT5512EUF High Signal Level, Down-Converting Mixer for (Wide IF Output, CATV Applications)

Using Part

Fabricant

Analog Devices
  • Catégorie d'application
    Communication sans fil
  • Type de produit
    Convertisseur et mélangeur abaisseur ou élévateur

Pour les produits finaux

  • CATV/MATV Cable

Description

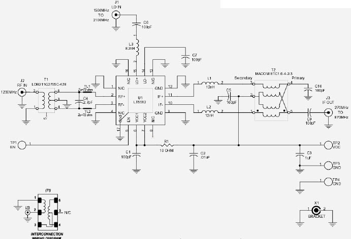
  • DC503A, Demo Circuit Board is intended to demonstrate the capabilities of the LT5512 down converting mixer IC for cable infrastructure applications. The LT5512 is a broadband high signal level mixer IC optimized for high linearity Down-Converter applications including cable and wireless infrastructure

Nous avons mis à jour notre politique de confidentialité. Prenez un moment pour lire les changements. En cliquant sur "J'accepte", vous acceptez la clause de confidentialité d'Arrow Electronics ainsi que les conditions d'utilisation.

Notre site Internet place des cookies sur votre appareil pour améliorer votre expérience et pour améliorer notre site. Pour en savoir plus sur les cookies que nous utilisons et la façon de les désactiver, cliquez ici. Des cookies et des technologies de suivi peuvent être utilisés à des fins de marketing. En cliquant sur « Accepter », vous consentez au placement de cookies sur votre appareil et à notre utilisation de technologies de suivi. Cliquez sur « En savoir plus » pour de plus amples informations et instructions sur la façon de désactiver les cookies et les technologies de suivi. Même si l'acceptation des cookies et technologies de suivi est volontaire, leur désactivation peut entraîner un mauvais fonctionnement du site Internet et certaines publicités peuvent être moins pertinentes pour vous. Nous respectons votre confidentialité. Lisez notre politique de confidentialité ici.