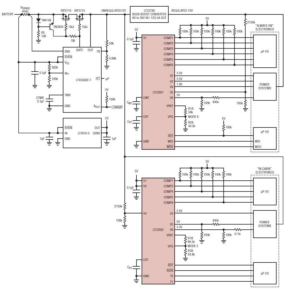
Using LTC2931 and LTC2932 Supervisors in an automotive application
Reference Design using part LT4356CDE-1 by Analog Devices
For End Products
- Automotive and Transportation
Description
- Wide Operating Temperature Range and Low Supply Current Requirements for the LTC2930, LTC2931 and LTC2932 Supervisors Make them Ideal for Automotive Applications
Featured Parts (34)
| Part Number | Manufacturer | Type | Description | |||
|---|---|---|---|---|---|---|
|
|
LTC2931IF#TRPBF | Analog Devices | Supervisory Circuits | Processor Supervisor 5V/3.3V/3V/2.5V/1.8V/1.5V/Adj 6 Open Drain 20-Pin TSSOP T/R | Buy | |
|
|
LTC2931IF#PBF | Analog Devices | Supervisory Circuits | Processor Supervisor 5V/3.3V/3V/2.5V/1.8V/1.5V/Adj 6 Open Drain 20-Pin TSSOP Tube | Buy | |
|
|
LTC2931HF#PBF | Analog Devices | Supervisory Circuits | Processor Supervisor 5V/3.3V/3V/2.5V/1.8V/1.5V/Adj 6 Open Drain 20-Pin TSSOP Tube | Buy | |
|
|
LT3010EMS8E#PBF | Analog Devices | Linear Regulators | LDO Regulator Pos 1.275V to 60V 0.05A 8-Pin MSOP EP Tube | Buy | |
|
|
LTC3780MPG | Analog Devices | DC to DC Controllers | DC/DC Cntrlr Single-OUT Step Down/Step Up 400kHz 24-Pin SSOP | Buy | |
|
|
LTC3780IG#PBF | Analog Devices | DC to DC Controllers | DC/DC Cntrlr Single-OUT Step Down/Step Up 400kHz 24-Pin SSOP Tube | Buy | |
|
|
LTC2931CF#TRPBF | Analog Devices | Supervisory Circuits | Processor Supervisor 5V/3.3V/3V/2.5V/1.8V/1.5V/Adj 6 Open Drain 20-Pin TSSOP T/R | Buy | |
|
|
LT3010EMS8E#TRPBF | Analog Devices | Linear Regulators | LDO Regulator Pos 1.275V to 60V 0.05A 8-Pin MSOP EP T/R | Buy | |
|
|
LTC2932HF#PBF | Analog Devices | Supervisory Circuits | Processor Supervisor 5V/3.3V/3V/2.5V/1.8V/1.5V/Adj 6 Open Drain 20-Pin TSSOP Tube | Buy | |
|
|
LTC2932IF#TRPBF | Analog Devices | Supervisory Circuits | Processor Supervisor 5V/3.3V/3V/2.5V/1.8V/1.5V/Adj 6 Open Drain 20-Pin TSSOP T/R | Buy | |
|
|
LTC3780EUH#TRPBF | Analog Devices | DC to DC Controllers | DC/DC Cntrlr Single-OUT Step Down/Step Up 400kHz Automotive 32-Pin QFN EP T/R | Buy | |
|
|
LTC3780IG#TR | Analog Devices | DC to DC Controllers | DC/DC Cntrlr Single-OUT Step Down/Step Up 400kHz 24-Pin SSOP T/R | Buy | |