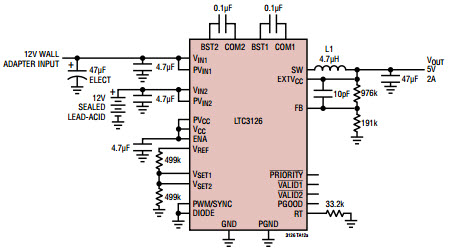
Typical Application Circuit for LTC3126EUFD 5V, 2A Supply from Wall Adapter and Lead-Acid Backup Battery

Reference Design using part LTC3126EUFD by Analog Devices

Manufacturer

Analog Devices
  • Application Category
    Power Supplies
  • Product Type
    DC to DC Single Output Power Supplies

For End Products

  • Automotive Power Supply
  • Industrial Equipments
  • UPS Power Supply

Description

  • Typical Application Circuit for LTC3126EUFD 5V, 2A Supply from Wall Adapter and Lead-Acid Backup Battery. The LTC3126 is a high efficiency synchronous buck converter with an internal no-loss PowerPath supporting seamless operation from two separate input power sources

Key Features

  • Conversion Type
    DC to DC
  • Input Voltage
    12 V
  • Output Voltage
    5 V
  • Output Current
    2 A
  • Efficiency
    95 %
  • Topology
    Buck

We've updated our privacy policy. Please take a moment to review these changes. By clicking I Agree to Arrow Electronics Terms Of Use  and have read and understand the Privacy Policy and Cookie Policy.

Our website places cookies on your device to improve your experience and to improve our site. Read more about the cookies we use and how to disable them here. Cookies and tracking technologies may be used for marketing purposes.
By clicking “Accept”, you are consenting to placement of cookies on your device and to our use of tracking technologies. Click “Read More” below for more information and instructions on how to disable cookies and tracking technologies. While acceptance of cookies and tracking technologies is voluntary, disabling them may result in the website not working properly, and certain advertisements may be less relevant to you.
We respect your privacy. Read our privacy policy here